电脑桌面
添加小米粒文库到电脑桌面
安装后可以在桌面快捷访问

消防工程施工组织设计方案

消防工程施工组织设计方案 _第1页
1/23
消防工程施工组织设计方案 _第2页
2/23
消防工程施工组织设计方案 _第3页
3/23
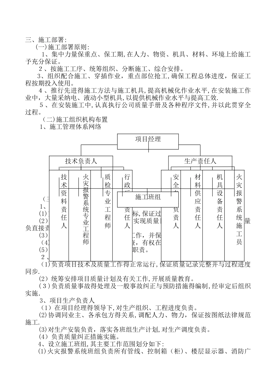
富朗特三期厂房内部消防工程及一期办公室装修消防工程施工组织设计目 录一、消防工程概况(一)消防给水系统(二)火灾自动报警系统二、工程质量、工期三、施工部署 (一)施工部署原则 (二)施工组织机构布置 (三)网络图中各主要岗位职责 (四)施工程序及施工配合部署四、施工进度计划五、物资供应计划六、劳动力动态图及技术培训(一)劳动力动态图(二)技术培训七、分部分项技术措施 (一)消火栓及水喷淋系统管道施工技术措施(二)消防给水系统施工技术措施(三)火灾自动报警系统施工技术措施(四)应急照明系统施工技术措施八、质量保证措施(一)施工组织保证措施(二)技术保证措施(三)材料、半成品及设备得质量保证措施(四)各种质量程序控制表(五)加强思想宣传,提高全员质量意识九、关于冬雨季夜间施工得控制措施十、噪声控制得措施十一、施工中排水保障措施十二、安全生产与文明施工措施 (一)安全生产得措施 (二)现场文明施工得措施十三、成品保护与降低成本措施 (一)项目部建立成品保护组织机构(二)各施工专业制定本专业得成品保护措施 (三)降低工程成本措施十四、与建设方与工程总承包方及监理方得配合措施(一)与建设方得配合(二)与工程总承包方得配合(三)服从监理方得管理十五、工期保证措施十六、竣工验收(一)竣工验收流程图(二)竣工资料收集整理十七、竣工验收后得服务 (一)建立保修制度 (二)提供技术服务 (三)建立回访制度编制说明一、编制依据1、本施工组织设计(以下简称“本设计”)编制得依据就是:招标文件及参考预算价。2、本施工组织设计将以下列国家施工及验收法律规范、设计法律规范与有关质量评定标准作为对本工程质量管理与控制得支持性文件: (1)《火灾自动报警系统设计法律规范》(GB501 1 6—9 8) (2)《建筑设计防火法律规范》(GBJ16-87) (3)《高层民用建筑设计防火法律规范》(GB 50 045-95)(4)《民用建筑电气设计法律规范》(JGJ 1 6—2025) (5)《电气装置安装工程施工及验收法律规范》(GB 5 0303—2025)一、消防工程概况(一)火灾自动报警系统本工程火灾自动报警系统采纳计算机通讯技术报警及联动控制,消防控制室设消防报警控制、联动控制、火灾事故广播设备、消防专用电话总机、电源设备等,设火灾报警探测器、手动报警按钮、紧急广播扬声器、火警电话插孔等。二、工程质量工程质量:合格三、施工部署: (一)施工部署原则: 1、集中力量保重点、保工期,在人力、物资、机具、...

1、当您付费下载文档后,您只拥有了使用权限,并不意味着购买了版权,文档只能用于自身使用,不得用于其他商业用途(如 [转卖]进行直接盈利或[编辑后售卖]进行间接盈利)。
2、本站所有内容均由合作方或网友上传,本站不对文档的完整性、权威性及其观点立场正确性做任何保证或承诺!文档内容仅供研究参考,付费前请自行鉴别。
3、如文档内容存在违规,或者侵犯商业秘密、侵犯著作权等,请点击“违规举报”。

碎片内容

消防工程施工组织设计方案

您可能关注的文档

确认删除?
VIP
微信客服
  • 扫码咨询
会员Q群
  • 会员专属群点击这里加入QQ群
客服邮箱
回到顶部