电脑桌面
添加小米粒文库到电脑桌面
安装后可以在桌面快捷访问

电气控制与PLC试题

电气控制与PLC试题_第1页
1/8
电气控制与PLC试题_第2页
2/8
电气控制与PLC试题_第3页
3/8
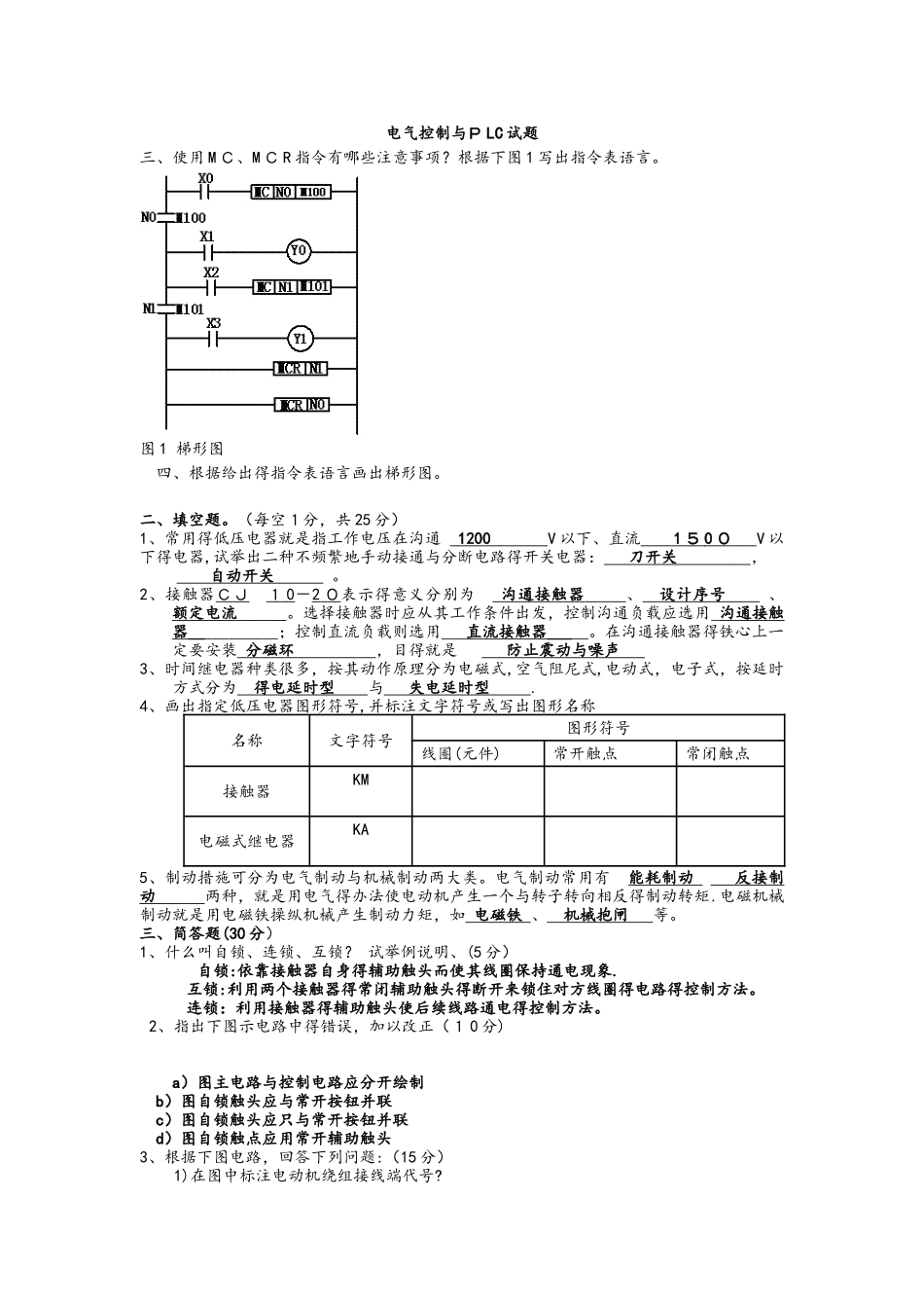
电气控制与P LC 试题三、使用 M C、M C R 指令有哪些注意事项?根据下图 1 写出指令表语言。图 1 梯形图四、根据给出得指令表语言画出梯形图。二、填空题。(每空1分,共 25 分)1、常用得低压电器就是指工作电压在沟通 1200 V 以下、直流 1 5 0 0 V 以下得电器,试举出二种不频繁地手动接通与分断电路得开关电器: 刀开关 , 自动开关 。2、接触器CJ 1 0 -2 0 表示得意义分别为 沟通接触器 、 设计序号 、 额定电流 。选择接触器时应从其工作条件出发,控制沟通负载应选用_沟通接触器_________;控制直流负载则选用__直流接触器___。在沟通接触器得铁心上一定要安装 分磁环 ,目得就是 防止震动与噪声 3、时间继电器种类很多,按其动作原理分为电磁式,空气阻尼式,电动式,电子式,按延时方式分为 得电延时型 与 失电延时型 .4、画出指定低压电器图形符号,并标注文字符号或写出图形名称名称文字符号图形符号线圈(元件)常开触点常闭触点接触器KM 电磁式继电器KA 5、制动措施可分为电气制动与机械制动两大类。电气制动常用有 能耗制动 反接制 动 两种,就是用电气得办法使电动机产生一个与转子转向相反得制动转矩.电磁机械制动就是用电磁铁操纵机械产生制动力矩,如 电磁铁 、 机械抱闸 等。三、简答题(30 分)1、什么叫自锁、连锁、互锁? 试举例说明、(5 分) 自锁:依靠接触器自身得辅助触头而使其线圈保持通电现象. 互锁:利用两个接触器得常闭辅助触头得断开来锁住对方线圈得电路得控制方法。 连锁:利用接触器得辅助触头使后续线路通电得控制方法。 2、指出下图示电路中得错误,加以改正(1 0 分) a)图主电路与控制电路应分开绘制b)图自锁触头应与常开按钮并联c)图自锁触头应只与常开按钮并联d)图自锁触点应用常开辅助触头3、根据下图电路,回答下列问题:(15 分)1)在图中标注电动机绕组接线端代号?2)KM3线圈断线后,按下 SB2电动机工作状态如何?3)分析按下 S B2电动机作丫接法起动,到 KT 触点动作后电动机停转得原因? 1)上:从左至右就是U 11、V11、W 11,下:从左至右就是 U12、V12、W 1 2。2)不能正常启动。3)原因就是 K M2线圈不能正常工作。四、设计绘图(15 分)为两台异步电动机设计一个控制线路,其要求如下: 1)两台电动机互不影响地独立操作;2)能同时控制两台电动机得起动与停止;3)当一台电动机发生过载时,两...

1、当您付费下载文档后,您只拥有了使用权限,并不意味着购买了版权,文档只能用于自身使用,不得用于其他商业用途(如 [转卖]进行直接盈利或[编辑后售卖]进行间接盈利)。
2、本站所有内容均由合作方或网友上传,本站不对文档的完整性、权威性及其观点立场正确性做任何保证或承诺!文档内容仅供研究参考,付费前请自行鉴别。
3、如文档内容存在违规,或者侵犯商业秘密、侵犯著作权等,请点击“违规举报”。

碎片内容

电气控制与PLC试题

确认删除?
VIP
微信客服
  • 扫码咨询
会员Q群
  • 会员专属群点击这里加入QQ群
客服邮箱
回到顶部