电脑桌面
添加小米粒文库到电脑桌面
安装后可以在桌面快捷访问

福建八方拓福仓储物流中心工程监理月报

福建八方拓福仓储物流中心工程监理月报_第1页
1/6
福建八方拓福仓储物流中心工程监理月报_第2页
2/6
福建八方拓福仓储物流中心工程监理月报_第3页
3/6
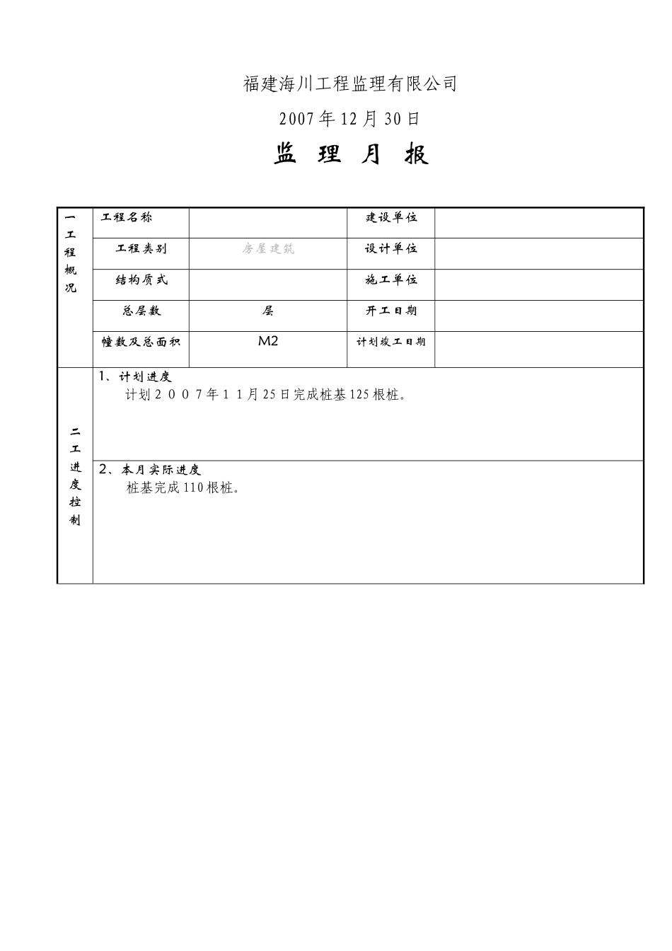
海川 监理 编号: HC-- 福建八方拓福仓储物流中心工 程监 理 月 报第( 二 )期 年 度 月 份: 编 制 人: 总监理工程师: 福建海川工程监理有限公司2007 年 12 月 30 日监 理 月 报一工 程 概 况工程名称建设单位工程类别房屋建筑设计单位结构质式施工单位总层数层开工日期幢数及总面积M2计划竣工日期二工进度控制1、计划进度计划2007年11月 25 日完成桩基 125 根桩。2、本月实际进度桩基完成 110 根桩。3、计划与实际进度对比及实行的措施效果分析对比:原计划11月 25 日完成桩基 125 根桩,实际至 11 月 30 日才完成 110 根桩,估计 12月 2 日全部完成,延误工期 7 天。措施:①审查专项方案;② 施工场地例会,专题会议协调;③ 及时以口头及书面通知施工单位对存在的质量问题进行整改,复检合格后,方进入下道工序施工;④ 旁站、巡视桩基施工全过程。效果:与计划比工期已滞后。三工程质量控制1、本月工程质量情况:桩基预应力管桩施工 110 根桩,施工质量符合设计及法律规范要求。2、本月实行的工程质量措施及效果:措施:①审查专项方案;② 施工场地例会,专题会议协调;③ 及时以口头及书面通知施工单位对存在的质量问题进行整改,复检合格后,方进入下道工序施工;④ 旁站、巡视桩基施工全过程。效果:质量符合合同规定。四工程造价控制1、工程造价审核支付情况:本月无工程款支付。2、工程造价控制所实行措施及效果:措施:①编制〈投资监理细则〉② 严格审查签证;③ 预防索赔;④ 熟悉合同条款。效果:造价控制在投资计划内。五安1、本月安全文明施工情况:施工场地无发生安全事故,文明施工基本正常。全文明控制2、 本月实行安全控制措施及效果分析:措施:① 审查安全专项方案,编制安全监理细则;② 检查施工中存在的安全隐患,及时发出监理通知;③ 在施工场地例会中,对安全隐患要求整改。效果:施工场地未发生安全问题。六合同管理1、工程变更2007-12-14 收到设计修改通知书一份,内容:桩位调整及补桩、预埋螺栓结构图2、 工程延期本月无工程延期。3、 费用索赔本月无费用索赔七本月监理工作总结1、对本月进度、质量、工程款支付等方面情况的综合评价: 进度计划延误 7 天;桩基施工质量符合设计及法律规范要求。2、本月监理工作情况:① 审查单位资质、人员资质;② 施工过程中检查管理人员到岗、特别工种人员持证上岗;③ 对管桩的外观...

1、当您付费下载文档后,您只拥有了使用权限,并不意味着购买了版权,文档只能用于自身使用,不得用于其他商业用途(如 [转卖]进行直接盈利或[编辑后售卖]进行间接盈利)。
2、本站所有内容均由合作方或网友上传,本站不对文档的完整性、权威性及其观点立场正确性做任何保证或承诺!文档内容仅供研究参考,付费前请自行鉴别。
3、如文档内容存在违规,或者侵犯商业秘密、侵犯著作权等,请点击“违规举报”。

碎片内容

福建八方拓福仓储物流中心工程监理月报

确认删除?
VIP
微信客服
  • 扫码咨询
会员Q群
  • 会员专属群点击这里加入QQ群
客服邮箱
回到顶部