电脑桌面
添加小米粒文库到电脑桌面
安装后可以在桌面快捷访问

综合楼冬季施工技术交底

综合楼冬季施工技术交底_第1页
1/20
综合楼冬季施工技术交底_第2页
2/20
综合楼冬季施工技术交底_第3页
3/20
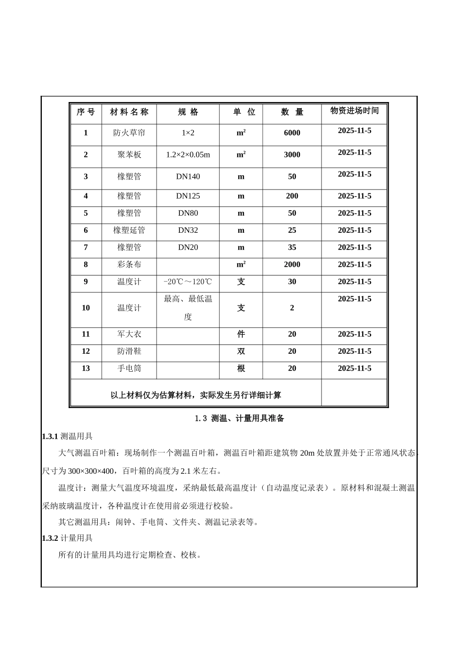
交底内容:依据万泉寺综合楼冬施方案,编制此技术交底进入冬期法律规范规定 根据国家法律规范要求,当室外日平均气温连续 5d 稳定低于 5℃,或最低气温降低到 0℃及其以下时进入冬施阶段。当室外日平均气温连续 5d 高于 5℃时解除冬期施工。根据北京市历年统计资料表明,北京地区的冬期施工为每年 11 月 15 日至次年的 3 月 15 日,持续时间为 120 天左右。在特别情况下,如非常态的气温骤降,且因气温下降对相应施工项目产生影响的,相应施工项目应执行本冬期施工方案。1 施工准备1.1 技术准备1.1.1 冬期培训1.1.1.1 对管理人员的培训:通过培训使全体施工管理人员了解冬施任务、特点,应该注意和掌握的问题。培训的内容包括:学习有关冬施的法律规范、规程、有关理论和技术,以及上级主管部门关于冬期施工的规定和实行的措施等。在培训中,要使全体施工管理人员明确施工的特别性,强化施工的管理意识,在组织施工的过程中科学的统筹安排劳动力,使冬期施工的全过程工作全面,顺利进行。1.1.1.2 对作业工人的培训:有关冬季施工的技术、质量、安全等方面的特别要求,学习冬施方案等。1.1.1.3 对特别工种人员的培训:对特别工种人员如架子工、直螺纹连接工、砼工操作人员进行冬期施工的培训。1.1.2 进入冬期施工前,对试验人员、掺外加剂人员(砂浆拌制)、测温人、保温人、特别工种人员以及其他所有参加冬施的人员,组织专门技术业务培训,学习本工作范围内的有关知识,明确职责,经考试合格后,方准上岗工作。1.1.3 本工程的混凝土工程全部使用商品混凝土,充分利用商品混凝土生产能力强、可直接泵送到位的优势,能够同时解决工期、冬施混凝土质量保证等问题。1.1.4 为保证冬施时工程质量,确保砼强度达到规定值要求,现场设置标养箱,配备必要的设备及检测仪器,定时做与结构构件同条件养护和标养砼试块,按时测定砼养护温度、出罐温度、入模温度及大气温度,发现温度突然下降时,及时实行有效保温措施。1.1.5 室内保温:楼面砼用塑料布覆盖加双层保温防火草帘。1.1.6 混凝土工程冬季施工所用的外加剂必须是北京市建委推举的合格产品。1.1.7 将冬期施工方案对全体管理人员及外施工队的技术人员进行交底、学习培训,做到清楚、彻底、技术措施的有用性、可操作性,人人重视冬施,人人管好冬施。1.1.8 凡进行冬期施工的工程项目,必须复核施工图纸,查对其是否能适应冬期施工要求。编制有针对性的冬期施工方案。冬...

1、当您付费下载文档后,您只拥有了使用权限,并不意味着购买了版权,文档只能用于自身使用,不得用于其他商业用途(如 [转卖]进行直接盈利或[编辑后售卖]进行间接盈利)。
2、本站所有内容均由合作方或网友上传,本站不对文档的完整性、权威性及其观点立场正确性做任何保证或承诺!文档内容仅供研究参考,付费前请自行鉴别。
3、如文档内容存在违规,或者侵犯商业秘密、侵犯著作权等,请点击“违规举报”。

碎片内容

综合楼冬季施工技术交底

您可能关注的文档

确认删除?
VIP
微信客服
  • 扫码咨询
会员Q群
  • 会员专属群点击这里加入QQ群
客服邮箱
回到顶部