电脑桌面
添加小米粒文库到电脑桌面
安装后可以在桌面快捷访问

货物运输装载加固方案

货物运输装载加固方案_第1页
1/15
货物运输装载加固方案_第2页
2/15
货物运输装载加固方案_第3页
3/15
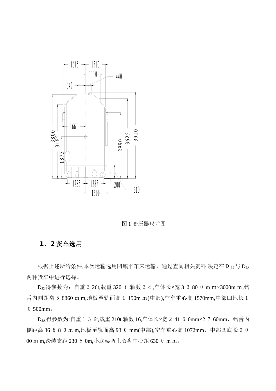
货物运输装载加固方案1、变压器装载加固方案1、1变压器规格尺寸德阳站发闵行站变压器一件,重量为 19 5 t,长度为 88 1 0m m,宽度为33 2 2 mm,高度为 3 9 10mm;支重面长度为 7980mm,宽度为 2570m m;重心位于变压器纵中心线所在垂直平面上、支重面长度得中央,至变压器一端距离为4 5 35 mm,至另一端距离为 4 2 75mm,距底部高度为 1 8 75mm,如图 1 所示。货物运输装载加固方案 AB图 1 变压器尺寸图1、2 货车选用根据上述所给条件,本次运输选用凹底平车来运输,通过查阅相关资料,决定在D 32与 D2A两种货车中进行选择。D32得参数为:自重2 26t,载重 320 t,轴数24,车体长×宽 3 3 80 0 m m×3000m m,钩舌内侧距离5 8860 m m,地板至轨面高1 150m m(中部),空车重心高 1570mm,中部凹地长10 500mm。D2A得参数为:自重13 6t,载重 210t,轴数 16,车体长×宽2 41 5 0mm×2 7 60mm,钩舌内侧距离 36 8 8 0m m,地板至轨面高 93 0 mm(中部),空车重心高 1072mm,中部凹底长9000 m m,跨装支距 230 5 0m,小底架两上心盘中心距 630 0 m m。(1)由于 D 3 2长达货物车得中部凹底长为10 500mm,变压器重心所在垂直面至变压器一端距离为 4 5 35 m m,另一端距离为 427 5 mm,可以使变压器得重心落在车辆横中心线与纵中心线得交点上。 在这种装载方案下,重车重心高为:H==224 3、9mm(2)由于 D2A长达货物车得中部凹底长为 900 0 mm,变压器重心所在垂直面至变压器一端距离为 4 5 35m m,另一端距离为 4275mm,变压器得重心无法落在车辆横中心线与纵中心线得交点上,因此在装载时,可以实行重心偏离车辆横向中心线得方式装载,此时需要进行验证方案可行性:需要偏移量:a 需 = 1/2 ×(4535 - 4 2 7 5)= 130mmP容 – Q = 210 – 195 = 15 > 10t,故货物重心偏离车辆横中心线最大容许距离:A 容 = 5 l / Q = 5×23 0 5 0/195 = 5 9 1 m m > a 需因此,此方案可行。此时,重车重心高为:H = ==1906、41 m m由于我国铁路规定长大货物车重车重心高一般不得超过2 000m m,因此很明显,此次货物运输采纳 D 2 A货车。1、3 装载方案(1)重车重心高度经上述计算,确定重车重心高度为 1 9 06、4 1m m。(2)超限等级计算由于货物不就是等断面体,故选取 A、...

1、当您付费下载文档后,您只拥有了使用权限,并不意味着购买了版权,文档只能用于自身使用,不得用于其他商业用途(如 [转卖]进行直接盈利或[编辑后售卖]进行间接盈利)。
2、本站所有内容均由合作方或网友上传,本站不对文档的完整性、权威性及其观点立场正确性做任何保证或承诺!文档内容仅供研究参考,付费前请自行鉴别。
3、如文档内容存在违规,或者侵犯商业秘密、侵犯著作权等,请点击“违规举报”。

碎片内容

货物运输装载加固方案

您可能关注的文档

确认删除?
VIP
微信客服
  • 扫码咨询
会员Q群
  • 会员专属群点击这里加入QQ群
客服邮箱
回到顶部