电脑桌面
添加小米粒文库到电脑桌面
安装后可以在桌面快捷访问

钢支撑安装工程技术交底

钢支撑安装工程技术交底_第1页
1/10
钢支撑安装工程技术交底_第2页
2/10
钢支撑安装工程技术交底_第3页
3/10
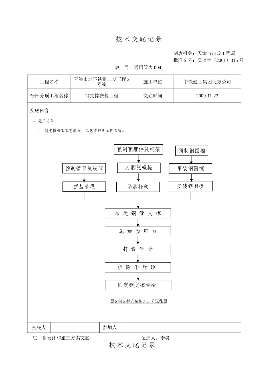
技 术 交 底 记 录制表机关:天津市市政工程局批准文号:质监字〔2001〕315 号 表 号:通用管表 004注:含设计和施工方案交底。 记录人:李昊工程名称天津市地下铁道二期工程 2号线施工单位中铁建工集团北方公司分部分项工程名称钢支撑安装工程交底时间2009-11-23交底内容:一、施工范围及内容靖江路站明挖基坑标准段共设有 5 层水平钢支撑,第三层为双拼钢支撑,2 号出入口为三层钢支撑,其中出入口北侧和东西两侧地下墙采钻孔灌注桩围护,第二、三、道钢支撑与灌注桩接触面之间设置钢围檩,如图 1 所示。钢支撑与围檩节点图,刚挂件要求钢板厚度为 20mm,图 2 所示,有斜撑处支撑两端设置抗剪蹬。第一道钢支撑支撑于顶圈梁预埋钢板上,第二、三、道支撑南侧直接顶在地连墙上,当有钢围檩时,预埋底座焊接于钢围檩上或直接顶到围檩上。水平间距标准段为 2450~3200mm。钢支撑型号为:第一道支撑采纳 Φ600mm 钢管,壁厚 12mm;其他支撑采纳 Φ609mm 钢管,壁厚16mm;钢材材质均为 Q235。钢支撑安装时预加 50%的支撑设计轴力。支撑钢管的连接采纳高强螺栓。交底人参加人技 术 交 底 记 录制表机关:天津市市政工程局批准文号:质监字〔2001〕315 号 表 号:通用管表 004注:含设计和施工方案交底。 记录人:李昊技 术 交 底 记 录工程名称天津市地下铁道二期工程 2号线施工单位中铁建工集团北方公司分部分项工程名称钢支撑安装工程交底时间2009-11-23交底内容:二、施工方法1、钢支撑施工工艺流程,工艺流程图如图 6 所示图 5 钢支撑安装施工工艺流程图 交底人参加人预制管节及端节预制预埋件及托架打膨胀螺栓安装钢围檩吊装钢围檩吊 运 钢 管 支 撑拼装节段施 加 预 应 力打 设 隼 子拆 除 千 斤 顶 吊装托架固定钢支撑两端 预制钢围檩制表机关:天津市市政工程局批准文号:质监字〔2001〕315 号 表 号:通用管表 004注:含设计和施工方案交底。 记录人:李昊技 术 交 底 记 录工程名称天津市地下铁道二期工程 2号线施工单位中铁建工集团分部分项工程名称钢支撑安装工程交底时间2009-11-23交底内容:1、内支撑体系的加工(1)、支托体系支撑托架分为两种,一种为直撑托架,直撑托架型式如图 8、图 9 所示。一种为斜撑托架,斜撑托架型式如图 10所示。钢支撑托架用 YG2 型 M22(L=200mm)膨胀螺栓固定在地下连续墙上。背后有钢围檩时,托架直接焊接在钢围檩上,...

1、当您付费下载文档后,您只拥有了使用权限,并不意味着购买了版权,文档只能用于自身使用,不得用于其他商业用途(如 [转卖]进行直接盈利或[编辑后售卖]进行间接盈利)。
2、本站所有内容均由合作方或网友上传,本站不对文档的完整性、权威性及其观点立场正确性做任何保证或承诺!文档内容仅供研究参考,付费前请自行鉴别。
3、如文档内容存在违规,或者侵犯商业秘密、侵犯著作权等,请点击“违规举报”。

碎片内容

钢支撑安装工程技术交底

您可能关注的文档

确认删除?
VIP
微信客服
  • 扫码咨询
会员Q群
  • 会员专属群点击这里加入QQ群
客服邮箱
回到顶部