电脑桌面
添加小米粒文库到电脑桌面
安装后可以在桌面快捷访问

铁路工程施工监理规划

铁路工程施工监理规划_第1页
1/47
铁路工程施工监理规划_第2页
2/47
铁路工程施工监理规划_第3页
3/47
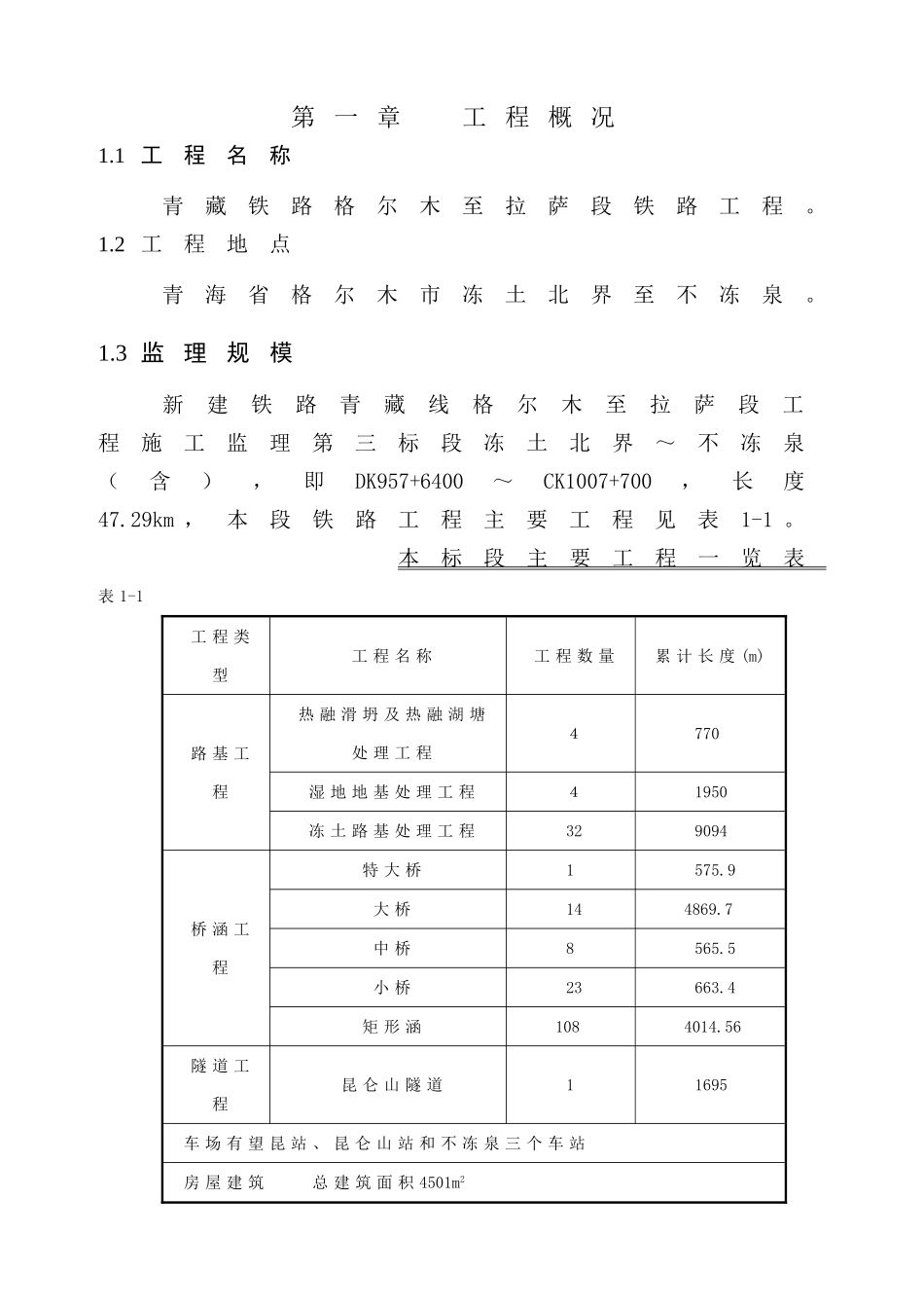
监 理 规 划第 一 章 工 程 概 况1.1 工程名称青藏铁路格尔木至拉萨段铁路工程。1.2 工程地点青海省格尔木市冻土北界至不冻泉。1.3 监理规模新建铁路青藏线格尔木至拉萨段工程施工监理第三标段冻土北界~不冻泉(含),即DK957+6400~CK1007+700,长度47.29km ,本段铁路工程主要工程见表1-1 。 本标段主要工程一览表 表 1-1工 程 类型工 程 名 称工 程 数 量累 计 长 度 (m)路 基 工程热 融 滑 坍 及 热 融 湖 塘处 理 工 程4770湿 地 地 基 处 理 工 程41950冻 土 路 基 处 理 工 程329094桥 涵 工程特 大 桥1575.9大 桥144869.7中 桥8565.5小 桥23663.4矩 形 涵1084014.56隧 道 工程昆 仑 山 隧 道11695车 场 有 望 昆 站 、 昆 仑 山 站 和 不 冻 泉 三 个 车 站房 屋 建 筑 总 建 筑 面 积 4501m2本标段全部在多年冻土地段,桥梁基础主要为桩基,昆仑山隧道属多年冻土区隧道,进口有厚层地下水。1.4 建设单位铁道部工程管理中青藏铁路工程建设总指挥部。1.5 设计单位铁道第一勘察设计院1.5 承建单位本公司监理站所辖施工段承建单位为中铁五局集团公司。1.6 监理单位铁道第一勘察设计院工程建设监理公司。1.7 工程计划工期:2 年。1.8 线路主要技术标准线路等级:线下工程Ⅰ级;正线数目:单线;限制坡度:20‰;最小曲线半径:800 米,困难地段600米;牵引种类:内燃,预留电气化条件;机车类型:近期:DF8B到发线有效长度:650 米;预留850 米;闭塞方式:自动站间闭塞第 二 章 监 理 工 作 依 据 及 范 围2.1 监理工作依据⑴. 国家建设部、铁道部颁布的有关工程建设的政策、法规、法律规范和技术标准。⑵. 建设单位与施工单位签定的《施工承包合同》。⑶. 建设单位与监理单位签定的《监理合同》。⑷. 青藏铁路工程系列暂行规定及细则。2.2 监理阶段:施工监理。2.3 监理工作范围DK957+640 ~CK1007+700, 全长47.29km 的土建工程。第 三 章 监 理 目 标根据建设单位的监理委托要求,遵循“严格、公正、科学、求实”的监理宗旨,通过目标规划,动态监控和风险管理,仔细履行《监理合同》,实行全过程、全方位监理,通过与业主、施工及工程建设有关单位密切合作,努力实现以下目标:投资目标:严格工程计量、控制变更、减少索赔、力争控制在合同价以内。质量目标:工程一次验收合格率达到 100%,优良率...

1、当您付费下载文档后,您只拥有了使用权限,并不意味着购买了版权,文档只能用于自身使用,不得用于其他商业用途(如 [转卖]进行直接盈利或[编辑后售卖]进行间接盈利)。
2、本站所有内容均由合作方或网友上传,本站不对文档的完整性、权威性及其观点立场正确性做任何保证或承诺!文档内容仅供研究参考,付费前请自行鉴别。
3、如文档内容存在违规,或者侵犯商业秘密、侵犯著作权等,请点击“违规举报”。

碎片内容

铁路工程施工监理规划

确认删除?
VIP
微信客服
  • 扫码咨询
会员Q群
  • 会员专属群点击这里加入QQ群
客服邮箱
回到顶部