电脑桌面
添加小米粒文库到电脑桌面
安装后可以在桌面快捷访问

08—石材安装技术交底

08—石材安装技术交底_第1页
1/3
08—石材安装技术交底_第2页
2/3
08—石材安装技术交底_第3页
3/3
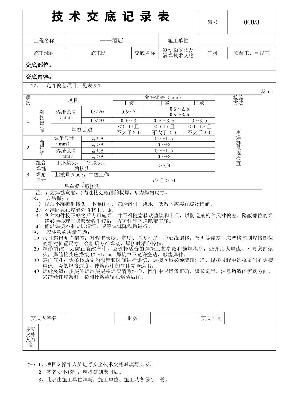
注:1、项目对操作人员进行安全技术交底时填写此表。2、签名处不够时,应将签到表附后。3、此表由施工单位填写,施工单位、施工队各保存一份。技 术 交 底 记 录 表编号008/1工程名称——酒店施工单位施工班组施工队交底名称钢结构安装及满焊技术交底工种安装工、电焊工交底部位:交底内容:一、施工准备;1、 电焊条:其型号按设计要求选用,必须有质量证明书。按要求施焊前经过烘焙。严禁使用药皮脱落、焊芯生锈的焊条。设计无规定时,焊接 Q235 钢时宜选用 E43 系列碳钢结构焊条;焊接 16Mn 钢时宜选用E50 系列低合金结构钢焊条;焊接重要结构时宜采纳低氢型焊条(碱性焊条)。按说明书的要求烘焙后,放入保温桶内,随用随取。酸性焊条与碱性焊条不准混杂使用。2、 引弧板:用坡口连接时需用弧板,弧板材质和坡口型式应与焊件相同。3、 主要机具:电焊机(交、直流)、焊把线、焊钳、面罩、小锤、焊条烘箱、焊条保温桶、钢丝刷、石棉条、测温计等。二、作业条件;1、 熟悉图纸,做焊接工艺技术交底。2、 施焊前应检查焊工合格证有效期限,应证明焊工所能承担的焊接工作。3、 现场供电应符合焊接用电要求。4、 环境温度低于 0℃,对预热,后热温度应根据工艺试验确定。三、操作工艺;1、 作业准备→电弧焊接(平焊、立焊、横焊、仰焊)→焊缝检查。2、 选择合格的焊接工艺,焊条直径,焊接电流,焊接速度,焊接电弧长度等,通过焊接工艺试验验证。3、 清理焊口:焊前检查坡口、组装间隙是否符合要求,定位焊是否牢固,焊缝周围不得有油污、锈物。4、 烘焙焊条应符合规定的温度与时间,从烘箱中取出的焊条,放在焊条保温桶内,随用随取。5、 焊接电流:根据焊件厚度、焊接层次、焊条型号、直径、焊工熟练程度等因素,选择适宜的焊接电流。6、 引弧:角焊缝起落弧点应在焊缝端部,宜大于 10mm,不应随便打弧,打火引弧后应立即将焊条从焊缝区拉开,使焊条与构件间保持 2~4mm 间隙产生电弧。对接焊缝及时接和角接组合焊缝,在焊缝两端设引弧板和引出板,必须在引弧板上引弧后再焊到焊缝区,中途接头则应在焊缝接头前方 15~20mm 处打火引弧,将焊件预热后再将焊条退回到焊缝起始处,把熔池填满到要求的厚度后,方可向前施焊。7、 焊接速度:要求等速焊接,保证焊缝厚度、宽度均匀一致,从面罩内看熔池中铁水与熔渣保持等距离(2~3mm)为宜。8、 焊接电弧长度:根据焊条型号不同而确定,一般要求电弧长度稳定不...

1、当您付费下载文档后,您只拥有了使用权限,并不意味着购买了版权,文档只能用于自身使用,不得用于其他商业用途(如 [转卖]进行直接盈利或[编辑后售卖]进行间接盈利)。
2、本站所有内容均由合作方或网友上传,本站不对文档的完整性、权威性及其观点立场正确性做任何保证或承诺!文档内容仅供研究参考,付费前请自行鉴别。
3、如文档内容存在违规,或者侵犯商业秘密、侵犯著作权等,请点击“违规举报”。

碎片内容

08—石材安装技术交底

确认删除?
VIP
微信客服
  • 扫码咨询
会员Q群
  • 会员专属群点击这里加入QQ群
客服邮箱
回到顶部