电脑桌面
添加小米粒文库到电脑桌面
安装后可以在桌面快捷访问

160m大跨度连续刚构施工组织设计

160m大跨度连续刚构施工组织设计_第1页
1/39
160m大跨度连续刚构施工组织设计_第2页
2/39
160m大跨度连续刚构施工组织设计_第3页
3/39
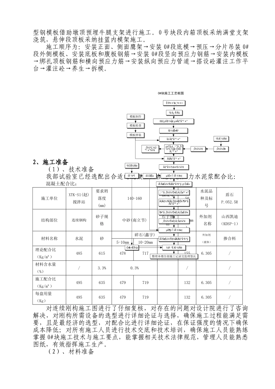
赵氏河特大桥主跨 160m 连续刚构施工组织设计一、工程概况(一)简介赵氏河特大桥跨赵氏河 90+160×4+90m 预应力混凝土连续梁,一联全长820m;桥梁双幅总宽为 34.5 米,单幅宽 17.25 米,0.5 米(防护栏)+15.25米(行车道)+3.0(防护栏)+15.25 米(行车道)+0.5 米(防护栏)。单幅桥面总宽 16.9m,梁部截面为单箱双室、变截面结构,箱底外宽11.4m;中支点处梁高 10m,梁端及跨中梁高 3.5m。顶板厚 30~50cm,腹板厚从 45cm 变化到 80cm,底板厚从 30cm 变化至 120cm。箱梁采纳三向预应力体系,梁部采纳 C50 聚丙烯纤维混凝土。主梁采纳挂蓝悬臂现浇法施工。各单“T”除 0 号块外分为 22 对梁端,其纵向分段长度为 5×2.5m+5×3m+6×3.5m+6×4m,对于边跨梁,增加了一段(4m)不对称段施工。0#块总长 13m,中跨、边跨合拢段长度均为 2m,边跨现浇段为 4.6m。悬臂现浇梁段最大重量为 228 吨,挂篮自重按 120 吨考虑。桥面铺装层为 10cm 厚的沥青混凝土+8cm 厚的 C40 混凝土,混凝土铺装内掺加聚丙烯纤维。桥面横坡为双向 2%,由箱梁顶面形成,箱梁底板横向保持水平。赵氏河特大桥主跨160m连续梁基本数据统计表 表1中心里程结构形式立交形式悬臂浇注段数最大节段长度砼标号K58+72590+160×4+90m跨赵氏河22段400cmC50(二)工程特点1、技术含量高,施工复杂赵氏河特大桥连续梁为单箱双室结构,采纳三项预应力体系,聚丙烯纤维混凝土,最大跨度为160m,技术含量高,施工过程控制困难。2、施工安全要求高160m连续梁由于墩高均在86m以上,施工时,对于安全及安全防护要求高,时刻监督检查施工中存在的安全隐患。二、施工计划安排(一)总体施工计划安排 赵氏河特大桥 90+160×4+90m 连续梁 2025 年 11 月 1 日开始施工,到2025 年 03 月 31 日结束(包括底板张拉完成),计划 13 月的时间。(二)各主要分项工程施工计划安排表 表 2 墩身0#块上挂蓝、预压1、2 块段3-23 块段合拢段实际施工工作日(日)备注7#-6#悬灌(2025.2.20 开工)501520168+15(多一个块段)20(2025.2.28)2882025.12 月不施工合拢段,2025年 1 月施工8#-7#悬灌(2025.2.20 开工)50152021*8=16820(2025.1.20)2732025.12 月不施工合拢段,2025年 1 月施工9#-8#悬灌(2025.2.20 开工)50152016820(2025.10.30)273 9#-10#悬灌(2025.2.20 开工)20152016820(2025.10.20完工)按 9-8 日期243 10#-11#悬...

1、当您付费下载文档后,您只拥有了使用权限,并不意味着购买了版权,文档只能用于自身使用,不得用于其他商业用途(如 [转卖]进行直接盈利或[编辑后售卖]进行间接盈利)。
2、本站所有内容均由合作方或网友上传,本站不对文档的完整性、权威性及其观点立场正确性做任何保证或承诺!文档内容仅供研究参考,付费前请自行鉴别。
3、如文档内容存在违规,或者侵犯商业秘密、侵犯著作权等,请点击“违规举报”。

碎片内容

160m大跨度连续刚构施工组织设计

确认删除?
VIP
微信客服
  • 扫码咨询
会员Q群
  • 会员专属群点击这里加入QQ群
客服邮箱
回到顶部