电脑桌面
添加小米粒文库到电脑桌面
安装后可以在桌面快捷访问

1埋地管道---钢质管道完整性标准体系

1埋地管道---钢质管道完整性标准体系_第1页
1/2
1埋地管道---钢质管道完整性标准体系_第2页
2/2
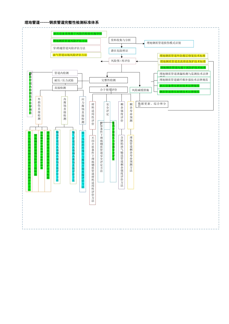
潜在危险分析风险预 / 再评估合于使用评价综合评价完整性检测数据收集分析及整合改造 / 修复B 类:聚乙烯管道( PE )A 类:钢质管道地质灾害 / 极端服役工况管段穿越管段跨越管段直接检测内检测内腐蚀外损伤应力腐蚀管线场站埋地管道完整性检验流程对应的法规标准GB/T 26610.1-2025 承压设备系统基于风险的检验实施导则GB/T 27512-2025 埋地钢质管道风险评估方法SY/T 6859-2025 油气输送管道风险评价导则SY/T 6891.1-2025 油气管道风险评价方法 第 1 部分半定量评价法风险评估类对应的法规标准一般风险评估技术法律规范和相关技术标准GB/T 30579-2025 承压设备损伤模式识别 埋地钢质管道损伤模式识别收集收集分析类GB/T 27699-2025 钢质管道内检测技术法律规范SY/T 6889-2025 管道内检测Q/SY 1267-2025 埋地管道内检测开挖验证法律规范内检测损伤识别SY/T 6621 输气管道系统完整性管理SY/T 6648 危险液体管道的完整性管理QSY 1180.1~8-2025 管道完整性管理法律规范GB/T XXXXX—XXXX 管道完整性管理法律规范法完整性管理类合于使用评价类GB/T19624-2025《在用含缺陷压力容器安全评定》SY/T6477.1-2000《含缺陷油气输送管道剩余强度评价方法 第 1 部分 体积型缺陷》SY/T 6477.2-2025《含缺陷油气输送管道剩余强度评价方法 第 2 部分 裂纹型缺陷》维修改造类GB/T 28055-2025 钢制管道带压封堵技术法律规范GB/T 26467-2025 承压设备带压密封技术法律规范SY/T 6470-2025 油气管道通用阀门操作维护检修规程SY/T 6068-2025 油气管道架空部分及其附属设施维护保养规程GB/T 50698-2025 埋地钢质管道沟通干扰防护技术标准SY/T 0017-2025 埋地钢质管道直流排流保护技术标准SY/T 5918-2025 埋地钢质管道外防腐层修复技术法律规范SY/T 6150.1-2025 钢制管道封堵技术规程SY/T 4110-2025 采纳聚乙烯内衬修复管道施工技术法律规范SY/T 6649-2025 原油、液化石油气及成品油管道维修推举作法内腐蚀直接检测SY/T 0087.1-2025 埋地钢质管道外腐蚀直接评价SY/T 0087.2-2025 埋地钢质管道内腐蚀直接评价基于风险的环境应力腐蚀开裂直接评估方法输气管道用高强管线钢內腐蚀直接评价方法输油管道用高强管线钢內腐蚀直接评价方法外损伤检测与评价GB/T 30582-2025 基于风险的埋地钢质管道外损伤检验评价腐蚀防护系统检测GB/T 19285-2025 埋地钢质管道腐蚀防护工程检验GB/T 21246-2025 埋地钢...

1、当您付费下载文档后,您只拥有了使用权限,并不意味着购买了版权,文档只能用于自身使用,不得用于其他商业用途(如 [转卖]进行直接盈利或[编辑后售卖]进行间接盈利)。
2、本站所有内容均由合作方或网友上传,本站不对文档的完整性、权威性及其观点立场正确性做任何保证或承诺!文档内容仅供研究参考,付费前请自行鉴别。
3、如文档内容存在违规,或者侵犯商业秘密、侵犯著作权等,请点击“违规举报”。

碎片内容

1埋地管道---钢质管道完整性标准体系

一二三四传媒+ 关注
实名认证
内容提供者

大量资料供您选择,没有合适的可以联系小二。

确认删除?
VIP
微信客服
  • 扫码咨询
会员Q群
  • 会员专属群点击这里加入QQ群
客服邮箱
回到顶部