电脑桌面
添加小米粒文库到电脑桌面
安装后可以在桌面快捷访问

pccp管线穿河工程施工组织设计

pccp管线穿河工程施工组织设计_第1页
1/22
pccp管线穿河工程施工组织设计_第2页
2/22
pccp管线穿河工程施工组织设计_第3页
3/22
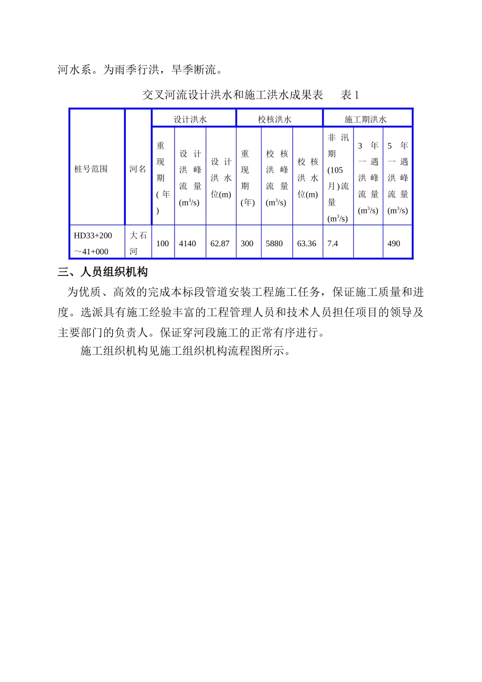
穿 XX 施工组织设计一、工程施工概况本标段为土建、安装第四标段,桩号为 HD33+200~HD41+000,线路中心线水平投影长度为 7.8km。主要工程项目有:PCCP 管安装、PCCP 管包封(含镇墩)、管线附属建筑物 连通、排气、排空等)、沟槽土石方开挖与回填、管基处理、河道护砌、观测仪器埋设安装、阴极保护设备安装、巡线路、沟槽两岸施工道路、社会道路交叉绕行辅道、施工导流与降水、xx 隧洞内 PCCP 管道安装及混凝土回填、穿铁路防护结构内 PCCP 管道安装及混凝土回填等。本标段建筑物有连通建筑物 1 座、排气阀井建筑物 13处、排空井建筑物 1 处、河道交叉 1 处(河道交叉为:大石河与 PCCP 管道交叉, 桩号为 HD33+890-HD34+257),公路交叉 1 处、铁路交叉外防护结构内PCCP 管安装与混凝土回填 1 处、隧洞内 PCCP 管安装及混凝土回填 1 处。本标段不含铁路交叉外防护结构;不含 HD37+910~HD38+390 段 xx 隧洞土建工程施工,且 HD38+390~38+450、HD37+850~37+910 土石方开挖计入xx 隧洞标段。施工工期为 xx 年 6 月—xx 年 11 月。穿河道施工日期为 xx 年 9 月—xx 年 8 月。本标段 PCCP 管线与大石河交叉桩号为 HD33+890-HD34+257。二、水文气象条件工程沿线地区属温带半干旱大陆性季风气候。四季分明,冬季最长,并有两个多月的结冰期,夏季次之,春夏最短。1、降水量:干渠沿线多年平均降水量在 590mm 左右,降水量年内分配不均匀,其中 6~8 月降水量占全年降水量的 75%以上。同时,山前雨量一般大于山后雨量。2、主要交叉河流设计洪水和施工洪水成果。本区地表水系以季节性河流为主,大石河流域面积大于 20km2,属大清河水系。为雨季行洪,旱季断流。交叉河流设计洪水和施工洪水成果表 表 1桩号范围河名设计洪水校核洪水施工期洪水重现期( 年)设 计洪 峰流 量(m3/s)设 计洪 水位(m)重现期(年)校 核洪 峰流 量(m3/s)校 核洪 水位(m)非 汛期(105月)流量(m3/s)3年一 遇洪 峰流 量(m3/s)5年一 遇洪 峰流 量(m3/s)HD33+200~41+000大石河100414062.87300588063.367.4490三、人员组织机构 为优质、高效的完成本标段管道安装工程施工任务,保证施工质量和进度。选派具有施工经验丰富的工程管理人员和技术人员担任项目的领导及主要部门的负责人。保证穿河段施工的正常有序进行。施工组织机构见施工组织机构流程图所示。目部主要人员及部门职责划分表 表 2序号人员或部门...

1、当您付费下载文档后,您只拥有了使用权限,并不意味着购买了版权,文档只能用于自身使用,不得用于其他商业用途(如 [转卖]进行直接盈利或[编辑后售卖]进行间接盈利)。
2、本站所有内容均由合作方或网友上传,本站不对文档的完整性、权威性及其观点立场正确性做任何保证或承诺!文档内容仅供研究参考,付费前请自行鉴别。
3、如文档内容存在违规,或者侵犯商业秘密、侵犯著作权等,请点击“违规举报”。

碎片内容

pccp管线穿河工程施工组织设计

确认删除?
VIP
微信客服
  • 扫码咨询
会员Q群
  • 会员专属群点击这里加入QQ群
客服邮箱
回到顶部