电脑桌面
添加小米粒文库到电脑桌面
安装后可以在桌面快捷访问

QC七大手法培训教材VIP专享

QC七大手法培训教材_第1页
1/7
QC七大手法培训教材_第2页
2/7
QC七大手法培训教材_第3页
3/7
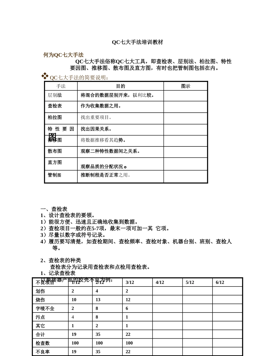
QC七大手法培训教材 何为QC七大手法 QC七大手法俗称QC七大工具,即查检表、层别法、柏拉图、特性要因图、推移图、散布图及直方图,有时也把管制图包括在内。QC七大手法的简要说明:一、查检表1、设计查检表的要领。1)能很方便、迅速且正确地收集到数据。2)查检项目一般约在5-7项,最末一项可加一其 它项。3)尽量以数字或符号记录。4)履历要写清楚,如查检期间、查检频率、查检对象、机器台别、班别、查检人等。2、查检表的种类 查检表分为记录用查检表和点检用查检表。1、记录查检表以换接器产品的胶壳不良为例:推断制程是否正常之用。管制图观察品质的分配状况。直方图观察二种特性数据间之关系。散布图将数据推移看其趋势。推移图找出因果关系。特 性 要 因图找出重要项目。柏拉图作为收集数据之用。查检表 将混合的数据层别开来,以利比较。层别法图示目的手法223519不良率100100100检查数223519合计121其它184污点682字唛不全121310烧伤242划伤6/125/124/123/122/121/12不良项目2、点检用查检表以下仪器点检表,供参考:3、使用查检表的注意事项:1) 必须依层别法收集有用数据。2) 收集之数据必须正确又可靠。3) 保持表单之洁净。4) 依规定时间填写。5) 查检表之设计应与使用人共同讨论。6) 字迹要清楚。7) 收集之数据要活用,不可存档了事。8) 查检人要签名以示负责。二、层别法1、层别法概念: 层别法就是对某一种问题,以各种不同角度收集数据,分别比较,以了解掌握其重点,进而实行进一步分析并下对策。2、层别法的想法: 当产品或过程发生任何不良或异常时,必须先找出真因,才能对症下药,再找出真因前必须以不同角度将之层别,如针对不同的原料、设备、位置等。3、层别法的层别方向: 应用层别法缩小问题范围时,必先依不同角度作层别,收集数据、统计分析,然后再作层别。×√√√开关√√√√外观1098765431项目点检日期4、层别法使用注意事项: 1)凡收集数据时,必须详细记载履历,否则无法层别。 2)不同方向之层别不可混在同一张查检表上。 3)层别的方向不限定只一个,只要有怀疑的地方,皆可透过层别加以探讨。三、柏拉图1、柏拉图的功用: 生产中发生不良的原因有很多,但实际影响较大的只有一、二项,不会超过三项,而此三项就占全部的60%~80%,只要能找出此三项关键点,问题就容易得到解决和改善。2、柏拉图的作法:1)要作柏拉图分析之前,必须先设计好查检表,并收集数据,现以换接器胶壳...

1、当您付费下载文档后,您只拥有了使用权限,并不意味着购买了版权,文档只能用于自身使用,不得用于其他商业用途(如 [转卖]进行直接盈利或[编辑后售卖]进行间接盈利)。
2、本站所有内容均由合作方或网友上传,本站不对文档的完整性、权威性及其观点立场正确性做任何保证或承诺!文档内容仅供研究参考,付费前请自行鉴别。
3、如文档内容存在违规,或者侵犯商业秘密、侵犯著作权等,请点击“违规举报”。

碎片内容

QC七大手法培训教材

确认删除?
VIP
微信客服
  • 扫码咨询
会员Q群
  • 会员专属群点击这里加入QQ群
客服邮箱
回到顶部