电脑桌面
添加小米粒文库到电脑桌面
安装后可以在桌面快捷访问

SX型钢支顶在工程中的应用

SX型钢支顶在工程中的应用_第1页
1/9
SX型钢支顶在工程中的应用_第2页
2/9
SX型钢支顶在工程中的应用_第3页
3/9
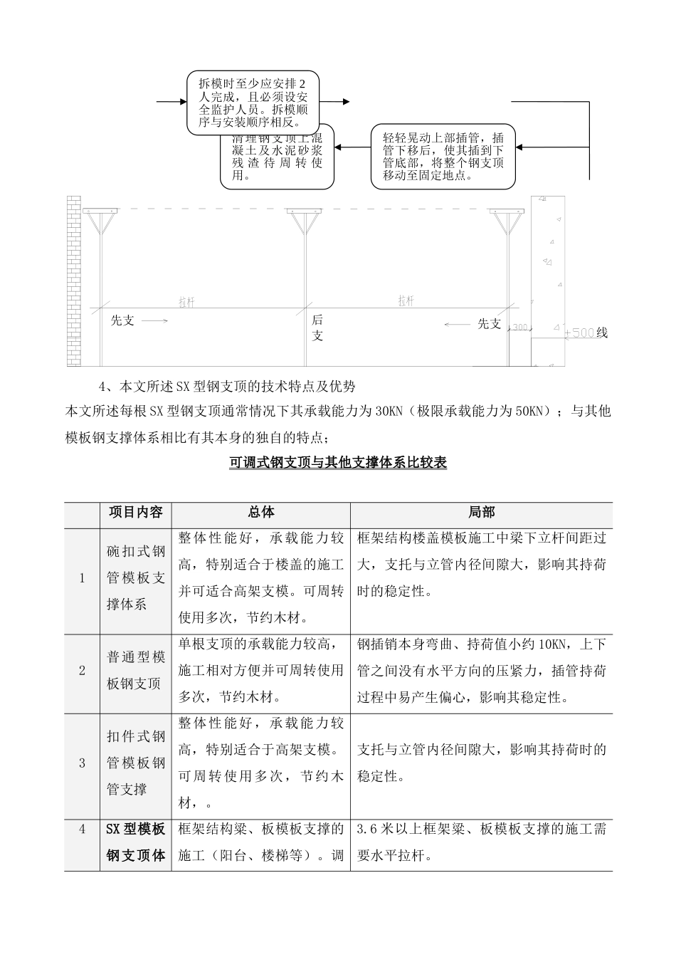
SX 型钢支顶在工程中的应用前言由我市多家建筑企业的工程技术人员历经 3 年多的共同协作攻关,终于研制成功 SX 新型钢支顶。沈阳市建委科学技处组织有关专家,对 SX 型钢支顶进行了技术论证,专家一致认为该产品符合节能、环保产业政策要求,具有一定的有用价值,可以开展产品推广工作。该支顶不但节约木材而且与现有的钢支撑相比具有其不可替代的优越性。使用 SX 型钢支顶按每平方米建筑面积可降低成本 1—1.5 元/m2。提高施工企业的经济效益和社会效益。一、可调式钢支撑各部件的组成及工作原理1、 4 个部件的组成示意图:采纳热轧无缝钢管(YB231-70)采纳优质碳素钢(GB699-65)钢支顶整体经过镀锌处理。防止生锈,降低使用寿命。2、工作原理在上插管外表面的 1/6 周长上加工出螺纹,钢支顶工作时主要通过上插管插入下套管内的螺纹相互咬合,将上插管所承受的竖向载荷传给下套管上。为了确保螺纹紧密咬合的工作状态,在下套管上安装横向滑块、楔键施加足够的水平压力,确保螺纹之间不产生任何滑动,具有自锁效果,确保竖向载荷的传递。3.实际施工操作时的操作程序(技术交底):1)支顶安装时操作程序:2)支顶拆模时操作程序:按模板设计的有关规定计算支顶上部所承受的荷载( 包 括 恒 载 、 活 载 组 合N1)。根据上部荷载计算所需支顶数量(每个支顶承载能力 N2 按 30KN 考虑)。即所需数量 n=N1/N2; 假如采纳商品混凝土等易产生堆积集冲击荷载时支顶数量应增加 10% ~ 15% ,即 n1=n[1+ ( 10 ~15% ) ] 。支顶安装施工顺序为先边缘后跨中。根据建筑物控制标高线及结构模板支撑高度确定支顶所需工作长度。将 钢 支 顶 平 放于 地 面 , 用 卷尺 量 出 支 顶 工作长度。用手锤敲击钢楔,使支顶处于锁定状态。支顶上部结构底摸安装时,由端部安装好的支顶上部挂线找平。跨 中 支 顶 安 装时,按支模方 案起拱高度等确定支 顶 的 工 作 长度。支顶工作高度超过 2.8m 或单根 支 顶 承 载 力 超 过 30KN后,增设总纵横方向的水平连接杆提高其整体稳定性。结 构 达 到 设计 强 度 或 法律 规 范 要 求时 方 能 拆 除支顶。支顶拆除时一只脚踩紧支顶底座,一只手握住上部插管。另一只手用手锤向上敲击钢楔,使其松动。线先支先支后支4、本文所述 SX 型钢支顶的技术特点及优势本文所述每根 SX 型钢支顶通常情况下其承载能力为 30KN(极限承...

1、当您付费下载文档后,您只拥有了使用权限,并不意味着购买了版权,文档只能用于自身使用,不得用于其他商业用途(如 [转卖]进行直接盈利或[编辑后售卖]进行间接盈利)。
2、本站所有内容均由合作方或网友上传,本站不对文档的完整性、权威性及其观点立场正确性做任何保证或承诺!文档内容仅供研究参考,付费前请自行鉴别。
3、如文档内容存在违规,或者侵犯商业秘密、侵犯著作权等,请点击“违规举报”。

碎片内容

SX型钢支顶在工程中的应用

您可能关注的文档

文森传品+ 关注
实名认证
内容提供者

一家传播文化教育的小店,资料丰富,随意挑选。

确认删除?
VIP
微信客服
  • 扫码咨询
会员Q群
  • 会员专属群点击这里加入QQ群
客服邮箱
回到顶部