电脑桌面
添加小米粒文库到电脑桌面
安装后可以在桌面快捷访问

三峡下岸溪砂石系统采场高边坡的设计与施工

三峡下岸溪砂石系统采场高边坡的设计与施工_第1页
1/6
三峡下岸溪砂石系统采场高边坡的设计与施工_第2页
2/6
三峡下岸溪砂石系统采场高边坡的设计与施工_第3页
3/6
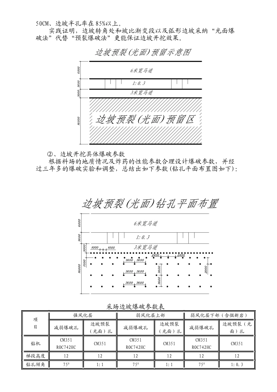
三峡下岸溪砂石系统采场高边坡的设计与施工本文主要介绍三峡下岸溪砂石系统采场高边坡的设计与施工。其施工工艺和各项设计参数对花岗岩地区的类似工程有着相当的参考价值。一、工程概况:1、概述下岸溪砂石系统采场位于三峡坝址下游左岸下岸溪东面的鸡公岭。采场开采范围:长 688M,宽 503.5M,水平投影面积 0.347KM2。采场所在山体总体较为完整,地势东高西低,地面高程一般为 ▽230-▽540M,最高为东北角的太极图,高达▽576.5M。山坡上陡下缓,地形坡角一般为 25-45 度,局部可达 50 度以上,甚至形成悬崖。2、工程地质采场出露的基岩主要是前震旦系斑状花岗岩,另有少量岩脉(以辉绿岩脉为主),占采场岩石总量的 1%左右。岩石的物理力学性质见下表:下岸溪砂石系统料场岩石物理力学性质一览表岩石名称风化带分部比重容重(KN/M3)抗压强度(MPA)吸水率(%)干饱和面干干湿斑状花岗岩弱风化上部2.6926.526.488.360.10.83弱风化下部2.69115.685.4微新岩2.6926.826.75175.1138.30.30辉绿岩类2.8427.627.71431180.24二、采场高边坡的设计:1、采场总体规划根据毛料的需求和采场地质、地形规划整个采场,具体规划见下图。2、具体设计采场开挖主要采纳钻爆法施工,自上而下分层开挖,台阶高度为12M,终采高程为292,从而将形成532-292 高达 240M 的高边坡。为保证高边坡的安全稳定、形象美观,对高边坡的施工作了特别的要求。具体设计如下:A.边坡坡比①、全风化层设计坡比为 1:1;②、强风化层和弱风化层上限设计坡比为 1:0.5;下岸溪砂石系统料场总平面图③、弱风化层下限以及微新岩层设计坡比一律为 1:0.3。B.边坡马道设置:①、每 12M 高(一个台阶)设置一条马道;②、宽度为 6M、3M 的马道间隔布置。C.边坡施工方法:①、全风化层采纳凿裂法(利用反铲一次性形成 1:1 的边坡);②、强风化层及其以下岩层均采纳钻爆法施工(预裂、光面爆破)。D.边坡防护①、全风化层以上采纳植草挂网(在草皮上覆盖一层塑料网)防护;②、全风化层以下,且边坡比较完整,岩石整体性较好,采纳素喷;③、边坡含夹层或破裂带,岩石节理裂隙比较发育,采纳挂网喷护;④、边坡上有较大的松动块或局部滑坡,采纳打锚筋的方法处理。三、具体施工工艺及参数:1、边坡开挖除全风化层采纳凿裂法施工外,其它岩层均采纳钻爆法施工。① 、边坡施工要求根据水利水电工程土石方开挖施工法律规范的要求再结合下岸溪采场的地质地形情况,对此...

1、当您付费下载文档后,您只拥有了使用权限,并不意味着购买了版权,文档只能用于自身使用,不得用于其他商业用途(如 [转卖]进行直接盈利或[编辑后售卖]进行间接盈利)。
2、本站所有内容均由合作方或网友上传,本站不对文档的完整性、权威性及其观点立场正确性做任何保证或承诺!文档内容仅供研究参考,付费前请自行鉴别。
3、如文档内容存在违规,或者侵犯商业秘密、侵犯著作权等,请点击“违规举报”。

碎片内容

三峡下岸溪砂石系统采场高边坡的设计与施工

您可能关注的文档

确认删除?
VIP
微信客服
  • 扫码咨询
会员Q群
  • 会员专属群点击这里加入QQ群
客服邮箱
回到顶部