电脑桌面
添加小米粒文库到电脑桌面
安装后可以在桌面快捷访问

住宅楼毕业设计计算书

住宅楼毕业设计计算书_第1页
1/30
住宅楼毕业设计计算书_第2页
2/30
住宅楼毕业设计计算书_第3页
3/30
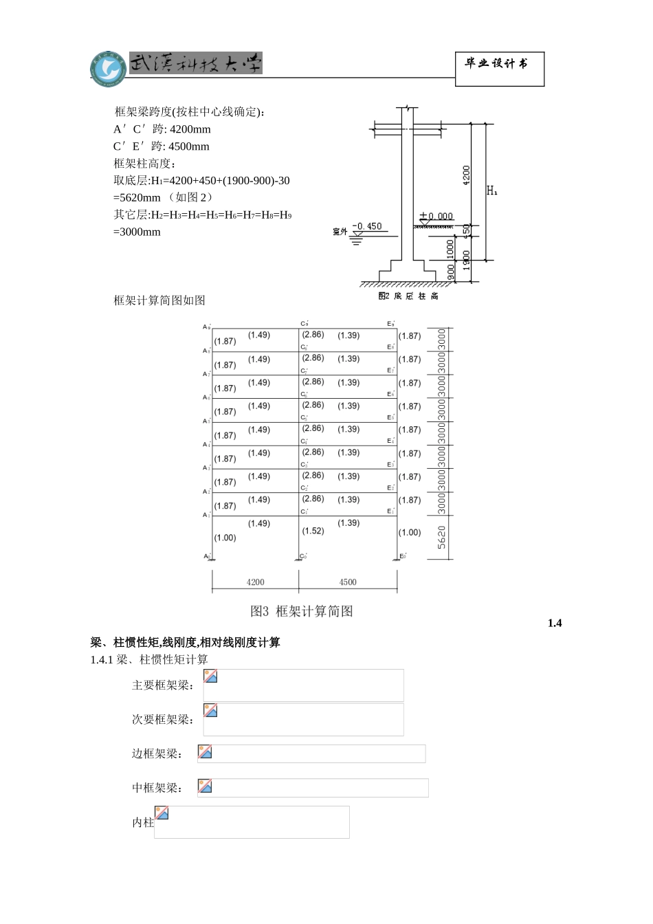
结构设计计算书一.设计概况1.建设项目名称:星海国际花园住宅楼(B 栋)2.建设地点:深圳市某地3.设计资料:3.1.地质水文资料:根据工程地质勘测报告,拟建场地地势平坦,表面为平均厚度 0.5m左右的杂填土,以下为 1.0m 左右的淤泥质粘土,承载力的特征值为 80 kN/m2,再下面为较厚的垂直及水平分布比较均匀的粉质粘土层,其承载力的特征值为 180kN/m2,可作为天然地基持力层。地下水位距地表最低为-0.8m,对建筑物基础无影响。3.2.气象资料:全年主导风向:偏南风 夏季主导风向:东南风 冬季主导风向:北偏西风 常年降雨量为:1283.70mm基本风压为:0.36kN/m2(B 类场地)基本雪压为:0.20kN/m23.3.抗震设防要求:七度二级设防3.4.底层室内主要地坪标高为±0.000,相当于绝对标高 31.45m。二.结构计算书1.结构布置方案及结构选型1.1.结构承重方案选择 根据建筑功能要求以及建筑施工的布置图,本工程确定采纳框架承重方案,框架梁、柱布置参见结构平面图。1.2.主要构件选型及尺寸初步估算1.2.1. 主要构件选型(1)梁﹑板﹑柱结构形式:现浇钢筋混凝土结构(2)墙体采纳:粉煤灰轻质砌块(3)墙体厚度:外墙:250mm,内墙:200mm(4)基础采纳:柱下独立基础1.2.2. 梁﹑柱截面尺寸估算(1) 主要承重框架:因为梁的跨度较接近(4500mm﹑4200mm),可取跨度较大者进行计算.取 L=4500mm h=(1/8~1/12)L=562.5mm~375mm 取 h=450mm. 225mm~150mm 取 b=250mm 满足 b>200mm 且 b 500/2=250mm故主要框架梁初选截面尺寸为:b×h=250mm×450mm(2) 次要承重框架: 取 L=3900mm h=(1/12~1/15)L=325mm~260mm 取 h=400mm 200mm~133mm 取 b=250mm故次要框架梁初选截面尺寸为:b×h=250mm×400mm (3)楼面连续梁 毕业设计书(4)框架柱:×3000=374.7mm~281mm b=(1~2/3)h 取 b=h① 按轴力估算:C'列柱: No=9×15.66m2×(10~14)KN/m2=1409.4KN~1973.16KN A'﹑E'列柱: No=9×8.1m2×(10~14)KN/m2=729KN~1020.6KN② 按轴压比验算:此建筑抗震等级为二级,=0.8 选 C30型混凝土 =14.3 N=(1.2~1.4)No C'列柱: A'﹑E'列柱: 故初选柱截面尺寸为:C'列柱: b×h=500mm×500mmA'﹑E'列柱:b×h=450mm×450mm1.3.确定结构计算简图⑴.三个假设:①平面结构假定:认为每一方向的水平力只由该方向的抗侧力结构承担,垂直于该方向的抗侧力结构不受力;②楼板在自身平面内在水平荷载作用下,框架之间不产生...

1、当您付费下载文档后,您只拥有了使用权限,并不意味着购买了版权,文档只能用于自身使用,不得用于其他商业用途(如 [转卖]进行直接盈利或[编辑后售卖]进行间接盈利)。
2、本站所有内容均由合作方或网友上传,本站不对文档的完整性、权威性及其观点立场正确性做任何保证或承诺!文档内容仅供研究参考,付费前请自行鉴别。
3、如文档内容存在违规,或者侵犯商业秘密、侵犯著作权等,请点击“违规举报”。

碎片内容

住宅楼毕业设计计算书

您可能关注的文档

确认删除?
VIP
微信客服
  • 扫码咨询
会员Q群
  • 会员专属群点击这里加入QQ群
客服邮箱
回到顶部