电脑桌面
添加小米粒文库到电脑桌面
安装后可以在桌面快捷访问

信达天御S1-18地块悬挑式脚手架施工方案技术交底

信达天御S1-18地块悬挑式脚手架施工方案技术交底_第1页
1/25
信达天御S1-18地块悬挑式脚手架施工方案技术交底_第2页
2/25
信达天御S1-18地块悬挑式脚手架施工方案技术交底_第3页
3/25
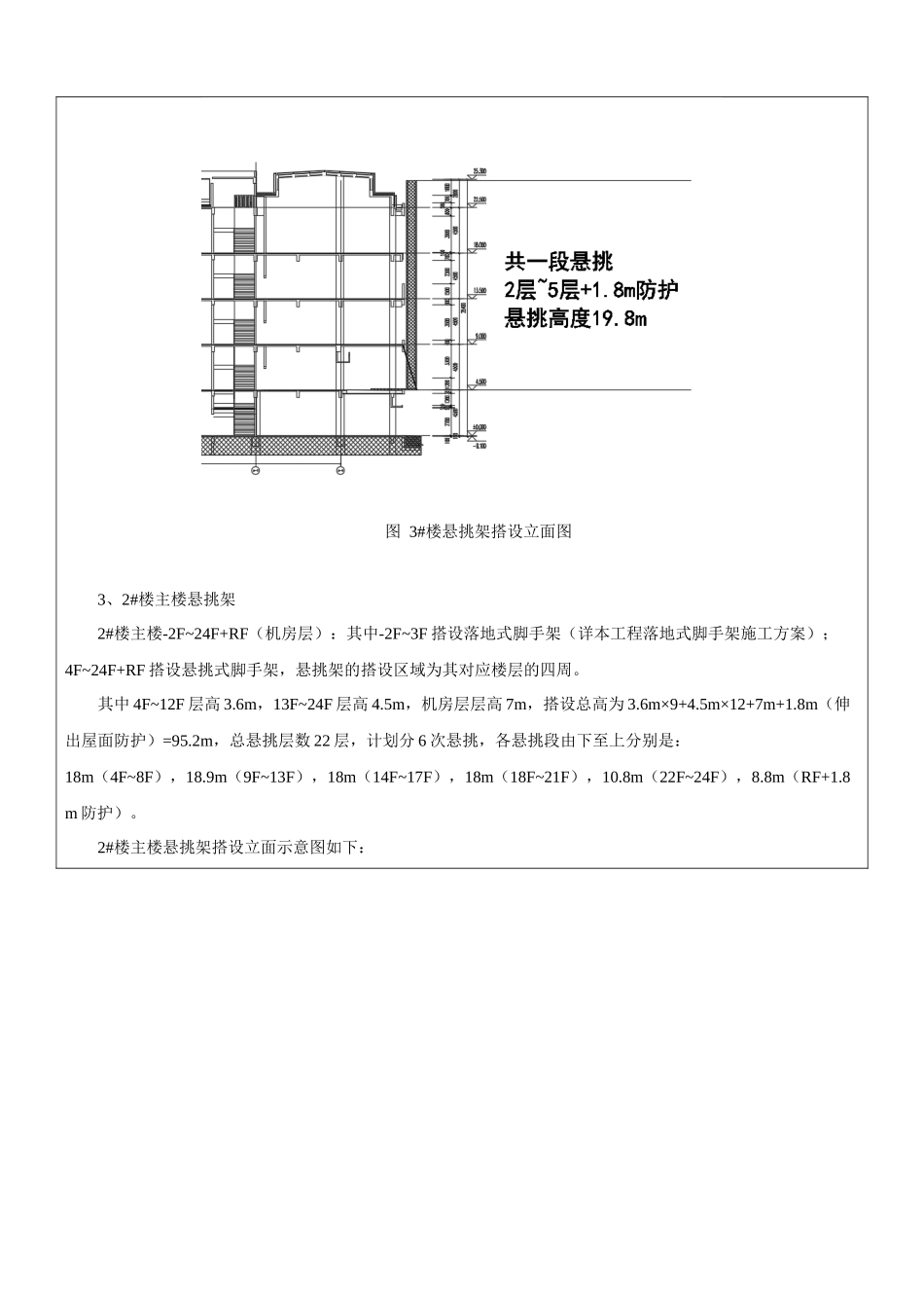
施工方案技术交底编号:XDTY—FAJD—21 工程名称信达·天御 S1-18 地块 1#~3#楼及地下车库单位名称中建三局第一建设有限责任公司交底对象项目管理人员交底内容悬挑式脚手架施工方案交底内容1、本方案已经专家论证意见修改。本工程外脚手架的施工范围如下表:2、3#楼西、南两侧面悬挑架3#楼-2F~5F+屋面层:其中-2F~1F 搭设落地式脚手架(详本工程落地式脚手架施工方案);2F~5F 搭设悬挑式脚手架,悬挑架的搭设区域为其对应楼层的西、南两个外立面;出屋面机房室四面已向内收缩,机房室仅需在屋面搭设落地架即可。其中 2F~5F 层高 4.5m,屋面层层高 3m,搭设总高为 4.5m×4+1.8m(伸出屋面防护)=19.8m,总悬挑层数 4层,计划采纳 1 个悬挑段(2F~5F+1.8m 防护)。3#楼悬挑架搭设立面示意图如下:分区外立面层数架体类型搭设高度备注1#楼四面1F-顶层双排落地式脚手架最大16.80m2#楼主楼(北区)四面1F-3F双排落地式脚手架12.6m搭设至 4 层楼面4F-顶层悬挑式脚手架95.2m分 6 段悬挑2#楼裙楼(南区)四面1F-顶层双排落地式脚手架最大 17.1m3#楼东、北两侧1F-顶层双排落地式脚手架最大 16.8m西、南两侧1F双排落地式脚手架-2F-顶层悬挑式脚手架19.8m分 1 段悬挑地下车库四面基础~车库顶板双排落地式脚手架10.8m图 3#楼悬挑架搭设立面图3、2#楼主楼悬挑架2#楼主楼-2F~24F+RF(机房层):其中-2F~3F 搭设落地式脚手架(详本工程落地式脚手架施工方案);4F~24F+RF 搭设悬挑式脚手架,悬挑架的搭设区域为其对应楼层的四周。其中 4F~12F 层高 3.6m,13F~24F 层高 4.5m,机房层层高 7m,搭设总高为 3.6m×9+4.5m×12+7m+1.8m(伸出屋面防护)=95.2m,总悬挑层数 22 层,计划分 6 次悬挑,各悬挑段由下至上分别是:18m(4F~8F),18.9m(9F~13F),18m(14F~17F),18m(18F~21F),10.8m(22F~24F),8.8m(RF+1.8m 防护)。2#楼主楼悬挑架搭设立面示意图如下:图 2#楼主楼悬挑架搭设立面图4、外架布置原则:全部边线以建筑外立面边线(包括装饰构件、包柱等)为准,外架内排架离边线为250mm,外架立杆间距为 800mm×1500mm,当局部位置大横杆离墙边较远时,小横杆(垂直于墙面)向墙面延伸至墙边不大于 250mm 处,并增设一排横杆,上铺钢笆片,防治物体坠落。2#楼主楼2#楼主楼 4F 及以上使用悬挑式脚手架。图 4.3 2#楼主楼第一段(4F~8F)悬挑架搭设平面图图 4.4 2#楼主楼第二段(9F~13F)悬挑架搭设平面图...

1、当您付费下载文档后,您只拥有了使用权限,并不意味着购买了版权,文档只能用于自身使用,不得用于其他商业用途(如 [转卖]进行直接盈利或[编辑后售卖]进行间接盈利)。
2、本站所有内容均由合作方或网友上传,本站不对文档的完整性、权威性及其观点立场正确性做任何保证或承诺!文档内容仅供研究参考,付费前请自行鉴别。
3、如文档内容存在违规,或者侵犯商业秘密、侵犯著作权等,请点击“违规举报”。

碎片内容

信达天御S1-18地块悬挑式脚手架施工方案技术交底

确认删除?
VIP
微信客服
  • 扫码咨询
会员Q群
  • 会员专属群点击这里加入QQ群
客服邮箱
回到顶部