电脑桌面
添加小米粒文库到电脑桌面
安装后可以在桌面快捷访问

倒削竹式洞门施工技术方案

倒削竹式洞门施工技术方案_第1页
1/11
倒削竹式洞门施工技术方案_第2页
2/11
倒削竹式洞门施工技术方案_第3页
3/11
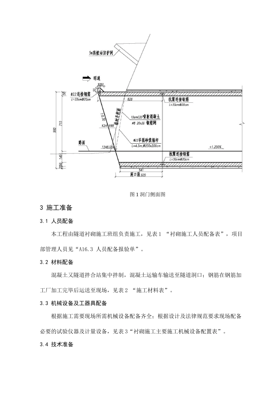
倒削竹式洞门施工方案1 编制依据 (1)《公路隧道施工技术法律规范》(JTJ F60-2025);(2)《公路工程质量检验评定标准》(JTG F80/1-2025);(3)《混凝土结构设计法律规范》(GB 50010-2025)。2 工程概括倒削竹式洞门是一种稳定性好、基础承载力要求不高、自然和谐的轻型洞门。本合同段胡家湾子 2 号隧道麻柳湾进口端洞门变更设计为倒削竹式洞门,洞口桩号:右幅 K24+998,左幅 ZK25+013,洞口段长 6 米。洞门混凝土采纳 C30 混凝土,厚度与暗洞 SX5a 衬砌一样,均为 50cm。洞门斜面比例为 1:0.3,洞口端两侧设有 C20混凝土洞门挡块,洞门挡块用 C22 钢筋嵌固在洞门衬砌中。洞顶松散体挖除后, 临时仰坡采纳 Φ25 自进式中空注浆锚杆防护,边坡防护形式与路基防护保持一致,数量计入路基防护中;为防止洞顶施工活动、杂物、落石等对隧道洞口安全的影响,沿隧道洞口上方设置 5m 高的被动防护网,防护网设置范围为随道洞口上方 20m 宽范围,被动防护网须满足国家相关法律规范、标准的要求, 并具有优良的强度、安全性、耐久性。洞口施工时应避开雨季, 施工时边仰坡坡率可根据实际情况进行适当调整;洞门结构基础应落在稳固的地基上,要求其地基承载力≥280kPa,当地基承载力不能满足要求时,应对地基进行加固处理使其达到要求。洞门示意图如图 1。图 1 洞门侧面图3 施工准备3.1 人员配备本工程由隧道衬砌施工班组负责施工,见表 1 “衬砌施工人员配备表”,项目部管理人员见“A16.3 人员配备报验单”。3.2 材料配备混凝土又隧道拌合站集中拌制,混凝土运输车输送至隧道洞口;钢筋在钢筋加工厂加工完毕后运送至现场,见表 2 “施工材料表”。3.3 机械设备及工器具配备根据施工需要现场所需机械设备配备齐全;根据设计及法律规范要求现场配备必要的试验仪器及计量设备,见表 3“衬砌施工主要施工机械设备配置表”。3.4 技术准备作业指导书编制后,在开工前组织技术人员仔细学习实施性施工组织设计,阅读、审核施工图纸,澄清有关技术问题,熟悉法律规范和技术标准,制定施工安全保证措施,提出应急预案。对施工人员进行技术交底,对参加施工人员进行上岗前技术培训,考核合格后持证上岗。4 施工工艺4.1 仰坡开挖后,临时仰坡采纳 Φ25 自进式中空注浆锚杆、Φ20×20cm 钢筋网和 C25 喷射混凝土防护,边坡防护形式与路基防护保持一致。然后施作洞顶截、排泄水天沟、有效治理地表水,确保边仰...

1、当您付费下载文档后,您只拥有了使用权限,并不意味着购买了版权,文档只能用于自身使用,不得用于其他商业用途(如 [转卖]进行直接盈利或[编辑后售卖]进行间接盈利)。
2、本站所有内容均由合作方或网友上传,本站不对文档的完整性、权威性及其观点立场正确性做任何保证或承诺!文档内容仅供研究参考,付费前请自行鉴别。
3、如文档内容存在违规,或者侵犯商业秘密、侵犯著作权等,请点击“违规举报”。

碎片内容

倒削竹式洞门施工技术方案

津创媒+ 关注
实名认证
内容提供者

欢迎交流文创,小店资料希望满足您的需要。

确认删除?
VIP
微信客服
  • 扫码咨询
会员Q群
  • 会员专属群点击这里加入QQ群
客服邮箱
回到顶部