电脑桌面
添加小米粒文库到电脑桌面
安装后可以在桌面快捷访问

全套的桩基础表格

全套的桩基础表格_第1页
1/20
全套的桩基础表格_第2页
2/20
全套的桩基础表格_第3页
3/20
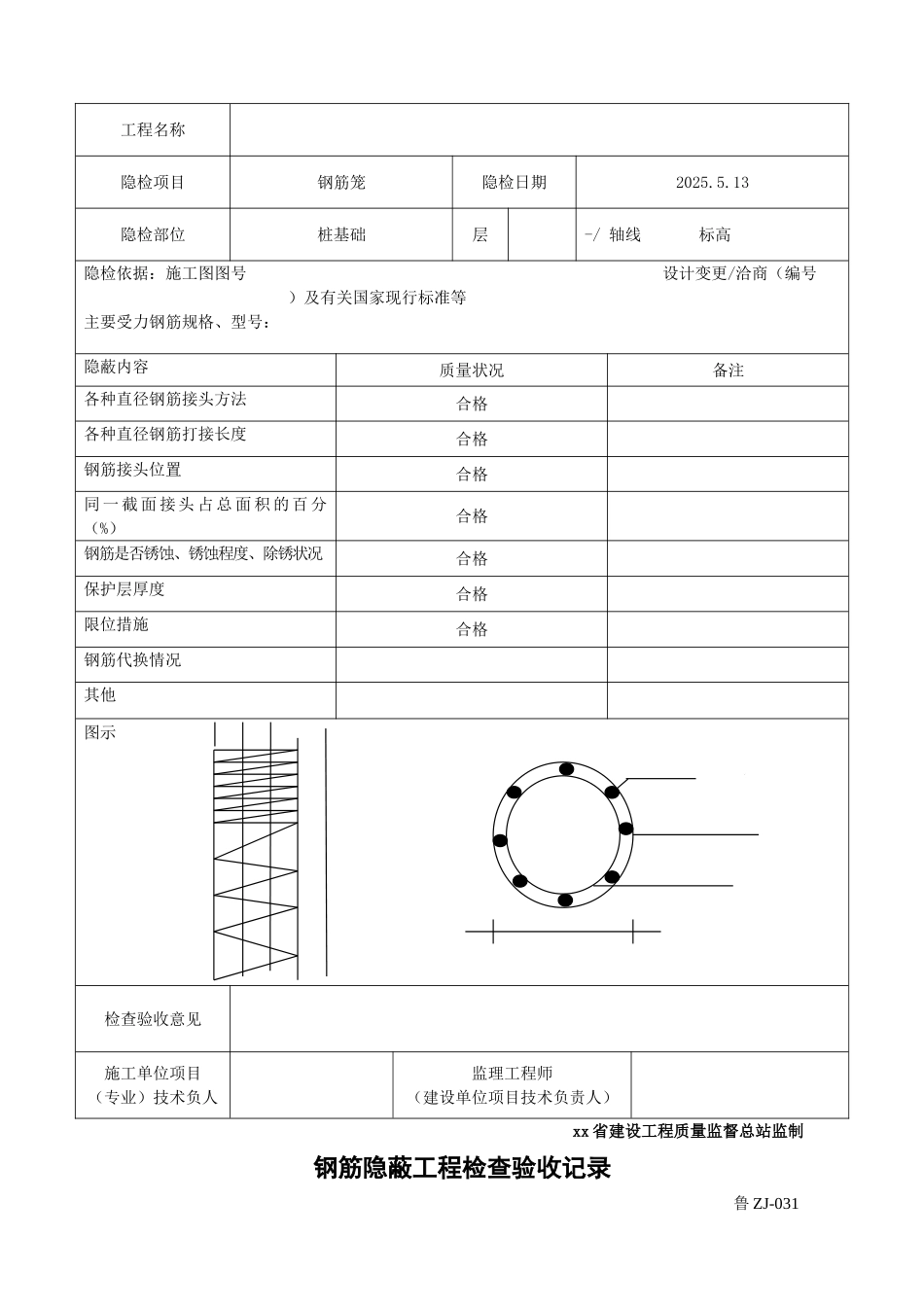
桩基工程概况 鲁 ZJ—001 工程名称工程地址结构形式/层数建筑面积建设单位项目负责人设计单位资质等级项目负责 人勘察单位资质等级项目负责 人监理单位资质等级总监理工程师桩基施工单位资质等级项目经理人开工日期竣工日期桩基类型桩数桩径桩长桩基检测单位验收日期 xx 省建设工程质量监督总站监制施工现场质量管理检查记录 鲁 ZJ—002工程名称规划.施工许可证建设单位项目负责人设计单位项目负责人监理单位总监理工程师施工单位项目经理项目技术负责人序号项目内容1现场质量管理制度① 质量例会制②质量于经济挂钩制③月评奖罚制2质量责任制① 岗位责任制②技术交底制②挂牌制3主要专业工种操作上岗证书主要专业工种均持有效资格证书4分包方资质与对分包单位的管理制度无分包5施工图审查情况审查报告和审查批准书6地质勘察资料地质报告书7施工组织设计.施工方案及审批施工组织设计、方案编制、审批手续齐全8施工技术标准各分部工程施工技术标准齐全9工程质量检验制度① 原材料及施工检验制②抽测项目的检测计划10搅拌站及计量设置有管理制度和计量设施精确度及控制措施11现场材料.设备存放与管理水泥等的管理办法12检查结论 总监理工程师: (建设单位项目负责人) 年 月 日 xx 省建设工程质量监督总站监制钢筋隐蔽工程检查验收记录鲁 ZJ-031工程名称隐检项目钢筋笼隐检日期2025.5.13隐检部位桩基础层-/ 轴线 标高隐检依据:施工图图号 设计变更/洽商(编号 )及有关国家现行标准等主要受力钢筋规格、型号:隐蔽内容质量状况备注各种直径钢筋接头方法合格各种直径钢筋打接长度合格钢筋接头位置合格同 一 截 面 接 头 占 总 面 积 的 百 分(%)合格钢筋是否锈蚀、锈蚀程度、除锈状况合格保护层厚度合格限位措施合格钢筋代换情况其他图示检查验收意见施工单位项目(专业)技术负人监理工程师(建设单位项目技术负责人)xx 省建设工程质量监督总站监制钢筋隐蔽工程检查验收记录鲁 ZJ-031工程名称隐检项目钢筋笼隐检日期2025.5.16隐检部位桩基础层-/-轴线 标高隐检依据:施工图图号 设计变更/洽商(编号 )及有关国家现行标准等主要受力钢筋规格、型号:隐蔽内容质量状况备注各种直径钢筋接头方法合格各种直径钢筋打接长度合格钢筋接头位置合格同 一 截 面 接 头 占 总 面 积 的 百 分(%)合格钢 筋 是 否锈蚀、锈 蚀 程度、除锈状况合格保护层厚度合格限位措施合格钢筋代换情况其他...

1、当您付费下载文档后,您只拥有了使用权限,并不意味着购买了版权,文档只能用于自身使用,不得用于其他商业用途(如 [转卖]进行直接盈利或[编辑后售卖]进行间接盈利)。
2、本站所有内容均由合作方或网友上传,本站不对文档的完整性、权威性及其观点立场正确性做任何保证或承诺!文档内容仅供研究参考,付费前请自行鉴别。
3、如文档内容存在违规,或者侵犯商业秘密、侵犯著作权等,请点击“违规举报”。

碎片内容

全套的桩基础表格

阳光书坊+ 关注
实名认证
内容提供者

阳光书坊,传播未来

确认删除?
VIP
微信客服
  • 扫码咨询
会员Q群
  • 会员专属群点击这里加入QQ群
客服邮箱
回到顶部