电脑桌面
添加小米粒文库到电脑桌面
安装后可以在桌面快捷访问

单组份聚氨脂防水涂料

单组份聚氨脂防水涂料_第1页
1/12
单组份聚氨脂防水涂料_第2页
2/12
单组份聚氨脂防水涂料_第3页
3/12
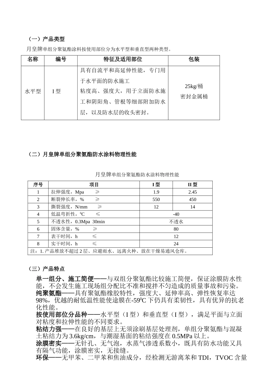
单组份聚氨脂防水涂料施工方案施工单位:上海台安工程实业有限公司 编制:彭金金 审核:石磊磊序 言“月皇”牌为上海防水行业第一个同时取得上海市著名商标、上海名牌产品的品牌,同时也是首批通过 CTC 认证的品牌之一。环保型单组分聚氨酯防水涂料作为“月皇” 牌防水材料系列中的一员,它广泛应用与全国各地的工程,具备操作简便、质量可靠、材质优越等特点。上海台安工程实业有限公司作为一家成立十几年的企业,具备生产的环保型单组分聚氨酯防水涂料方面先进、成熟、可靠的生产工艺、设备和应用技术;在涂料生产线设备投资 2000 万元,年产能力 10000 吨,其中自动化控制技术、生产能力、工艺装备、工艺性 能达到国际一流水平;作为国际管理体系ISO9001、ISO14001 双认证企业,我公司严格根据国际体系标准对材料的生产、应用实行全面管理和关键过程控制,生产优质产品。月皇牌单组分聚氨酯涂膜防水系统一、产品介绍 月皇牌单组分聚氨酯防水涂料是化学反应型、固化后呈橡胶状的高弹性防水涂膜。它独特的生产工艺和技术设备保证聚氨酯防水涂膜玻璃化温度低,常温下处于高弹态,具有聚氨酯橡胶的高延伸率、低温柔性、耐水性、耐溶剂性,并具有足够拉伸强度及低温抗裂性等优良综合性能。 月皇牌单组分聚氨酯防水涂膜对于混凝土等基层具有优异的粘结性,能防止水在防水涂膜下串流,它固有的韧性和弹性能够抵抗任何可能发生的结构或收缩裂缝。月皇牌单组分聚氨酯防水系统是整体密封的防水构造及施工工艺,能够确保形成具有一定厚度的连续弹性防水涂层。(一)产品类型月皇牌单组分聚氨酯涂料按使用部位分为水平型和垂直型两种类型。名称编号特征及适用部位包装水平型I 型具有自流平和高延伸性能,专门用于水平面的防水施工粘度高、强度大,用于立面防水施工和阴阳角、管根等细部附加防水层,以及防水层的收头密封。25kg/桶密封金属桶(二)月皇牌单组分聚氨酯防水涂料物理性能月皇牌单组分聚氨酯防水涂料物理性能序号项目I 型II 型1拉伸强度,Mpa ≥1.92.452断裂伸长率,% ≥5504503撕裂强度,N/mm ≥12144低温弯折性,0C ≤-405不透水性,0.3Mpa 30min不透水6固体含量,% ≥807表干时间,h ≤128实干时间,h ≤24注:1. 产品堆放不超过 2 层、应避雨水、远离火种、放在干燥易通风仓库。(三)产品特点单一组分、施工简便——与双组分聚氨酯比较施工简便,保证涂膜防水性能,不会发生施工现场组分配比不准和搅拌不匀造成...

1、当您付费下载文档后,您只拥有了使用权限,并不意味着购买了版权,文档只能用于自身使用,不得用于其他商业用途(如 [转卖]进行直接盈利或[编辑后售卖]进行间接盈利)。
2、本站所有内容均由合作方或网友上传,本站不对文档的完整性、权威性及其观点立场正确性做任何保证或承诺!文档内容仅供研究参考,付费前请自行鉴别。
3、如文档内容存在违规,或者侵犯商业秘密、侵犯著作权等,请点击“违规举报”。

碎片内容

单组份聚氨脂防水涂料

确认删除?
VIP
微信客服
  • 扫码咨询
会员Q群
  • 会员专属群点击这里加入QQ群
客服邮箱
回到顶部