电脑桌面
添加小米粒文库到电脑桌面
安装后可以在桌面快捷访问

南宁某高层综合楼安全文明施工方案

南宁某高层综合楼安全文明施工方案_第1页
1/47
南宁某高层综合楼安全文明施工方案_第2页
2/47
南宁某高层综合楼安全文明施工方案_第3页
3/47
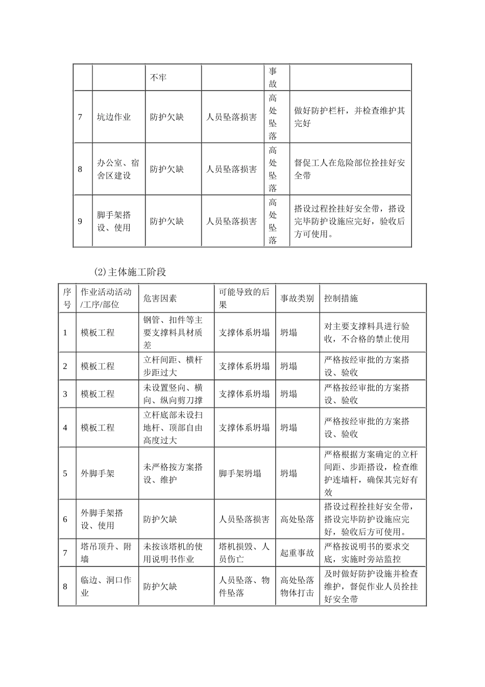
安全文明施工方案..........................................................................................................................2第一节 安全生产保证措施......................................................................................................2一、 安全生产目标..........................................................................................................2二、 安全生产组织措施..................................................................................................2三、 安全生产技术措施..................................................................................................7四、 施工现场安全应急预案........................................................................................17第二节 文明施工、环境保护保证措施................................................................................20一、 文明施工、环境保护目标....................................................................................20二、 文明施工、环境保护体系....................................................................................20三、 文明施工措施........................................................................................................24四、 环境保护措施........................................................................................................31第三节 绿色施工措施...........................................................................................................35一、 绿色施工框架........................................................................................................35二、 绿色施工管理制度................................................................................................35三、 节能技术措施........................................................................................................36四、 节地措施...............................................................................................................37五、 节水措施.....................

1、当您付费下载文档后,您只拥有了使用权限,并不意味着购买了版权,文档只能用于自身使用,不得用于其他商业用途(如 [转卖]进行直接盈利或[编辑后售卖]进行间接盈利)。
2、本站所有内容均由合作方或网友上传,本站不对文档的完整性、权威性及其观点立场正确性做任何保证或承诺!文档内容仅供研究参考,付费前请自行鉴别。
3、如文档内容存在违规,或者侵犯商业秘密、侵犯著作权等,请点击“违规举报”。

碎片内容

南宁某高层综合楼安全文明施工方案

确认删除?
VIP
微信客服
  • 扫码咨询
会员Q群
  • 会员专属群点击这里加入QQ群
客服邮箱
回到顶部