电脑桌面
添加小米粒文库到电脑桌面
安装后可以在桌面快捷访问

卫生间局部等电位联结

卫生间局部等电位联结_第1页
1/4
卫生间局部等电位联结_第2页
2/4
卫生间局部等电位联结_第3页
3/4
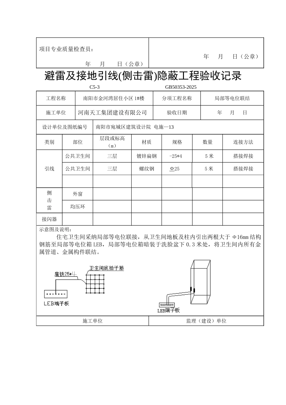
避雷及接地引线(侧击雷)隐蔽工程验收记录C5-3 GB50353-2025工程名称 南阳市金河湾居住小区 1#楼分项工程名称局部等电位联结施工单位河南天工集团建设有限公司验收日期年 月 日设计单位及图纸编号南阳市宛城区建筑设计院 电施—13类别部位层段或标高(m)材质规格数量连接方法引线公共卫生间一层镀锌扁钢-25*45 米搭接焊接公共卫生间一层螺纹钢Ф255 米搭接焊接侧击雷外窗均压环接闪器示意图及说明:住宅卫生间采纳局部等电位联接,从卫生间地板及柱内引出两根大于 Ф16mm 结构钢筋至局部等电位箱 LEB,局部等电位箱暗装于洗脸盆下 0.3 米处,将卫生间内所有金属管道、金属构件联结。 施工单位监理(建设)单位验收意见:符合设计及施工法律规范规定。施工单位项目专业负责人:项目专业质量检查员:验收意见:监理(建设)单位项目专业监理工程师:年 月 日(公章)年 月 日(公章)避雷及接地引线(侧击雷)隐蔽工程验收记录C5-3 GB50353-2025工程名称 南阳市金河湾居住小区 1#楼分项工程名称局部等电位联结施工单位河南天工集团建设有限公司验收日期年 月 日设计单位及图纸编号南阳市宛城区建筑设计院 电施—13类别部位层段或标高(m)材质规格数量连接方法引线公共卫生间二层镀锌扁钢-25*45 米搭接焊接公共卫生间二层螺纹钢Ф255 米搭接焊接侧击雷外窗均压环接闪器示意图及说明:住宅卫生间采纳局部等电位联接,从卫生间地板及柱内引出两根大于 Ф16mm 结构钢筋至局部等电位箱 LEB,局部等电位箱暗装于洗脸盆下 0.3 米处,将卫生间内所有金属管道、金属构件联结。 施工单位监理(建设)单位验收意见:符合设计及施工法律规范规定。施工单位项目专业负责人:验收意见:监理(建设)单位项目专业监理工程师:项目专业质量检查员:年 月 日(公章)年 月 日(公章)避雷及接地引线(侧击雷)隐蔽工程验收记录C5-3 GB50353-2025工程名称 南阳市金河湾居住小区 1#楼分项工程名称局部等电位联结施工单位河南天工集团建设有限公司验收日期年 月 日设计单位及图纸编号南阳市宛城区建筑设计院 电施—13类别部位层段或标高(m)材质规格数量连接方法引线公共卫生间三层镀锌扁钢-25*45 米搭接焊接公共卫生间三层螺纹钢Ф255 米搭接焊接侧击雷外窗均压环接闪器示意图及说明:住宅卫生间采纳局部等电位联接,从卫生间地板及柱内引出两根大于 Ф16mm 结构钢筋至局部等电位箱 LEB,局部等电位箱暗装于洗脸盆下 0.3...

1、当您付费下载文档后,您只拥有了使用权限,并不意味着购买了版权,文档只能用于自身使用,不得用于其他商业用途(如 [转卖]进行直接盈利或[编辑后售卖]进行间接盈利)。
2、本站所有内容均由合作方或网友上传,本站不对文档的完整性、权威性及其观点立场正确性做任何保证或承诺!文档内容仅供研究参考,付费前请自行鉴别。
3、如文档内容存在违规,或者侵犯商业秘密、侵犯著作权等,请点击“违规举报”。

碎片内容

卫生间局部等电位联结

您可能关注的文档

确认删除?
VIP
微信客服
  • 扫码咨询
会员Q群
  • 会员专属群点击这里加入QQ群
客服邮箱
回到顶部