电脑桌面
添加小米粒文库到电脑桌面
安装后可以在桌面快捷访问

后浇带支撑体系

后浇带支撑体系_第1页
1/3
后浇带支撑体系_第2页
2/3
后浇带支撑体系_第3页
3/3
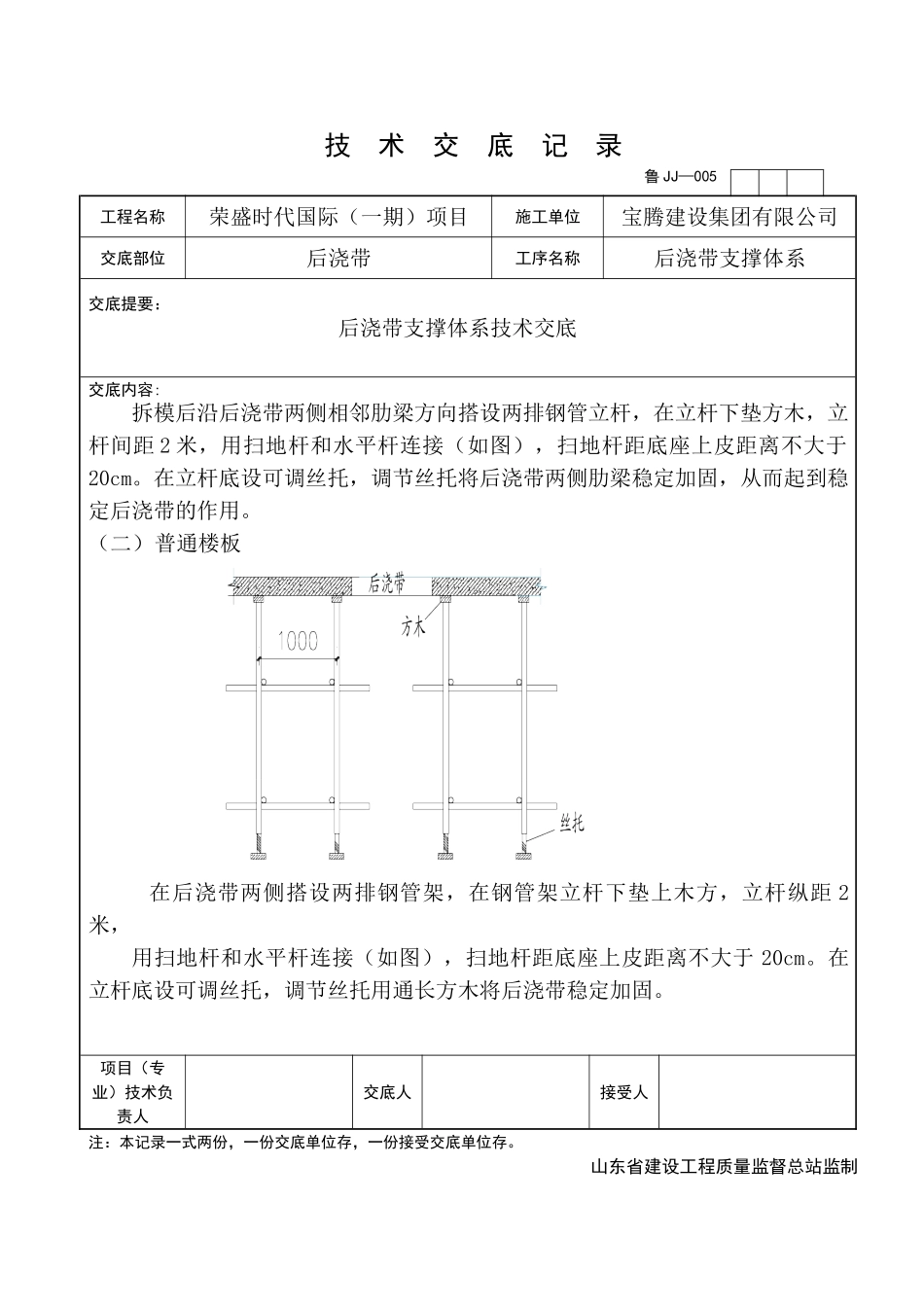
技 术 交 底 记 录 工程名称荣盛时代国际(一期)项目施工单位宝腾建设集团有限公司交底部位后浇带工序名称后浇带支撑体系交底提要: 后浇带支撑体系技术交底交底内容:一、后浇带支撑 密肋楼板后浇带支撑(示意图)(一)密肋楼板项目(专业)技术负责人交底人接受人注:本记录一式两份,一份交底单位存,一份接受交底单位存。 山东省建设工程质量监督总站监制鲁 JJ—005技 术 交 底 记 录 工程名称荣盛时代国际(一期)项目施工单位宝腾建设集团有限公司交底部位后浇带工序名称后浇带支撑体系交底提要: 后浇带支撑体系技术交底交底内容:拆模后沿后浇带两侧相邻肋梁方向搭设两排钢管立杆,在立杆下垫方木,立杆间距 2 米,用扫地杆和水平杆连接(如图),扫地杆距底座上皮距离不大于20cm。在立杆底设可调丝托,调节丝托将后浇带两侧肋梁稳定加固,从而起到稳定后浇带的作用。(二)普通楼板 在后浇带两侧搭设两排钢管架,在钢管架立杆下垫上木方,立杆纵距 2米,用扫地杆和水平杆连接(如图),扫地杆距底座上皮距离不大于 20cm。在立杆底设可调丝托,调节丝托用通长方木将后浇带稳定加固。项目(专业)技术负责人交底人接受人注:本记录一式两份,一份交底单位存,一份接受交底单位存。 山东省建设工程质量监督总站监制鲁 JJ—005技 术 交 底 记 录 工程名称荣盛时代国际(一期)项目施工单位宝腾建设集团有限公司交底部位后浇带工序名称后浇带支撑体系交底提要: 后浇带支撑体系技术交底交底内容:二、 扣件式钢管模板支撑搭设时应符合下列要求 :(1) 严禁将外径 48mm 与 51mm 的钢管混用。(2)搭设前应对进场料具进行验收,了解钢管的壁厚、锈蚀情况。为满堂架设计、计算提供依据。(3) 钢管存放和吊运时,要规格一致,相同长度的方可一起吊运,禁止长短差别大的钢管一起吊运,以防短管捆绑不牢,坠落伤人。(4) 搭设时相邻立杆的对接扣件应错开设置 , 不应在同一高度内。(5) 扣件螺栓拧紧扭力矩不得小于 40N·m, 且不得大于 65N·m 。安装后应用扭力扳手检查。三、安装 可调底座 和 可调U托 钢支架时必须符合下列要求 :(1) 连接螺栓必须齐全、紧固。(2) 杆件、顶托、底托的规格必须匹配。(3) 顶托和底托的螺旋丝杠插入立柱的长度不得小于丝杠全长的 2/3 。项目(专业)技术负责人交底人接受人注:本记录一式两份,一份交底单位存,一份接受交底单位存。 山东省建设工程质量监督总站监制鲁 JJ—005

1、当您付费下载文档后,您只拥有了使用权限,并不意味着购买了版权,文档只能用于自身使用,不得用于其他商业用途(如 [转卖]进行直接盈利或[编辑后售卖]进行间接盈利)。
2、本站所有内容均由合作方或网友上传,本站不对文档的完整性、权威性及其观点立场正确性做任何保证或承诺!文档内容仅供研究参考,付费前请自行鉴别。
3、如文档内容存在违规,或者侵犯商业秘密、侵犯著作权等,请点击“违规举报”。

碎片内容

后浇带支撑体系

您可能关注的文档

雏圣文化+ 关注
实名认证
内容提供者

欢迎光临,大量办公文档供您挑选。

确认删除?
VIP
微信客服
  • 扫码咨询
会员Q群
  • 会员专属群点击这里加入QQ群
客服邮箱
回到顶部