电脑桌面
添加小米粒文库到电脑桌面
安装后可以在桌面快捷访问

商业楼塔吊安装、顶升加节及拆除专项施工方案

商业楼塔吊安装、顶升加节及拆除专项施工方案_第1页
1/21
商业楼塔吊安装、顶升加节及拆除专项施工方案_第2页
2/21
商业楼塔吊安装、顶升加节及拆除专项施工方案_第3页
3/21
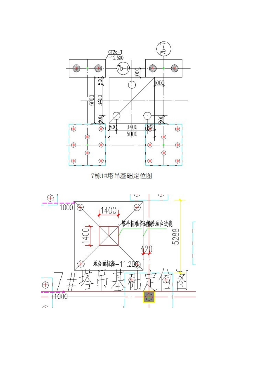
目 录一、工程概况.........................................................................- 1 -二、塔式起重机基本参数、部件重量及性能表.................- 3 -三、安装作业机械设备和工料具.........................................- 5 -四、对施工人员的资格要求.................................................- 6 -五、安装前的准备工作.........................................................- 6 -六、安装作业现场状况和塔机各部件摆放位置.................- 7 -七、安全技术措施.................................................................- 7 -八、塔机的安装(顶升)、调试及拆卸.............................- 8 -九、安装质量验收要求.......................................................- 12 -十、塔机使用过程中的安全注意事项...............................- 14 -十一、附墙...........................................................................- 15 -十二、塔吊桩基础的计算书...............................................- 16 -十三、参考文献及资料.......................................................- 23 -一、工程概况长安万科中心三期工程是由东莞市长安万科房地产有限公司开发建设的项目。三期工程为7#楼一栋商业建筑,位于长安镇北部中心区358省道与长青南路交界处西北角,西侧为交通要道荣文路,北靠富民路,西北两侧隔规化路与天柏五金饰品配件广场相邻。本期用地面积28269.12平方米,总建筑面积115520.64平方米。本工程为地上四层,均用于商场,总高度37m。;地下室共二层(局部三层),平常为车库及设备用房,战时地下二层局部设核6级、常6级人防。结构类型采纳框架抗震墙结构,抗震烈度7级。基础为混凝土预应力管桩和冲孔桩,地基基础设计等级为甲级。根据深圳市筑博工程设计有限公司设计的长安万科中心三期工程施工图纸及相关工程文件编制。该工程根据施工需要增加安装 1 台型 C5012 型、1 台 JL5613 型、1 台 QTZ63(5013)型、1 台型 QTZ80 型自升式塔式起重机,做为垂直运输材料的主要工具,起重机臂长分别为 56m/50m/50m/50m,可覆盖大部分施工层。以下以 1#塔吊为例,7#、8#、9#塔吊和 1#塔吊安装、顶升加节及拆除雷同。塔机安装位置见附图。 塔吊基础:查韶关地质工程勘察院 2025 年 12 月《长安万科中心拟建...

1、当您付费下载文档后,您只拥有了使用权限,并不意味着购买了版权,文档只能用于自身使用,不得用于其他商业用途(如 [转卖]进行直接盈利或[编辑后售卖]进行间接盈利)。
2、本站所有内容均由合作方或网友上传,本站不对文档的完整性、权威性及其观点立场正确性做任何保证或承诺!文档内容仅供研究参考,付费前请自行鉴别。
3、如文档内容存在违规,或者侵犯商业秘密、侵犯著作权等,请点击“违规举报”。

碎片内容

商业楼塔吊安装、顶升加节及拆除专项施工方案

确认删除?
VIP
微信客服
  • 扫码咨询
会员Q群
  • 会员专属群点击这里加入QQ群
客服邮箱
回到顶部