电脑桌面
添加小米粒文库到电脑桌面
安装后可以在桌面快捷访问

地下墙、柱钢筋技术交底

地下墙、柱钢筋技术交底_第1页
1/16
地下墙、柱钢筋技术交底_第2页
2/16
地下墙、柱钢筋技术交底_第3页
3/16
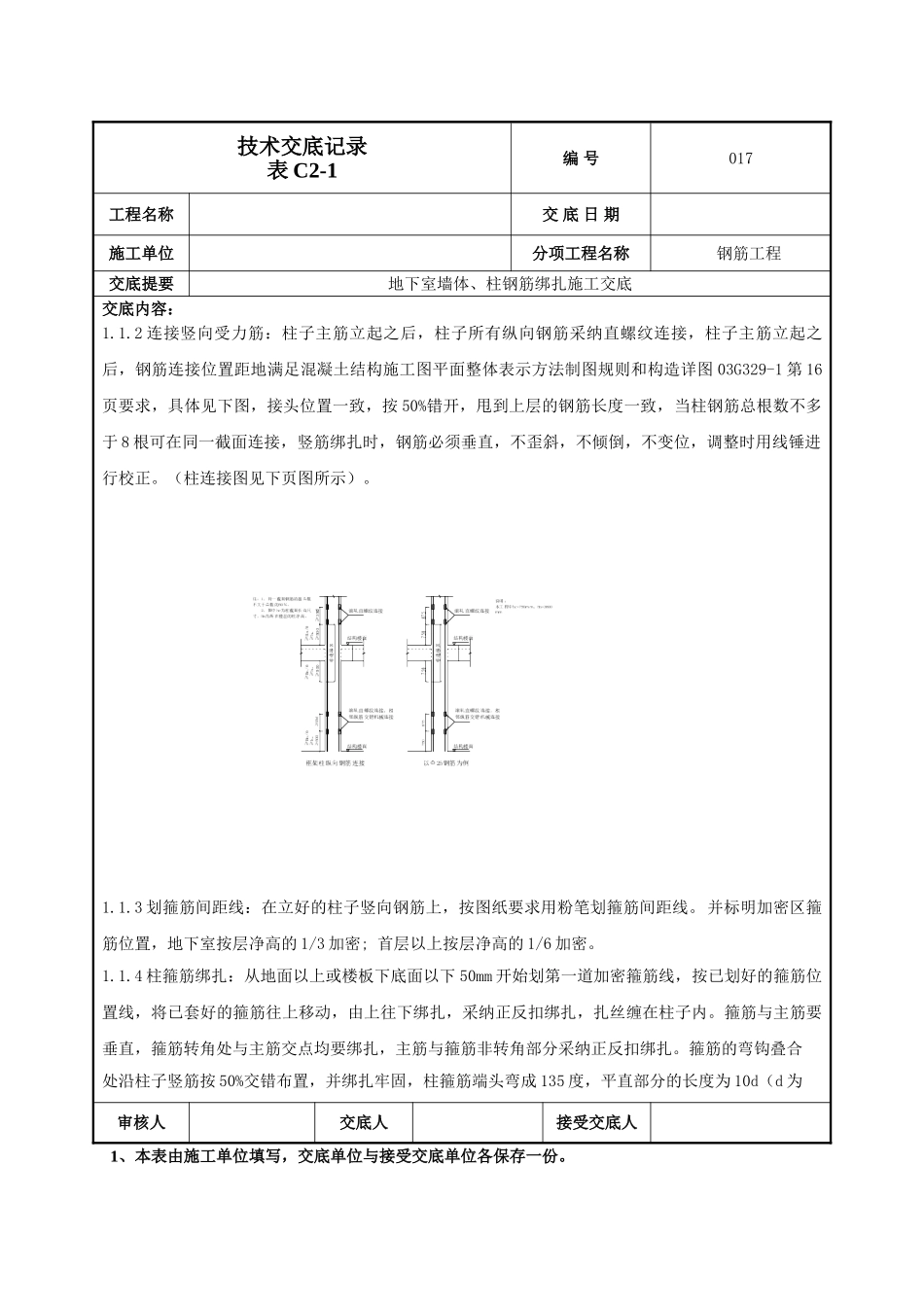
技术交底记录表 C2-1编 号017工程名称交 底 日 期施工单位分项工程名称钢筋工程交底提要地下室墙体、柱钢筋绑扎施工交底交底内容: 一、材料要求主要钢筋型号有一级钢 φ6、φ8、φ10、φ12、二级螺纹钢 Φ12、Φ14、Φ16、Φ18、Φ20、Φ22;三级螺纹钢25、28、32、36;绑扎铁丝:采纳 20—22 号铁丝(火烧丝);控制混凝土保护层用的塑料卡;二、主要机具塔吊、钢筋钩子、撬棍、钢筋扳子、钢丝刷、粉笔、钢卷尺、线坠、小白线。三、作业条件:1、原材钢筋堆放处挂有标着“检验合格”字样的标牌。2、成品钢筋用 50×80 料牌布(挂在钢筋码放一头齐的那一端)标识出钢筋的规格、型号、编号、长度、使用部位等,并由专人负责搬运, 在搬运过程中注意不要遗失直螺纹丝头保护帽、不要损坏丝头。3、钢筋无老锈和油污,当施工过程中发生脆断等特别情况时,立即通知班组长,由班组长向项目技术室报告。4、各钢筋绑扎班组的班组长根据“钢筋配料单”、料牌标识检查实物在形状、规格、尺寸、数量上是否与料单一致,如有问题及时通知技术人员进行处理,不得私自增减钢筋数量等。5、直螺纹连接施工人员必须持有操作证。四、操作工艺1、框架柱钢筋绑扎1.1 施工流程:绑扎柱子箍筋→连接竖向受力筋(吊线锤进行绑扎)→划箍筋间距→绑扎箍筋1.1.1 绑扎柱子箍筋:按图纸要求间距,计算好每根柱子箍筋数量,先将箍筋套在下层伸出的连接筋上,然后立柱子钢筋。审核人交底人接受交底人1、本表由施工单位填写,交底单位与接受交底单位各保存一份。2、当做分项工程施工技术交底时,应填写“分项工程名称”栏,其他技术交底可不填写。技术交底记录表 C2-1编 号017工程名称交 底 日 期施工单位分项工程名称钢筋工程交底提要地下室墙体、柱钢筋绑扎施工交底交底内容: 1.1.2 连接竖向受力筋:柱子主筋立起之后,柱子所有纵向钢筋采纳直螺纹连接,柱子主筋立起之后,钢筋连接位置距地满足混凝土结构施工图平面整体表示方法制图规则和构造详图 03G329-1 第 16页要求,具体见下图,接头位置一致,按 50%错开,甩到上层的钢筋长度一致,当柱钢筋总根数不多于 8 根可在同一截面连接,竖筋绑扎时,钢筋必须垂直,不歪斜,不倾倒,不变位,调整时用线锤进行校正。(柱连接图见下页图所示)。1.1.3 划箍筋间距线:在立好的柱子竖向钢筋上,按图纸要求用粉笔划箍筋间距线。并标明加密区箍筋位置,地下室按层净高的 1/3 加密; 首层以上按层净高的 ...

1、当您付费下载文档后,您只拥有了使用权限,并不意味着购买了版权,文档只能用于自身使用,不得用于其他商业用途(如 [转卖]进行直接盈利或[编辑后售卖]进行间接盈利)。
2、本站所有内容均由合作方或网友上传,本站不对文档的完整性、权威性及其观点立场正确性做任何保证或承诺!文档内容仅供研究参考,付费前请自行鉴别。
3、如文档内容存在违规,或者侵犯商业秘密、侵犯著作权等,请点击“违规举报”。

碎片内容

地下墙、柱钢筋技术交底

您可能关注的文档

文旅传媒+ 关注
实名认证
内容提供者

传播文化,成就未来

确认删除?
VIP
微信客服
  • 扫码咨询
会员Q群
  • 会员专属群点击这里加入QQ群
客服邮箱
回到顶部