电脑桌面
添加小米粒文库到电脑桌面
安装后可以在桌面快捷访问

地下沥青油毡卷材防水层分项工程工艺标准

地下沥青油毡卷材防水层分项工程工艺标准_第1页
1/11
地下沥青油毡卷材防水层分项工程工艺标准_第2页
2/11
地下沥青油毡卷材防水层分项工程工艺标准_第3页
3/11
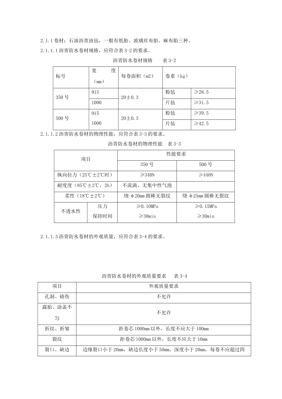
地下沥青油毡卷材防水层分项工程工艺标准编 制:XXXXXXXX批 准:XXXXXXXX实施日期:XXXXXXXX淄博 XX 建筑公司地下沥青油毡卷材防水层分项工程质量管理依据标准:《建筑工程施工质量验收统一标准》 GB50300-2001《建筑地基基础工程施工质量验收法律规范》GB50202-2025《地下工程防水技术法律规范》 GB50108-2001《地下防水工程施工质量验收法律规范》 GB50208-20251、范围本工艺标准适用于高聚物改性沥青油毡地下防水层工程施工。2、施工准备2.1 材料及要求:2.1.1 卷材:石油沥青油毡,一般有纸胎、玻璃丝布胎、麻布胎三种。2.1.1.1 沥青防水卷材规格,应符合表 3-2 的要求。沥青防水卷材规格表 3-2标号宽度(mm)每卷面积(m2)卷重(kg)350 号91520±0.3粉毡≥28.51000片毡≥31.5500 号915100020±0.3粉毡≥39.5片毡≥42.52.1.1.2 沥青防水卷材的物理性能,应符合表 3-3 的要求。沥青防水卷材的物理性能表 3-3项目性能要求350 号500 号纵向拉力(25℃±2℃时)≥340N≥440N耐度度(85℃±2℃,2h)不流淌,无集中性气泡柔性(18℃±2℃)绕 φ20mm 圆棒无裂纹绕 φ25mm 圆棒无裂纹不透水性压力保持时间≥0.10MPa≥30min≥0.15MPa≥30min2.1.1.3 沥青防水卷材的外观质量,应符合表 3-4 的要求。沥青防水卷材的外观质量要求 表 3-4项目外观质量要求孔洞、硌伤不允许露胎、涂盖不匀不允许折纹、折皱距卷芯 1000mm 以外,长度不应大于 100mm裂纹距卷芯 1000mm 以外,长度不应大于 10mm裂口、缺边边缘裂口小于 20mm,缺边长度小于 50mm,深度小于 20mm,每卷不应超过四处。接头每卷不应超过一处2.1.2 胶结材料:2.1.2.1 建筑石油沥青 10 号、30 号配制沥青玛帝脂使用。2.1.2.2 道路石油沥青 60 号甲、60 号乙或其熔合物。2.1.2.3 沥青玛帝脂的质量要求,应符合表 3-5 的要求。沥青玛帝脂的质量要求表 3-5S-60S-65S-70S-75S-80S-85耐热度(℃)用 2mm 厚的沥表玛帝脂粘合两张沥青油毡,于不低于下列温度(℃)中,在 1﹕1 坡度上停放 5h,沥青玛帝脂不应流淌,油毡不应滑动606570758085柔韧性(mm)涂在沥青油毡上的 2mm 厚的沥青玛帝脂层,在 18±2℃时,围绕下列直径(mm)的圆棒,用 2s 的时间以均衡速度弯成半周,沥青玛帝脂不应有裂纹101515202530粘结力用手将两张粘贴在一起的油毡慢慢地一次撕开,从油毡和沥青玛帝脂的粘贴面的任何一面的撕开部分,应不大于粘贴面积的 1/22.1....

1、当您付费下载文档后,您只拥有了使用权限,并不意味着购买了版权,文档只能用于自身使用,不得用于其他商业用途(如 [转卖]进行直接盈利或[编辑后售卖]进行间接盈利)。
2、本站所有内容均由合作方或网友上传,本站不对文档的完整性、权威性及其观点立场正确性做任何保证或承诺!文档内容仅供研究参考,付费前请自行鉴别。
3、如文档内容存在违规,或者侵犯商业秘密、侵犯著作权等,请点击“违规举报”。

碎片内容

地下沥青油毡卷材防水层分项工程工艺标准

您可能关注的文档

确认删除?
VIP
微信客服
  • 扫码咨询
会员Q群
  • 会员专属群点击这里加入QQ群
客服邮箱
回到顶部