电脑桌面
添加小米粒文库到电脑桌面
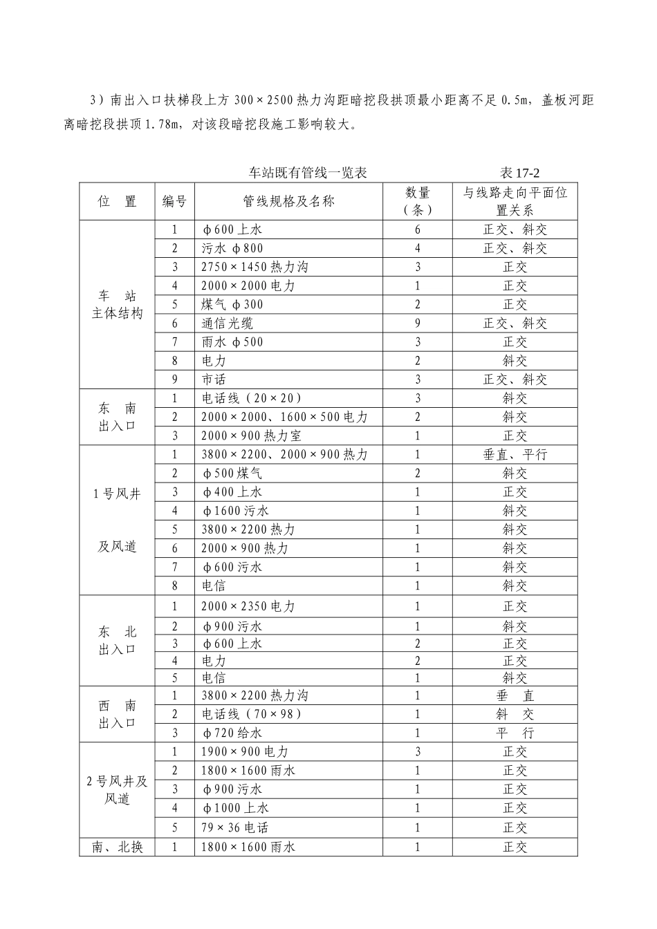
安装后可以在桌面快捷访问

地铁施工市政管线的保护方案p

地铁施工市政管线的保护方案p_第1页
1/5
地铁施工市政管线的保护方案p_第2页
2/5
地铁施工市政管线的保护方案p_第3页
3/5
某地铁施工市政管线的保护方案第 17 章 建筑物(构筑物)及地下管线保护17.1 既有建筑物(构筑物)与管线现状本标段车站位于宣武门内、外大街与宣武门东、西大街的交叉路口下,附近地面建筑物林立,地下构筑物及各种管线密布。依据各自与工程结构的关系,在施工过程中分别涉及到管线的改移、悬吊保护和动态注浆保护共三个方面的管线处理问题。1)有建筑物(构筑物)现状车站周围地面既有建筑物距车站主体及附属结构距离较远,施工对其影响较小,无须进行保护。但施工过程中应加强量测,保证建筑屋的正常使用和安全,地下构筑物情况复杂,部分既有结构距离车站主体较近,详见地下既有构筑物一览表 17-1。 地下既有构筑物一览表 表 17-1构筑物名称与 4 号线位置关系与地铁拱顶距离(m)盖板河车站上方正交约 2.0m盖板河1 号风亭斜交3.74m盖板河东南出入口正交1.78m环线地铁车站上方正交1.90m2)地下管线现状施工范围内地下管线主要有上水、煤气、污水、通信电缆等管线及热力管沟、电力管沟等,车站埋深较大,车站主体、施工对大部分地下管线基本没有影响。φ1250 污水管、热力管埋深较深,对风道、东南、西南出入口施工影响较大,有两根电话线位于车站出入口明挖敞口段部分,需要进行改移或悬吊保护。详见车站既有管线一览表 17-2。 17.2 既有建筑物(构筑物)保护措施17.2.1 施工对既有建筑物(构筑物)影响程度分析1)据现场调查及设计勘察报告,本工程距离建筑物较远,施工对其影响较小,根据施工经验预测施工对大部分建筑物影响不会很大。2)位于设计车站上方的盖板河和既有环线地铁与车站正交,盖板河与车站顶净距不足2m,既有环线结构底板距车站单层暗挖断面约 2m。暗挖施施工场地层沉降会对其结构产生影响,施工时需有针对性地实行措施加以保护。3)南出入口扶梯段上方 300×2500 热力沟距暗挖段拱顶最小距离不足 0.5m,盖板河距离暗挖段拱顶 1.78m,对该段暗挖段施工影响较大。车站既有管线一览表 表 17-2位 置编号管线规格及名称数量(条)与线路走向平面位置关系车 站主体结构1φ600 上水6正交、斜交2污水 φ8004正交、斜交32750×1450 热力沟3正交42000×2000 电力1正交5煤气 φ3002正交6通信光缆9正交、斜交7雨水 φ5003正交8电力2斜交9市话3正交、斜交东 南出入口1电话线(20×20)3斜交22000×2000、1600×500 电力2斜交32000×900 热力室1正交1 号风井及风道13800×2200、2000×900 热力1垂直、平...

1、当您付费下载文档后,您只拥有了使用权限,并不意味着购买了版权,文档只能用于自身使用,不得用于其他商业用途(如 [转卖]进行直接盈利或[编辑后售卖]进行间接盈利)。
2、本站所有内容均由合作方或网友上传,本站不对文档的完整性、权威性及其观点立场正确性做任何保证或承诺!文档内容仅供研究参考,付费前请自行鉴别。
3、如文档内容存在违规,或者侵犯商业秘密、侵犯著作权等,请点击“违规举报”。

碎片内容

地铁施工市政管线的保护方案p

确认删除?
VIP
微信客服
  • 扫码咨询
会员Q群
  • 会员专属群点击这里加入QQ群
客服邮箱
回到顶部