电脑桌面
添加小米粒文库到电脑桌面
安装后可以在桌面快捷访问

基坑支护施工组织设计方案登记备案表

基坑支护施工组织设计方案登记备案表_第1页
1/2
基坑支护施工组织设计方案登记备案表_第2页
2/2
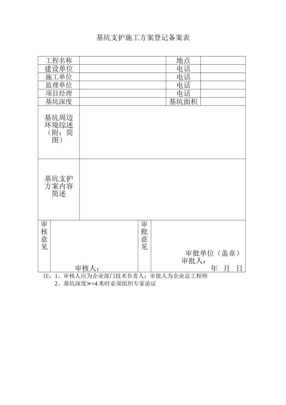
基坑支护施工方案登记备案表工程名称地点建设单位电话施工单位电话监理单位电话项目经理电话基坑深度基坑面积基坑周边环境综述(附:简图)基坑支护方案内容简述审核意见审核人:审批意见审批单位(盖章) 审批人:年 月 日注:1、审核人应为企业部门技术负责人;审批人为企业总工程师2、基坑深度>=4 米时必须组织专家论证 说 明 星欣设计图库资料专卖店拥有最新最全的设计参考图库资料,内容涉及景观园林、建筑、规划、室内装修、建筑结构、暖通空调、给排水、电气设计、施工组织设计等各个领域的设计素材和设计图纸等参考学习资料。是为广阔艺术设计工作者优质设计学习参考资料。本站所售的参考资料包括设计方案和施工图案例已达几十万套以上,总量在数千 G 以上。 图库网址 http://www.xingsc.cnftp://xingxin.gnway.net 联系 QQ:447255935电话:13111542600

1、当您付费下载文档后,您只拥有了使用权限,并不意味着购买了版权,文档只能用于自身使用,不得用于其他商业用途(如 [转卖]进行直接盈利或[编辑后售卖]进行间接盈利)。
2、本站所有内容均由合作方或网友上传,本站不对文档的完整性、权威性及其观点立场正确性做任何保证或承诺!文档内容仅供研究参考,付费前请自行鉴别。
3、如文档内容存在违规,或者侵犯商业秘密、侵犯著作权等,请点击“违规举报”。

碎片内容

基坑支护施工组织设计方案登记备案表

您可能关注的文档

确认删除?
VIP
微信客服
  • 扫码咨询
会员Q群
  • 会员专属群点击这里加入QQ群
客服邮箱
回到顶部