电脑桌面
添加小米粒文库到电脑桌面
安装后可以在桌面快捷访问

排水道路质量平定表

排水道路质量平定表_第1页
1/3
排水道路质量平定表_第2页
2/3
排水道路质量平定表_第3页
3/3
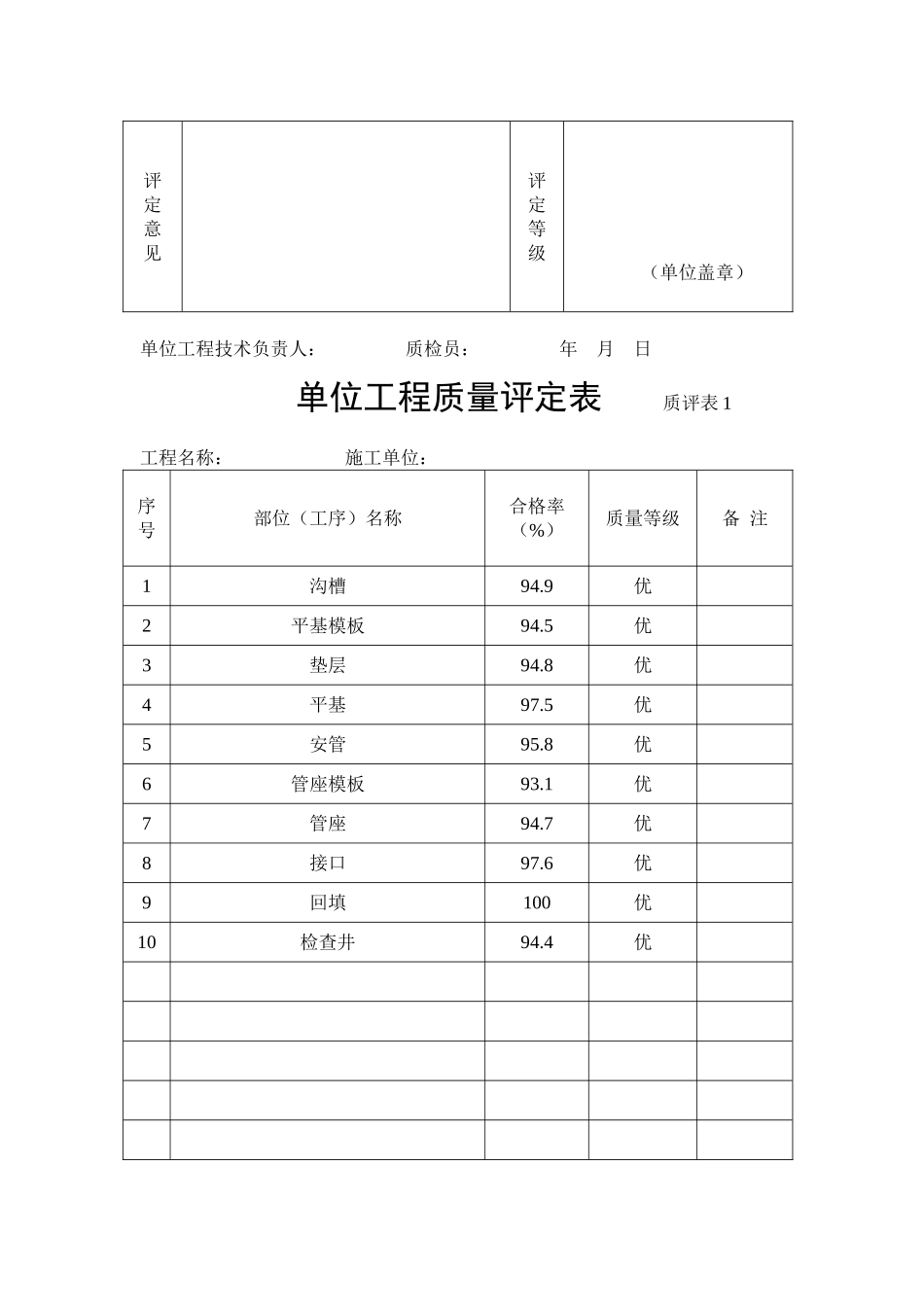
单位工程质量评定表 质评表 1工程名称: 施工单位: 序号部位(工序)名称合格率(%)质量等级备 注1路床 96.3优210: 90 石灰土基层98.3优3收水井、支管90.9优4二灰碎石96.5优5边石96.2优6粗粒式沥青混凝土95.4优7中粒式沥青混凝土96.5优8人行步道路床97.3优9人行步道水泥稳定石屑99.0优10界石96.2优11人行步道彩色方砖96.1优121314平均合格率(%)96.2评定意见评定等级 (单位盖章)单位工程技术负责人: 质检员: 年 月 日 单位工程质量评定表 质评表 1工程名称: 施工单位: 序号部位(工序)名称合格率(%)质量等级备 注1沟槽94.9优2平基模板94.5优3垫层94.8优4平基97.5优5安管95.8优6管座模板93.1优7管座94.7优8接口97.6优9回填100优10检查井94.4优平均合格率(%)95.7评定意见评定等级 (单位盖章)单位工程技术负责人: 质检员: 年 月 日

1、当您付费下载文档后,您只拥有了使用权限,并不意味着购买了版权,文档只能用于自身使用,不得用于其他商业用途(如 [转卖]进行直接盈利或[编辑后售卖]进行间接盈利)。
2、本站所有内容均由合作方或网友上传,本站不对文档的完整性、权威性及其观点立场正确性做任何保证或承诺!文档内容仅供研究参考,付费前请自行鉴别。
3、如文档内容存在违规,或者侵犯商业秘密、侵犯著作权等,请点击“违规举报”。

碎片内容

排水道路质量平定表

您可能关注的文档

确认删除?
VIP
微信客服
  • 扫码咨询
会员Q群
  • 会员专属群点击这里加入QQ群
客服邮箱
回到顶部