电脑桌面
添加小米粒文库到电脑桌面
安装后可以在桌面快捷访问

普通住宅桩基础工程施工方案

普通住宅桩基础工程施工方案_第1页
1/8
普通住宅桩基础工程施工方案_第2页
2/8
普通住宅桩基础工程施工方案_第3页
3/8
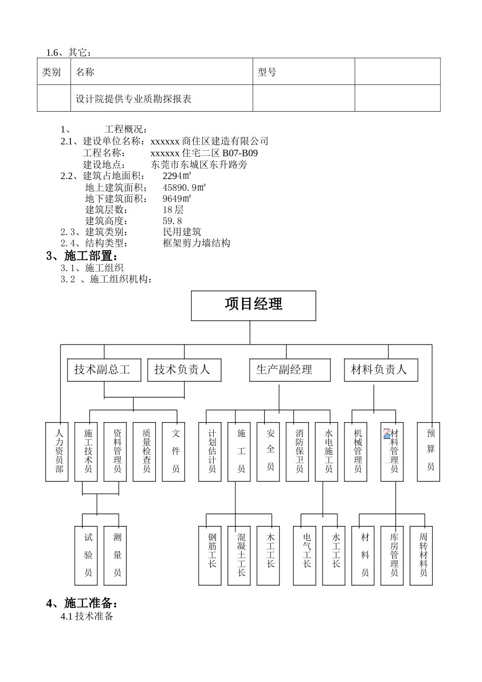
xxxxxx 工程专项工程施工方案1、 编制依据:1.1、 xxxxxx 住宅二区 B01-B09 建筑工程施工合同1.2、 xxxxxx 住宅二区 B01-B09 工程施工图1.3、 主要规程、法律规范1.4、主要标准:类别名称型号国家建筑工程施工工程质量验收统一标准GB50300-2001混凝土质量控制标准GB50164-92混凝土质量强度检验评定标准GBJ107-87行业建筑施工安全检查评定标准TGJ59-991.5、主要法规:类别名称型号国家中华人民共和国建筑法建筑工程质量管理条例中华人民共和国合同法工程建筑标准强制性条文建筑施工企业安全生产责任制类别名称型号备注国家混凝土结构工程施工质量验收法律规范GB502040-2025工程测量法律规范GB50026-93建筑地基基础工程施工质量验收法律规范GB50202-2025行业钢筋焊接及验收JGT18-96混凝土泵送施工技术规程TGJ/T10-95地方施工现场临时用电安全技术规程TGJ46-88商品砼质量管理规程DBJ01-26-96建设工程监理规程DBJ01-91-20251.6、其它:类别名称型号设计院提供专业质勘探报表1、工程概况:2.1、建设单位名称:xxxxxx 商住区建造有限公司 工程名称: xxxxxx 住宅二区 B07-B09 建设地点: 东莞市东城区东升路旁2.2、建筑占地面积: 2294㎡ 地上建筑面积: 45890.9㎡ 地下建筑面积: 9649㎡ 建筑层数: 18 层 建筑高度: 59.82.3、建筑类别: 民用建筑2.4、结构类型: 框架剪力墙结构3、施工部置:3.1、施工组织 3.2 、施工组织机构:4、施工准备:4.1 技术准备项目经理技术副总工技术负责人生产副经理材料负责人人力资员部资料管理员机械管理员质量检查员消防保卫员施工技术员文 件 员计划估计员预 算 员施 工 员安 全 员水电施工员材料管理员钢筋工长电气工长水工工长周转材料员库房管理员混凝土工长材 料 员木工工长试 验 员测 量 员4.1.1 在仔细熟悉图纸的基础上,进行设计交底,办理好一次性技术洽商,并根据图纸要求配备好相应规程、法律规范,做好相关人员交底工作。4.1.2 器具准备:序号名称型号精度数量是否在检定周期内1水准仪D2S3-11是2水准仪DS31是3经伟仪DJ21是4钢卷 R50m2是4.2 材料及主要机具: 4.2.1 水泥:宜采纳325 号~425 号普通硅酸盐水泥或矿渣硅酸盐水泥。4.2.2 砂:中砂或粗砂,含泥量不大于 5%。 4.2.3 石子:粒径为 0.5~3.2cm 的卵石或碎石;桩身混凝土也可用粒径不大于 5cm 的石子,且含泥量不大于 2%。 4.2.4 水:应用自来水或不含有害物质的干净水。 4....

1、当您付费下载文档后,您只拥有了使用权限,并不意味着购买了版权,文档只能用于自身使用,不得用于其他商业用途(如 [转卖]进行直接盈利或[编辑后售卖]进行间接盈利)。
2、本站所有内容均由合作方或网友上传,本站不对文档的完整性、权威性及其观点立场正确性做任何保证或承诺!文档内容仅供研究参考,付费前请自行鉴别。
3、如文档内容存在违规,或者侵犯商业秘密、侵犯著作权等,请点击“违规举报”。

碎片内容

普通住宅桩基础工程施工方案

确认删除?
VIP
微信客服
  • 扫码咨询
会员Q群
  • 会员专属群点击这里加入QQ群
客服邮箱
回到顶部