电脑桌面
添加小米粒文库到电脑桌面
安装后可以在桌面快捷访问

智能化专业设计管控要点

智能化专业设计管控要点_第1页
1/3
智能化专业设计管控要点_第2页
2/3
智能化专业设计管控要点_第3页
3/3
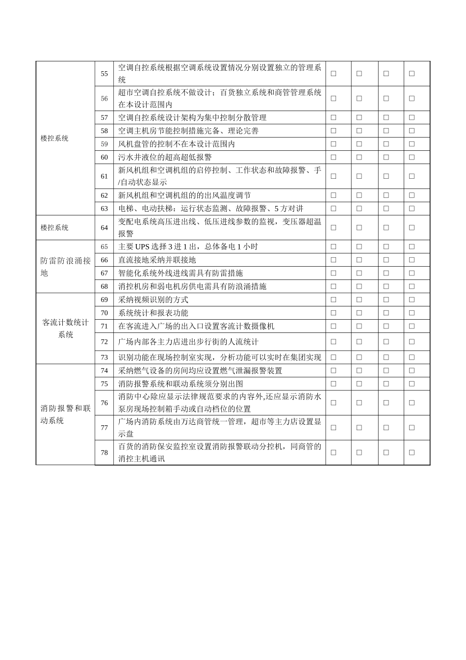
3.6 智能化专业设计管控要点管控分项序号管控要点交底确认设计自检项目公司审核规划院审核电视监控系统1车库出入口设置双向摄像头,车道拐角处需要覆盖□□□□2步行街和百货卖场的所有出入口设置固定镜头彩色摄像机进行监控□□□□3除超市外所有垂直梯内设置摄像机□□□□4除超市外所有扶梯设置摄像机进行监控□□□□5保安消防控制室内、办公区出入口、生活水泵房、锅炉房、变电所等重要设备机房区域设置摄像头进行保护□□□□6裙楼屋面适当设置广角镜头摄像机进行监控□□□□7除室内外摄像机选择照度 0.001LUX 以上彩色转黑白机型,420TVL 以上□□□□8超过 350 米的摄像机图像信号根据造价情况选择光端机传输或放大传输线径□□□□9财务现金室设置单独的硬盘录像机,并满足手工切换录像□□□□10所有图像需要全部进入矩阵进行管理,同时全部进录像机录像□□□□11实行 D1 格式数字硬盘录像,每秒 10 帧录像保留 30 天□□□□防盗报警系统防盗报警系统12财务现金室设置双鉴探头进行保护,现场撤布防□□□□13收银台、财务室、总服务台设防抢报警按钮□□□□14步行街内部不设置双鉴探头,百货卖场出入口需要设置□□□□15双鉴探头选择需要有防拆和防宠物功能□□□□16首层对外玻璃窗设玻璃破裂探头进行不撤防保护□□□□17报警系统单独备电 8 小时□□□□18控制中心多媒体声光报警,密码复位□□□□19值班员和管理人员通过密码实现分级管理,系统满足查询和打印的管理需要□□□□综合布线系统20步行街精品店按每独立店铺设置 2 个 UTP5e 点位□□□□21百货卖场每柱设置 1 语音点 1 数据点□□□□22办公区每工位设置 1 语音点 1 数据点□□□□23百货部分的中心配线架在百货办公区,大商业的中心配线架设在地下室的弱电机房□□□□24百货的收银台设 1 语音点 2 数据点□□□□25数据主干选择光纤、语音主干选择大对数铜缆□□□□管控分项序号管控要点交底确认设计自检项目公司审核规划院审核计算机网络系统26网络交换机通过光纤端口同远距离联网设备联网□□□□27交换机支持 VPN□□□□28物业办公 2 个 48 口、百货办公 2 个 48 口,停车场管理 1 个12 口□□□□背景音乐系统29步行街店铺内、外、中庭喇叭、室外音柱分别设置回路方便控制管理□□□□30室内步行街公共区喇叭间距 8 米□□□□31百货卖场每柱网设置 1 喇叭□□□□32首层主要客流出入口外设置 40 瓦音柱,...

1、当您付费下载文档后,您只拥有了使用权限,并不意味着购买了版权,文档只能用于自身使用,不得用于其他商业用途(如 [转卖]进行直接盈利或[编辑后售卖]进行间接盈利)。
2、本站所有内容均由合作方或网友上传,本站不对文档的完整性、权威性及其观点立场正确性做任何保证或承诺!文档内容仅供研究参考,付费前请自行鉴别。
3、如文档内容存在违规,或者侵犯商业秘密、侵犯著作权等,请点击“违规举报”。

碎片内容

智能化专业设计管控要点

一二三四传媒+ 关注
实名认证
内容提供者

大量资料供您选择,没有合适的可以联系小二。

确认删除?
VIP
微信客服
  • 扫码咨询
会员Q群
  • 会员专属群点击这里加入QQ群
客服邮箱
回到顶部