电脑桌面
添加小米粒文库到电脑桌面
安装后可以在桌面快捷访问

木模板安装与拆除-secretVIP专享

木模板安装与拆除-secret_第1页
1/5
木模板安装与拆除-secret_第2页
2/5
木模板安装与拆除-secret_第3页
3/5
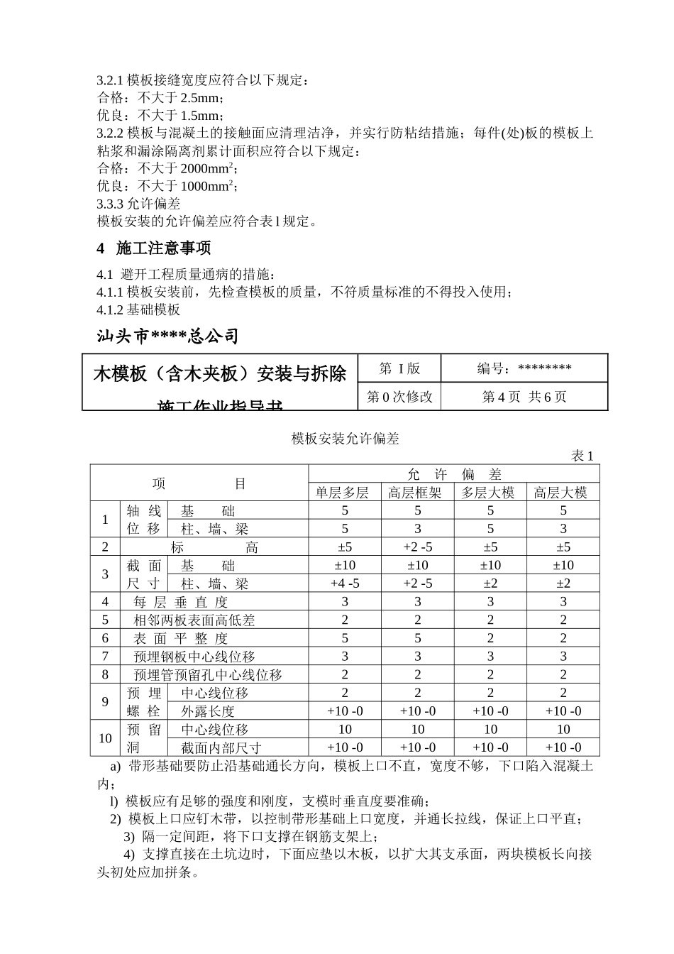
汕头市****总公司木模板(含木夹板)安装与拆除 施工作业指导书第 I 版编号:********第 0 次修改第 1 页 共 6 页 本文件目的在于提高对木模安装与拆除的质量要求,明确了木模板(含木夹板)安装与拆除的操作工艺及质量标准、注意事项,保证木模板安实装质量及拆除效果。 本文件适用于建(构)筑物的现浇混凝土结构施工。 引用文件:《大模板多层住宅结构设计与施工规程》JGJ20-84。1 施工准备1.1 材料1.1.1 木模板(或夹板):其规格、种类必须符合设计要求;1.1.2 木枋:木枋的规格、种类必须符合设计要求;1.1.3 支架系统:木支架或各种定型桁架、支柱、托具、卡具、螺栓、钢门式刚架、交叉撑、钢管等符合设计要求。l.2 作业条件1.2.1 模板设计:在会审图纸后,根据工程的特点,计划合同工期及现场环境,对各分部混凝土模板进行设计,确定木模板制作的几何形状、尺寸要求,龙骨的规格、间距,选用支架系统;绘制各分部混凝土模板设计图(包括模板平面布置图、剖面图、组装图、节点大样图、零件加工图等),操作工艺要求及说明;1.2.2 木模板备料:模板数量应按模板设计方案结合施工流水段的划分,进行综合考虑,合理确定模板的配置数量;1.2.3 模板涂刷脱模剂,并分规格堆放;l.2.4 根据图纸要求,放好轴线和模板边线,定好水平控制标高;1.2.5 墙、柱钢筋绑扎完毕,水电管及预埋件已安装,绑好钢筋保护层垫块,并办完隐蔽验收手续;1.2.6 根据模板方案、图纸要求和工艺标准,向班组进行质量、安全技术交底。2 操作工艺2.1 基础模板2.1.1 阶梯形独立基础:根据图纸尺寸制作每一阶梯模板,支模顺序由下至上逐层向上安装,先安装底层阶梯模板,用斜撑和水平撑钉稳钉牢;核对模板墨线及标高,进行绑扎钢筋及垫块,再进行上一阶模扳安装,重新核对墨线各部位尺寸,并把斜撑、汕头市****总公司木模板(含木夹板)安装与拆除 施工作业指导书第 I 版编号:********第 0 次修改第 2 页 共 6 页水平支撑以及拉杆加以钉紧、撑牢,最后检查拉杆是否稳固,校核基础模板几何尺寸及轴线位置;2.1.2 杯形独立基础:与阶梯形独立基础相似,不同的是增加一个中心杯芯模,杯口上大下小略有斜度,芯模安装前应钉成整体,轿杆钉于两侧,中心杯芯模完成后要全面校核中心轴线和标高;2.1.3 条形基础模板:侧板和端头板制成后,应先在基槽底弹出基础边线和中心线,再把侧板和端头板对准边线和中心线,用水平尺校正侧板顶面水平经检测...

1、当您付费下载文档后,您只拥有了使用权限,并不意味着购买了版权,文档只能用于自身使用,不得用于其他商业用途(如 [转卖]进行直接盈利或[编辑后售卖]进行间接盈利)。
2、本站所有内容均由合作方或网友上传,本站不对文档的完整性、权威性及其观点立场正确性做任何保证或承诺!文档内容仅供研究参考,付费前请自行鉴别。
3、如文档内容存在违规,或者侵犯商业秘密、侵犯著作权等,请点击“违规举报”。

碎片内容

木模板安装与拆除-secret

确认删除?
VIP
微信客服
  • 扫码咨询
会员Q群
  • 会员专属群点击这里加入QQ群
客服邮箱
回到顶部