电脑桌面
添加小米粒文库到电脑桌面
安装后可以在桌面快捷访问

桥梁加固工程施工招标文件

桥梁加固工程施工招标文件_第1页
1/86
桥梁加固工程施工招标文件_第2页
2/86
桥梁加固工程施工招标文件_第3页
3/86
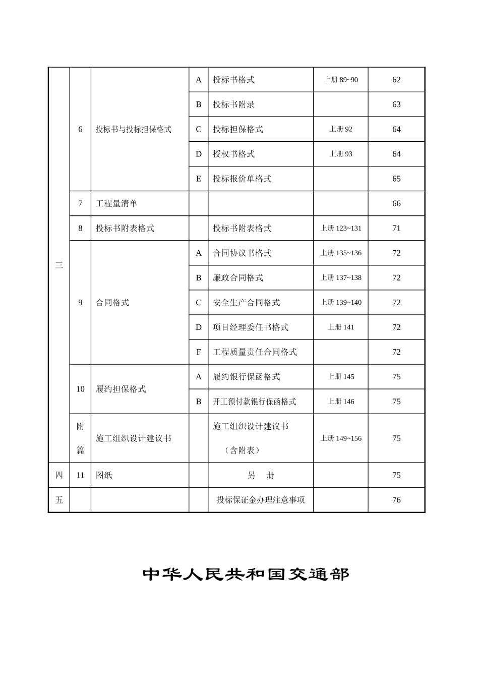
说 明 一、**五桥加固工程施工招标文件,由交通部《公路工程国内招标文件范本》(2025年版)以下简称《范本》和招标人根据本项目实际自编《项目专用本》共同组成。两者是一个整体,具有同等的法律效力。二、《范本》中的投标人须知、合同通用条款、技术法律规范和相关的表格格式是供所有招标文件通用的标准化条款和法律规范;针对本项目实际对《范本》所作的修改、补充和具体化,分别编在《项目专用本》的投标人须知资料表、投标人须知修改表、合同专用条款数据表、合同专用条款、技术法律规范专用条款及有关表格中。凡《项目专用本》与《范本》对同一条款的规定和要求或数据有不一致之处,以《项目专用本》规定为准;《项目专用本》未列入的,仍按《范本》的规定和要求执行。三、投标人应将《项目专用本》与《范本》结合阅读,并按《范本》和《项目专用本》的要求认真编制投标文件,完整地反映招标文件的规定和内容,避开投标文件因不能通过符合性审查而被拒绝。四、《范本》由投标人自备。五、本《项目专用本》由招标人享有最终解释权。 招标人:**市**区交通局**五桥加固工程施工招标文件目 录(含分册目录)卷次篇次目 录内 容《范本》《项目专用本》页 码页 码一1投标邀请书格式投标邀请书62投标人须知投标人须知上册 13~281投标人须知资料表82投标人须知修改表103附件 1 工程说明19附件 2 本项目地理位置图23附件 3 招标评标办法24附件 4 投标文件目录和投标文件装订的规定33附件 5 资格后审强制性条件要求3合同通用条款合同通用条款上册 33~78354合同专用条款1合同专用条款数据表362合同专用条款38二5技术法律规范1技术法律规范下册 1~390502技术法律规范专用条款51三6投标书与投标担保格式A投标书格式上册 89~9062B投标书附录63C投标担保格式上册 9264D授权书格式上册 9364E投标报价单格式657工程量清单668投标书附表格式投标书附表格式上册 123~131719合同格式A合同协议书格式上册 135~13672B廉政合同格式上册 137~13872C安全生产合同格式上册 139~14072D项目经理委任书格式上册 14172F工程质量责任合同格式7210履约担保格式A履约银行保函格式上册 14575B开工预付款银行保函格式上册 14675附篇施工组织设计建议书施工组织设计建议书 (含附表)上册 149~15675四11图纸另 册75五投标保证金办理注意事项76中华人民共和国交通部公路工程国内招标文件范本(2025 年版)(上、下册)交 公 路 发[2025]94...

1、当您付费下载文档后,您只拥有了使用权限,并不意味着购买了版权,文档只能用于自身使用,不得用于其他商业用途(如 [转卖]进行直接盈利或[编辑后售卖]进行间接盈利)。
2、本站所有内容均由合作方或网友上传,本站不对文档的完整性、权威性及其观点立场正确性做任何保证或承诺!文档内容仅供研究参考,付费前请自行鉴别。
3、如文档内容存在违规,或者侵犯商业秘密、侵犯著作权等,请点击“违规举报”。

碎片内容

桥梁加固工程施工招标文件

您可能关注的文档

确认删除?
VIP
微信客服
  • 扫码咨询
会员Q群
  • 会员专属群点击这里加入QQ群
客服邮箱
回到顶部