电脑桌面
添加小米粒文库到电脑桌面
安装后可以在桌面快捷访问

模板支架计算书

模板支架计算书_第1页
1/7
模板支架计算书_第2页
2/7
模板支架计算书_第3页
3/7
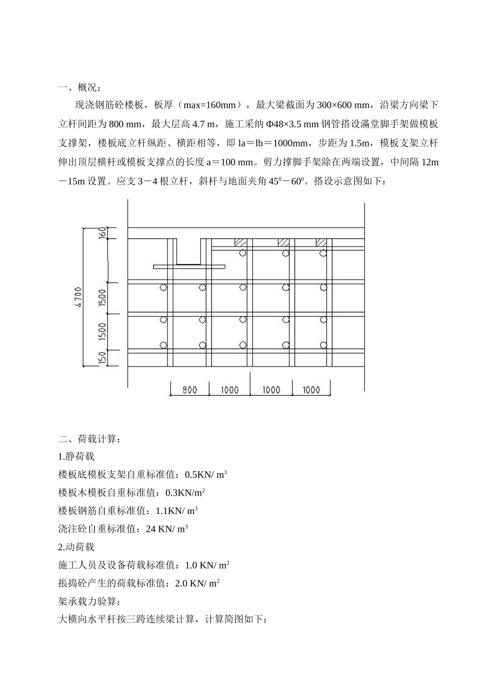
模板支架计算书 一、概况:现浇钢筋砼楼板,板厚(max=160mm),最大梁截面为 300×600 mm,沿梁方向梁下立杆间距为 800 mm,最大层高 4.7 m,施工采纳 Ф48×3.5 mm 钢管搭设滿堂脚手架做模板支撑架,楼板底立杆纵距、横距相等,即 la=lb=1000mm,步距为 1.5m,模板支架立杆伸出顶层横杆或模板支撑点的长度 a=100 mm。剪力撑脚手架除在两端设置,中间隔 12m-15m 设置。应支 3-4 根立杆,斜杆与地面夹角 450-600。搭设示意图如下:二、荷载计算:1.静荷载楼板底模板支架自重标准值:0.5KN/ m3楼板木模板自重标准值:0.3KN/m2楼板钢筋自重标准值:1.1KN/ m3浇注砼自重标准值:24 KN/ m32.动荷载施工人员及设备荷载标准值:1.0 KN/ m2掁捣砼产生的荷载标准值:2.0 KN/ m2架承载力验算:大横向水平杆按三跨连续梁计算,计算简图如下:q作用大横向水平杆永久荷载标准值:qK1=0.3×1+1.1×1×0.16+24×1×0.16=4.32 KN/m作用大横向水平杆永久荷载标准值:q1=1.2 qK1=1.2×4.32=5.184 KN/m作用大横向水平杆可变荷载标准值:qK2=1×1+2×1=3KN/m作用大横向水平杆可变荷载设计值:q2=1.4 qK2=1.4×3=4.2 KN/m大横向水平杆受最大弯矩M=0.1q1Ib2+0.117q2Ib2=0.1×5.184×12+0.117×4.2×12=1.01 KN/m抗弯强度:σ=M/W=1.01×106/5.08×103=198.82N/ m2<205N/ m2=f 滿足要求挠度:V=14×(0.667 q1+0.99 qK2)/100EI =14×(0.667×5.184+0.99×3)/100×2.06×105×12.19×104 =2.6 mm<5000/1000=5 mm 滿足要求3.扣件抗滑力计算 大横向水平杆传给立杆最大竖向力R=1.1q1Ib+1.2q2Ib=1.1×5.184×1+1.2×4.2×1=10.74KN>8KN,不能滿足,应实行措施,紧靠立杆原扣件下立端,增设一扣件,在主节点处立杆上为双扣件,即 R=10.74KN<16KN,滿足要求。4.板下支架立杆计算:支架立杆的轴向力设计值为大横杆传给立杆最大竖向力与楼板底模板支架自重产生的轴向力设计值之和,即:N=R+0.5×1.2+10.74+0.5×1.2=11.34KN模板支架立杆的计算长度 I0=h+2a=1.5+2×0.1=1.7 m取长度系数 μ=1.5λ=I0/I=KμI0/i取 K=1,λ=1.5×170/1.58=161.39<〔λ〕=210,滿足要求取 K=1.155 λ=1.155×1.5×170/1.58=186.4 Ψ=0.207验算支架立杆稳定性,即N/ΨA=11.34×103/0.207×489=112.03N/ mm2<205 N/ mm2=f,滿足要求5.梁下立杆强度计算(计算 1.6 m 范围...

1、当您付费下载文档后,您只拥有了使用权限,并不意味着购买了版权,文档只能用于自身使用,不得用于其他商业用途(如 [转卖]进行直接盈利或[编辑后售卖]进行间接盈利)。
2、本站所有内容均由合作方或网友上传,本站不对文档的完整性、权威性及其观点立场正确性做任何保证或承诺!文档内容仅供研究参考,付费前请自行鉴别。
3、如文档内容存在违规,或者侵犯商业秘密、侵犯著作权等,请点击“违规举报”。

碎片内容

模板支架计算书

确认删除?
VIP
微信客服
  • 扫码咨询
会员Q群
  • 会员专属群点击这里加入QQ群
客服邮箱
回到顶部