电脑桌面
添加小米粒文库到电脑桌面
安装后可以在桌面快捷访问

汽轮机验评表填写

汽轮机验评表填写_第1页
1/67
汽轮机验评表填写_第2页
2/67
汽轮机验评表填写_第3页
3/67
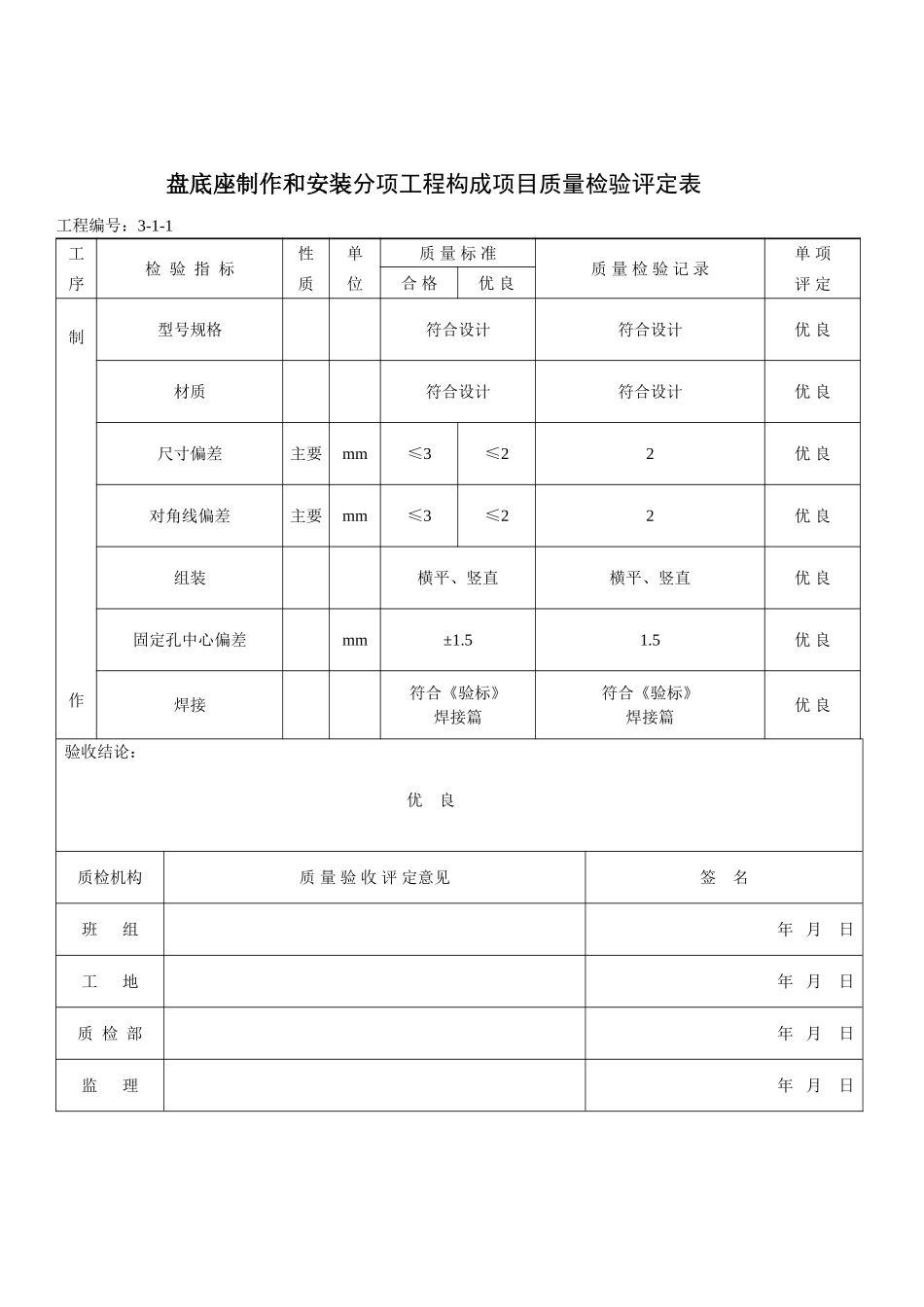
汽轮机发电机组热控安装单位工程质量检验评定表工程名称:汽轮发电机组热控安装 工程编号:3 工序分部工程名称性质分项工程质量等级备注3—1就地控制盘(箱、柜)安装优良3—2取源部件及敏感元件安装优良3—3测量和控制仪表设备安装优良3—4电气线路安装主要优良3—5管路敷设主要优良3—6热控回路校线试动作优良验收结论:优 良质检机构质 量 验 收 评 定意见签 名工 地 年 月 日质 检 部 年 月 日监 理 年 月 日建设单位 年 月 日 就地控制盘(箱、柜)安装分部工程质量检验评定表工程名称:汽轮发电机组热控安装 工程编号:3—1 工序分项工程名称性质分项工程质量等级备注3-1-1盘底座制作和安装优良3-1-2盘(箱、柜)安装主要优良3-1-3盘上照明设备安装优良验收结论:优 良质检机构质 量 验 收 评 定意见签 名工 地 年 月 日质 检 部 年 月 日监 理 年 月 日建设单位 年 月 日盘底座制作和安装分项工程构成项目质量检验评定表工程编号:3-1-1 工序检 验 指 标性质单位质 量 标 准质 量 检 验 记 录单 项评 定合 格优 良制作型号规格符合设计符合设计优 良材质符合设计符合设计优 良尺寸偏差主要mm≤3≤22优 良对角线偏差主要mm≤3≤22优 良组装横平、竖直横平、竖直优 良固定孔中心偏差mm±1.51.5优 良焊接符合《验标》焊接篇符合《验标》焊接篇优 良验收结论:优 良质检机构质 量 验 收 评 定意见签 名班 组 年 月 日工 地 年 月 日质 检 部 年 月 日监 理 年 月 日盘底座制作和安装分项工程构成项目质量检验评定表 工程编号:3-1-1 工序检 验 指 标性质单位质 量 标 准质 量 检 验 记 录单 项评 定合 格优 良安装位置符合设计符合设计优 良水平偏差单个盘主要mm≤3≤22优 良成排盘每米mm/m≤22优 良全长主要mm≤33优 良底座顶高出地面mm10~2015合格固定牢固牢固优 良油漆均匀、完整、美观均匀、完整、美观优 良验收结论:优 良质检机构质 量 验 收 评 定意见签 名班 组 年 月 日工 地 年 月 日质 检 部 年 月 日监 理 年 月 日盘(箱、柜)安装分项工程构成项目质量检验评定表工程编号:3-1-2 工序检 验 指 标性质单位质 量 标 准质 量 检 验 记 录单 项评 定合 格优 良检查型号规格符合设计符合设计优 良外观无残损无残损优 良配件设备齐全、完好齐全、完好优 良配...

1、当您付费下载文档后,您只拥有了使用权限,并不意味着购买了版权,文档只能用于自身使用,不得用于其他商业用途(如 [转卖]进行直接盈利或[编辑后售卖]进行间接盈利)。
2、本站所有内容均由合作方或网友上传,本站不对文档的完整性、权威性及其观点立场正确性做任何保证或承诺!文档内容仅供研究参考,付费前请自行鉴别。
3、如文档内容存在违规,或者侵犯商业秘密、侵犯著作权等,请点击“违规举报”。

碎片内容

汽轮机验评表填写

确认删除?
VIP
微信客服
  • 扫码咨询
会员Q群
  • 会员专属群点击这里加入QQ群
客服邮箱
回到顶部