电脑桌面
添加小米粒文库到电脑桌面
安装后可以在桌面快捷访问

混凝土及钢混工程工程量清单计价编制例题

混凝土及钢混工程工程量清单计价编制例题_第1页
1/21
混凝土及钢混工程工程量清单计价编制例题_第2页
2/21
混凝土及钢混工程工程量清单计价编制例题_第3页
3/21
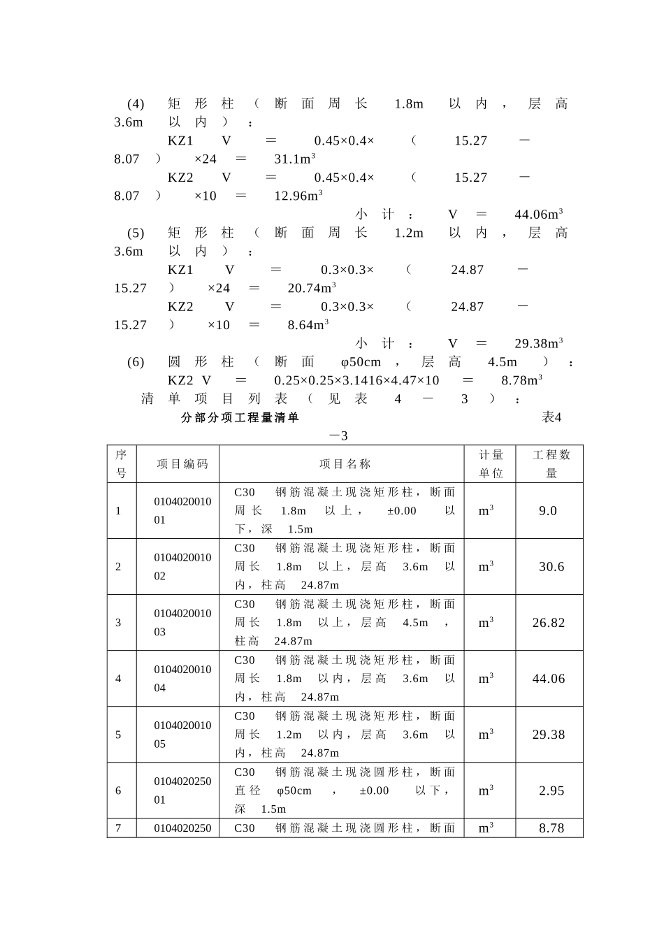
砼 及 钢 筋 砼 工 程 工 程 量 清 单 编 制例 题例1 :根据土石方工程例题2 提供的基础图,计算混凝土墙基和柱基清单工程量,并编列项目清单。解:根据本工程基础类型和断面规格,应分别按1 -1 、2 -2 和J -1应分别列项。工程量计算:断面1 -1 :L =(10+9)×2-1.0×6+0.38 =32.38m (0.38 为垛折加长度)墙基基本体积V =32.38×[1.2×0.2+(1.2+0.3)×0.05÷2+0.3×0.35] =12.39m3根据基础的高度,可知墙基上部250mm高度的梁与J -1 搭接,其搭接长度为 0.8÷0.35×0.25=0.571m ,共有6 个搭接部位。∴搭接体积:V =0.571×0.3×0.25÷2×6 =0.13m3 1—1断面墙基工程量小计:V=12.52 m3 断面2 -2 :L =9 -0.6×2 +0.38 =8.18m墙基基本体积V =8.18×[1.4×0.2+(1.4+0.3)×0.05÷2+0.3×0.35] =3.50m3与1 -1 断面搭接长度=(1.2 -0.3)÷2 =0.45m 共有2 个搭接部位,搭接体积:V =0.45×[(1.4 -0.3)×0.05÷3+0.3×0.35]×2 =0.11m32—2断面墙基工程量小计:V=3.61 m3J -1 : 为四棱台独立柱基,体积:V =[2×2×0.35+(2×2 +2×0.4+0.4×0.4)×0.35÷3]×3只=5.94m3 根据工程量清单格式,编列该工程基础工程量清单(见表4 -4 ):4、应注意的问题(1)基础与上部结构的划分以混凝土基础上表面为界;基础与垫层如设计不明确时,以厚度划分:15cm以内的为垫层,15cm以上的为基础。 分 部 分 项 工 程 量 清 单 表4 -1序号项 目 编 码项 目 名 称计 量单 位工 程 数量1010401001001C20 钢 筋 砼 有 梁 式 带 形 基 础 : 底 宽1.2m , 厚 200, 锥 高 0.05m, 梁 高350, 宽 300, 基 底 长 32.38m ; C10砼 垫 层 , 宽 度 1.4m , 厚 0.1mm312.522010401001002C20 钢 筋 砼 有 梁 式 带 形 基 础 : 底 宽1.4m , 厚 200, 锥 高 0.05m, 梁 高350, 宽 300, 基 底 长 8.18m; C10砼 垫 层 , 宽 度 1.6m , 厚 0.1mm33.613010401002001C20 钢 筋 砼 独 立 柱 基 (共 3 只 ): 基底2m×2m,厚0.35m,顶面0.4m×0.4m, 锥 高 0.35m; 基 底 C10 砼m35.94垫 层 2.2m×2.2m, 厚 0.1m例2:表4-2为某工程设计平法标注框架柱表,试计算KZ1、KZ2清单工程量并编列项目清单。解:根据题意资料,该工程框架柱列项应按断面形式分...

1、当您付费下载文档后,您只拥有了使用权限,并不意味着购买了版权,文档只能用于自身使用,不得用于其他商业用途(如 [转卖]进行直接盈利或[编辑后售卖]进行间接盈利)。
2、本站所有内容均由合作方或网友上传,本站不对文档的完整性、权威性及其观点立场正确性做任何保证或承诺!文档内容仅供研究参考,付费前请自行鉴别。
3、如文档内容存在违规,或者侵犯商业秘密、侵犯著作权等,请点击“违规举报”。

碎片内容

混凝土及钢混工程工程量清单计价编制例题

您可能关注的文档

确认删除?
VIP
微信客服
  • 扫码咨询
会员Q群
  • 会员专属群点击这里加入QQ群
客服邮箱
回到顶部