电脑桌面
添加小米粒文库到电脑桌面
安装后可以在桌面快捷访问

混凝土施工方案

混凝土施工方案_第1页
1/17
混凝土施工方案_第2页
2/17
混凝土施工方案_第3页
3/17
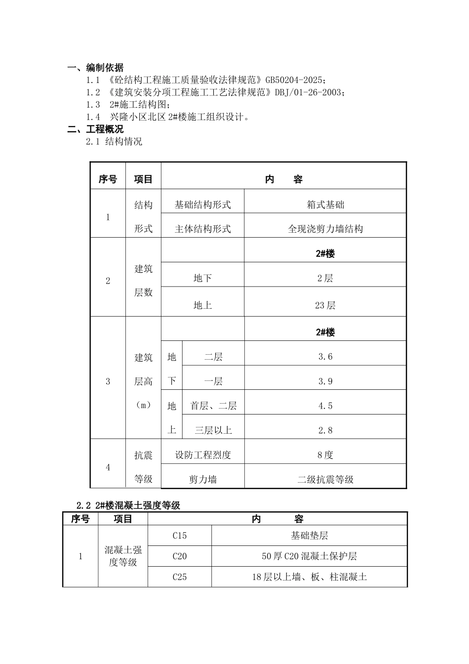
一、编制依据1.1 《砼结构工程施工质量验收法律规范》GB50204-2025; 1.2 《建筑安装分项工程施工工艺法律规范》DBJ/01-26-2003; 1.3 2#施工结构图;1.4 兴隆小区北区 2#楼施工组织设计。二、工程概况2.1 结构情况2.2 2#楼混凝土强度等级序号项目内 容1混凝土强度等级C15基础垫层C2050 厚 C20 混凝土保护层C2518 层以上墙、板、柱混凝土序号项目内 容1结构形式基础结构形式箱式基础主体结构形式全现浇剪力墙结构2建筑层数2#楼地下2 层地上23 层3建筑层高(m)2#楼4#楼地下二层3.62A#(3.8)一层3.9地上首层、二层4.5三层以上2.84抗震等级设防工程烈度8 度剪力墙二级抗震等级C307 ~ 18 层墙、板、柱混凝土C357 层以下2抗渗等级C35、S8底板、地下室外墙、人防顶板2.3 钢筋保护层厚地下部分(±0.00 以下)底板50mm35mm外墙(里)50mm(25)板25mm梁及暗柱25mm地上部分(±0.00 以上)墙(里)25mm(15mm)楼板及楼梯15mm梁及暗柱25mm注: 保护层厚度最小不得小于受力钢筋直径2.4 商品混凝土厂家选用本工程采纳商品混凝土浇筑,混凝土泵送施工。经过考察审核,决定采纳北京胜利混凝土有限公司生产商品混凝土、另北京道桥混凝土有限公司和北京双良混凝土有限公司作为备用商品混凝土搅拌站。三、技术要求3.1 商品砼技术要求初凝时间:6~8 小时;水泥品种:P.O42.5;砂:中粗砂,含泥量不大于 3%,泥块含量小于 1%;石:0.5-2.5cm 碎卵石,含泥量不大于 1%,泥块含量小于 0.5%,压碎指标值符合法律规范要求,针片状含量小于 10%;水:饮用冷水;坍落度:底板及墙体为 120~140mm;顶板、楼梯及阳台为 140~160mm;供货速度:20m3/h,连续均匀不间断;质量要求:原材料符合有关规定、标准及配比要求,计量准确,进场坍落度满足施工要求,且和易性、保水性良好,不得擅自加水,不得出现离析现象,其强度等级必须符合技术要求,碱含量及骨料放射性指标限量符合设计和法律规范要求。技术资料:提供商品混凝土合格证和后补 28 天强度报告,一式三份,开盘鉴定及原材复试报告,配合比通知单等各种证明材料,碱含量计算书及骨料放射性指标检测报告。3.2 砼泵送技术要求输送管线宜直,转弯宜缓,接头要严密,如管道向下倾斜,应防止管线混入空气,产生堵塞,对泵管弯曲,变径接头处应进行加固。泵送前应先用适量的与混凝土内成分相同水泥砂浆润滑输入管内壁,开始泵送时,应使混凝土泵处于低速运转,等到泵压和各部分工作...

1、当您付费下载文档后,您只拥有了使用权限,并不意味着购买了版权,文档只能用于自身使用,不得用于其他商业用途(如 [转卖]进行直接盈利或[编辑后售卖]进行间接盈利)。
2、本站所有内容均由合作方或网友上传,本站不对文档的完整性、权威性及其观点立场正确性做任何保证或承诺!文档内容仅供研究参考,付费前请自行鉴别。
3、如文档内容存在违规,或者侵犯商业秘密、侵犯著作权等,请点击“违规举报”。

碎片内容

混凝土施工方案

人从众+ 关注
实名认证
内容提供者

欢迎光临小店,本店以公文和教育为主,希望符合您的需求。

确认删除?
VIP
微信客服
  • 扫码咨询
会员Q群
  • 会员专属群点击这里加入QQ群
客服邮箱
回到顶部