电脑桌面
添加小米粒文库到电脑桌面
安装后可以在桌面快捷访问

湖北某电厂工程重大危险源辩识清单

湖北某电厂工程重大危险源辩识清单_第1页
1/5
湖北某电厂工程重大危险源辩识清单_第2页
2/5
湖北某电厂工程重大危险源辩识清单_第3页
3/5
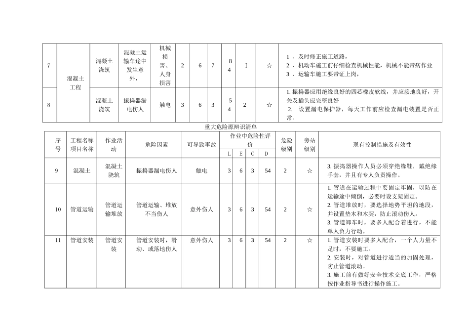
重大危险源辩识清单序号工程名称项目名称作业活动危险因素可导致事故作业中危险性评价危险级别旁站级别现有控制措施及有效性LECD1土方工程地下开挖、土方回填坑边缘没设栏杆遮挡,夜间无安全围栏警示,施工机械漏电跌伤、 机械损害6672522☆☆坑边缘设立围栏,夜间增加警示;施工电源箱装漏电器2土方坍塌、意外损害1615903☆1. 按法律规范规定和土质情况设置边坡。2. 冬雨季施工必须有专门的技术设施。3. 及时排除地表水,处理好开挖区域内的生产生活有水,防止进入滑坡塌方地段。4. 有地下水时,必须设置排水设置,及时排除地下水5 .基坑四周不得堆放任何物品,以确保边坡稳定。3挖掘机施工中的机械损害机械损害363181☆1. 机械挖掘前要发出信号。2. 严禁任何人在伸臂及挖斗下通过和逗留。3. 严禁人员进入斗内,不得利用挖斗传递物品。4. 用挖掘机施工时在挖掘机工作范围内,不允许进行其他工作 。5. 挖掘机停止工作时,应将挖斗放到地面,不得使其悬空。4模板工程模板安装、拆除模板支撑绊倒伤人,拆掉的模板上的铁钉扎伤人各种损害5862402☆☆1 、施工前要仔细拟好方案,施工前做好技术交底,严格按施工方案施工2 、现场设置禁戒范围,派专人监护3 、拆掉的模板及时分类码放整齐清运出现场。重大危险源辩识清单序号工程名称项目名称作业活动危险因素可导致事故作业中危险性评价危险级别旁站级别现有控制措施及有效性LECD5混凝土工程混凝土浇筑砼浇筑时拌倒摔伤意外损害63118Ⅰ☆1. 砼浇筑前先确定运输、浇灌方法,运输道路是否通畅。2. 平台砼浇筑前应将平台孔孔洞盖好,临边作业时应设立围护栏杆,为防止钢筋拌倒,应在平台上设置小马墩,上铺跳板形成人行通道。3. 夜间施工时,必须设立足够的照明,深坑和潮湿环境的施工应使用低压安全照明6搅拌站施工砼搅拌砼搅拌时机械伤人机械损害0.534531☆1. 进料时,严禁将头或手伸入料斗与机械间察看或探摸进料情况,运转时不得用手或工具等物伸入搅拌筒内扒料2. 料斗升起时,严禁在其下方工作或穿行。料坑底部要设料斗的枕垫,清理料坑时必须将料斗用链条扣紧。3. 向搅拌筒内加料应在运转中进行,添加新料必须先将搅拌机内原有的砼全部卸出后才能进行。不得中途停机或在满荷时启动搅拌机,翻转出料者除外。4. 作业中如发生故障不能继续运转时,应立即切断电源,将筒内的混凝土清除洁净,然后进行检修。5. 作业后应对搅拌机进行全面清洗,操作人员如需进入筒内清洗时,必须切...

1、当您付费下载文档后,您只拥有了使用权限,并不意味着购买了版权,文档只能用于自身使用,不得用于其他商业用途(如 [转卖]进行直接盈利或[编辑后售卖]进行间接盈利)。
2、本站所有内容均由合作方或网友上传,本站不对文档的完整性、权威性及其观点立场正确性做任何保证或承诺!文档内容仅供研究参考,付费前请自行鉴别。
3、如文档内容存在违规,或者侵犯商业秘密、侵犯著作权等,请点击“违规举报”。

碎片内容

湖北某电厂工程重大危险源辩识清单

您可能关注的文档

确认删除?
VIP
微信客服
  • 扫码咨询
会员Q群
  • 会员专属群点击这里加入QQ群
客服邮箱
回到顶部