电脑桌面
添加小米粒文库到电脑桌面
安装后可以在桌面快捷访问

玻璃栏板、设备栏杆安装质量验收记录

玻璃栏板、设备栏杆安装质量验收记录_第1页
1/3
玻璃栏板、设备栏杆安装质量验收记录_第2页
2/3
玻璃栏板、设备栏杆安装质量验收记录_第3页
3/3
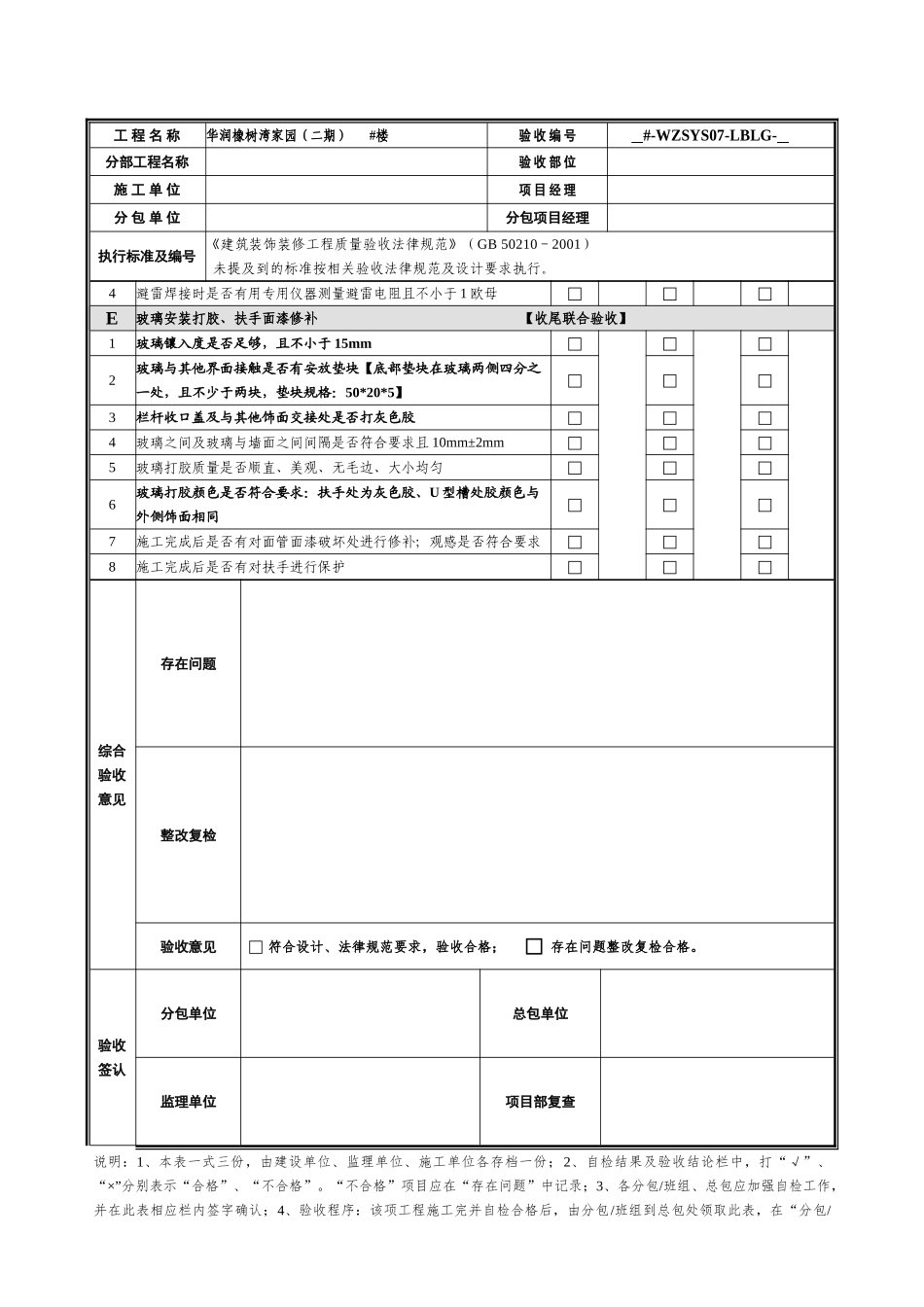
玻璃栏板、设备栏杆安装质量验收记录工 程 名 称华润橡树湾家园(二期) #楼验 收 编 号 #-WZSYS07-LBLG- 分部工程名称验 收 部 位施 工 单 位项 目 经 理分 包 单 位分包项目经理执行标准及编号《建筑装饰装修工程质量验收法律规范》(GB 50210-2001)未提及到的标准按相关验收法律规范及设计要求执行。检查项目检查内容及要求分包/班组自检总包专检验收结果结论签字结论签字结论签字A准备工作1施工方案是否已获批准□□□2样板是否施工完成并获得批准;样板编号: □□□3是否有进行技术交底并有相关文件□□□4进场材料验收合格并有验收单;验收编号: □□□5上一道工序【外墙排砖、二次结构】是否验收并移交;记录 □□□B栏板预埋;扶手、U 型槽安装1预埋板是否有预埋在砼块或砼结构上□□□2预埋板位置是否准确;标高是否符合要求□□□3膨胀螺栓是否有拧紧;且是否均有加 30*30 方垫片□□□4扶手面管与预埋板焊接时是否有保护罩保护,且焊接牢固不晃动□□□5扶手面管是否无变形,且不超过±4mm□□□6玻璃栏板安装时是否有吊线控制□□□7扶手面管与 U 型槽相对位置是否在同一平面上□□□8U 型槽处外侧是否有排水坡度且坡度范围 15%~30%□□□9U 型槽固定点内外布置间距是否不大于 500mm,且焊接牢固□□□10玻璃栏板安装高度是否符合法律规范:不低于室内建筑完成面1100mm□□□11栏板焊接时是否有对其他饰面进行保护□□□12成品保护是否已做到位、无漏保护□□□C栏杆预埋、栏杆安装1预埋板是否有预埋在砼块或砼结构上□□□2预埋板位置是否准确;标高是否符合要求□□□3膨胀螺栓是否有拧紧;且是否均有加 30*30 方垫片□□□4栏杆焊接前收口盖是否有放到位□□□5栏杆安装时是否有吊线控制□□□6栏杆焊接时是否有对其他饰面进行保护□□□7栏杆安装高度是否符合法律规范:不低于 1100mm□□□D栏板、栏杆避雷焊接 【监理】1副框避雷焊接长度是否足够【大于 12d】焊缝是否平顺饱满,焊渣是否清除洁净□□□2避雷连接是否有刷防锈漆□□□3栏杆、玻璃栏板避雷焊接是否有考虑不影响贴砖位置【不超过贴砖完成面内 10mm】□□□工 程 名 称华润橡树湾家园(二期) #楼验 收 编 号 #-WZSYS07-LBLG- 分部工程名称验 收 部 位施 工 单 位项 目 经 理分 包 单 位分包项目经理执行标准及编号《建筑装饰装修工程质量验收法律规范》(GB 50210-2001)未提及到的标准按相关验...

1、当您付费下载文档后,您只拥有了使用权限,并不意味着购买了版权,文档只能用于自身使用,不得用于其他商业用途(如 [转卖]进行直接盈利或[编辑后售卖]进行间接盈利)。
2、本站所有内容均由合作方或网友上传,本站不对文档的完整性、权威性及其观点立场正确性做任何保证或承诺!文档内容仅供研究参考,付费前请自行鉴别。
3、如文档内容存在违规,或者侵犯商业秘密、侵犯著作权等,请点击“违规举报”。

碎片内容

玻璃栏板、设备栏杆安装质量验收记录

文旅传媒+ 关注
实名认证
内容提供者

传播文化,成就未来

相关文档

确认删除?
VIP
微信客服
  • 扫码咨询
会员Q群
  • 会员专属群点击这里加入QQ群
客服邮箱
回到顶部