电脑桌面
添加小米粒文库到电脑桌面
安装后可以在桌面快捷访问

监理实用手册施工阶段工程的进度控制

监理实用手册施工阶段工程的进度控制_第1页
1/9
监理实用手册施工阶段工程的进度控制_第2页
2/9
监理实用手册施工阶段工程的进度控制_第3页
3/9
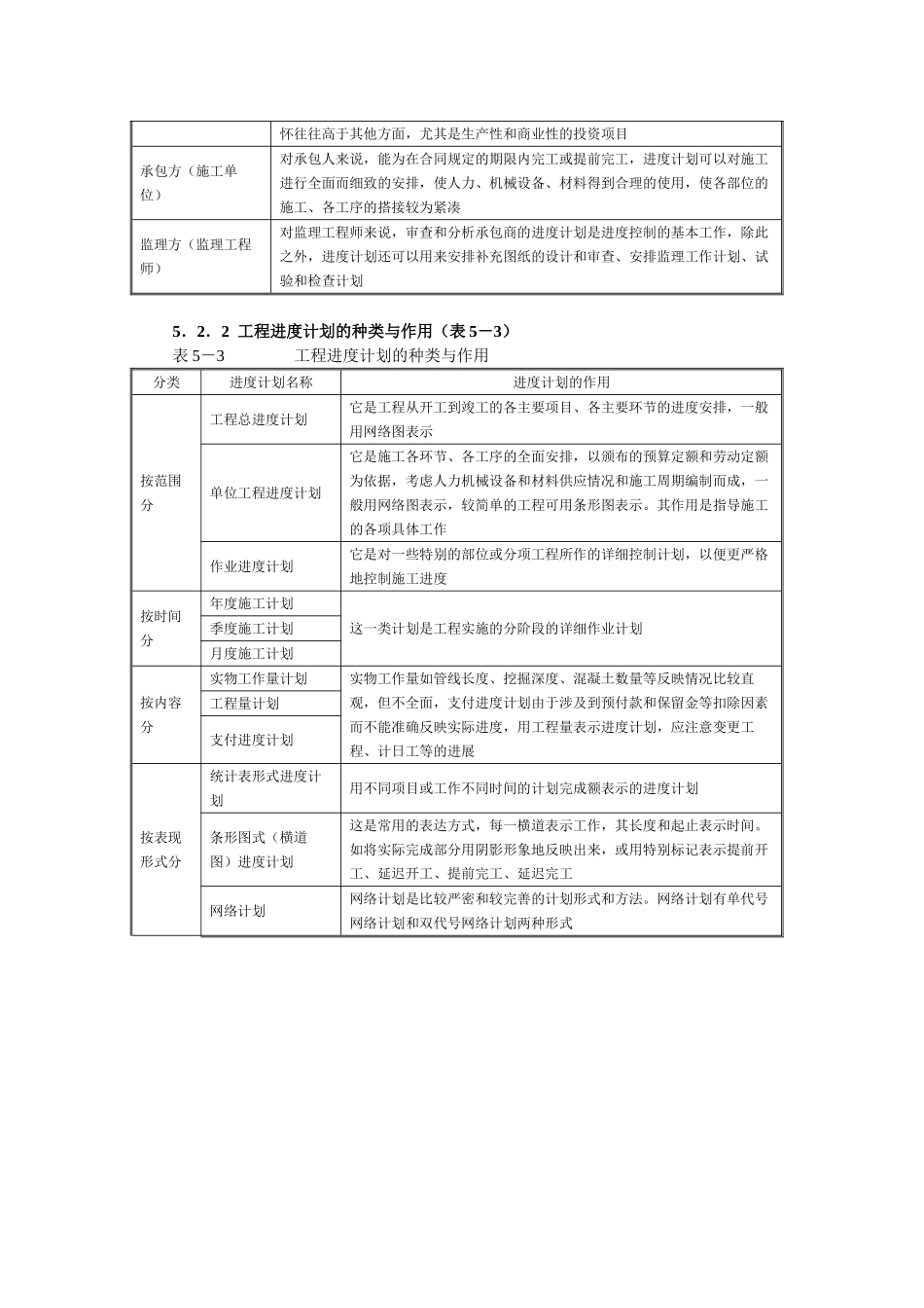
第五章 施工阶段工程的进度控制工程建设的进度控制,是指对工程项目各建设阶段的工作内容、工作程序、持续时间和衔接关系编制计划,将该计划付诸实施,在实施过程中常常检查实际进度是否按计划要求进行,对出现的偏差分析原因,实行补救措施或调整、修改原计划,直至工程竣工,交付使用。进度控制的最终目的是确保项目进度目标的实现,建设项目进度控制的总目标是施工承包合同约定的建设工期。5.1工程服控制的工作内容(表 5-1) 表 5-1 进度控制的工作内容序号工作项目工作内容1编制施工阶段进度控制工作细则① 施工进度控制目标分解困; ③ 施工进度控制的主要工作内容和深度;③ 进度控制人贝的具体分工;④ 与进度控制有关的各项工作的时间安排及工作流程;⑤ 进度控制的方法(包括进度检查日期、数据收集方式、进度报表格式、统计分析方法等);⑥ 进度控制的具体措施(包括组织措施、技术措施、经济措施及合同措施等);⑦ 施工进度控制目标实现的风险分析;⑧ 尚待解决的有关问题2审核施工进度计划① 是否符合工程项目建设总进度计划中总目标和分目标的要求,是否符合施工合同中开、竣工日期的要求;② 施工总进度中的项目是否有遗泪,分地施工是否能满足分批动用的需要和配套动用的要求;③ 施工顺序的安排是否符合施工程序:a)劳动力、材料、构配们。、机具和设备的供应计划是否能保证进度计划的实现;b)业主的资金供应能力是否能满足进度需要;C)总分包单位编制的各项单位工程施工进度计划之间是否协调,专业分工与计划衔接是否明确合理3按年、季、月编制工程综合计划着重解决各承包单位进度计划之间、施工进度计划与资源(包括资金、调和、机具、材料及劳动力)保障计划之间及外部协作条件的延伸性计划之间的综合平衡与相互衔接问题4下达工程开工令选择适合的时机发布开工令。工程开工令的发布,要尽可能及时,因为从发布开工分之日起,加上合同工期后即为工程竣工日期。假如开工令发布拖延,就等于推迟了竣工时间,这样,可能引起承包单位的索赔5协助承包单位实施进度计划监理工程师要随时了解施工进度计划执行过程中所存在的问题,帮助承包单位予以解决,特别是帮助内外关系的协调5.2 工程进度计划5.2.1 工程进度计划的作用(表 5-2)表 5-2 工程进度计划的作用进度计划进度计划的作用建设方(业主)对业主来说,项目尽早投入使用可以尽早获得利益,因此,业主对工程进度的关怀往往高于其他方面,尤...

1、当您付费下载文档后,您只拥有了使用权限,并不意味着购买了版权,文档只能用于自身使用,不得用于其他商业用途(如 [转卖]进行直接盈利或[编辑后售卖]进行间接盈利)。
2、本站所有内容均由合作方或网友上传,本站不对文档的完整性、权威性及其观点立场正确性做任何保证或承诺!文档内容仅供研究参考,付费前请自行鉴别。
3、如文档内容存在违规,或者侵犯商业秘密、侵犯著作权等,请点击“违规举报”。

碎片内容

监理实用手册施工阶段工程的进度控制

您可能关注的文档

确认删除?
VIP
微信客服
  • 扫码咨询
会员Q群
  • 会员专属群点击这里加入QQ群
客服邮箱
回到顶部