电脑桌面
添加小米粒文库到电脑桌面
安装后可以在桌面快捷访问

第一章-除锈工程-定额

第一章-除锈工程-定额_第1页
1/9
第一章-除锈工程-定额_第2页
2/9
第一章-除锈工程-定额_第3页
3/9
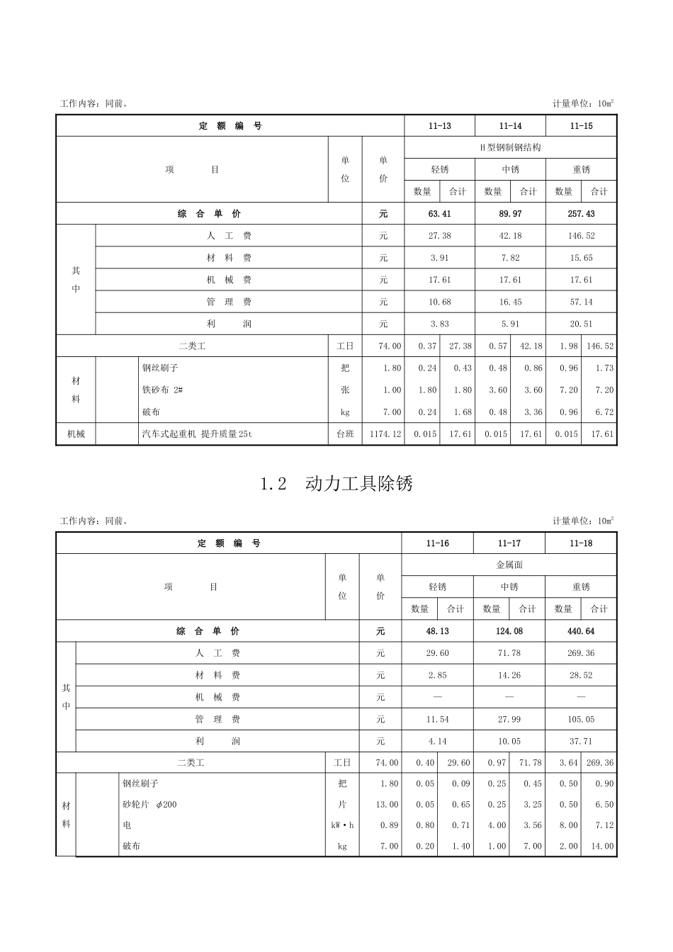
1.1 手工除锈工作内容:除锈、除尘。计量单位:10m2定 额 编 号11-111-211-3项 目单位单价管道轻锈中锈重锈数量合计数量合计数量合计综 合 单 价元36.0984.64307.42其中人 工 费元21.4651.06192.40材 料 费元3.266.5213.04机 械 费元———管 理 费元8.3719.9175.04利 润元3.007.1526.94二类工工日74.000.2921.460.6951.062.60192.40材料钢丝刷子把1.800.200.360.400.720.801.44铁砂布 2#张1.001.501.503.003.006.006.00破布kg7.000.201.400.402.800.805.60工作内容:同前。计量单位:10m2定 额 编 号11-411-511-6项 目单位单价设备 φ1000 以上轻锈中锈重锈数量合计数量合计数量合计综 合 单 价元38.3660.86190.80其中人 工 费元22.9435.52116.18材 料 费元3.266.5213.04机 械 费元———管 理 费元8.9513.8545.31利 润元3.214.9716.27二类工工日74.000.3122.940.4835.521.57116.18材料钢丝刷子把1.800.200.360.400.720.801.44铁砂布 2#张1.001.501.503.003.006.006.00破布kg7.000.201.400.402.800.805.60工作内容:同前。计量单位:100kg定 额 编 号11-711-811-9项 目单位单价一般钢结构轻锈中锈重锈数量合计数量合计数量合计综 合 单 价元43.2964.8783.17其中人 工 费元21.4634.0442.92材 料 费元2.414.739.45机 械 费元8.058.058.05管 理 费元8.3713.2816.74利 润元3.004.776.01二类工工日74.000.2921.460.4634.040.5842.92材料钢丝刷子把1.800.150.270.290.520.581.04铁砂布 2#张1.001.091.092.182.184.354.35破布kg7.000.151.050.292.030.584.06机械汽车式起重机 提升质量 16t台班1006.370.0088.050.0088.050.0088.05工作内容:同前。计量单位:100kg定 额 编 号11-1011-1111-12项 目单位单价管廊钢结构轻锈中锈重锈数量合计数量合计数量合计综 合 单 价元34.7651.2765.03其中人 工 费元16.2825.9032.56材 料 费元1.803.597.16机 械 费元8.058.058.05管 理 费元6.3510.1012.70利 润元2.283.634.56二类工工日74.000.2216.280.3525.900.4432.56材料钢丝刷子把1.800.110.200.220.400.440.79铁砂布 2#张1.000.830.831.651.653.293.29破布kg7.000.110.770.221.540.443.08机械汽车式起重机 提升质量 16t台班1006.370.0088.050.0088.050.0088.05工作内容:同前。计量单位:10m2定 额 编 号11-1311-1411-15项 目单位单价H 型钢制钢结构轻锈中锈重锈数量合计数量合...

1、当您付费下载文档后,您只拥有了使用权限,并不意味着购买了版权,文档只能用于自身使用,不得用于其他商业用途(如 [转卖]进行直接盈利或[编辑后售卖]进行间接盈利)。
2、本站所有内容均由合作方或网友上传,本站不对文档的完整性、权威性及其观点立场正确性做任何保证或承诺!文档内容仅供研究参考,付费前请自行鉴别。
3、如文档内容存在违规,或者侵犯商业秘密、侵犯著作权等,请点击“违规举报”。

碎片内容

第一章-除锈工程-定额

元素商铺+ 关注
实名认证
内容提供者

欢迎挑选合适的文档

确认删除?
VIP
微信客服
  • 扫码咨询
会员Q群
  • 会员专属群点击这里加入QQ群
客服邮箱
回到顶部