电脑桌面
添加小米粒文库到电脑桌面
安装后可以在桌面快捷访问

第十二章--主要施工机械设备、试验、

第十二章--主要施工机械设备、试验、_第1页
1/40
第十二章--主要施工机械设备、试验、_第2页
2/40
第十二章--主要施工机械设备、试验、_第3页
3/40
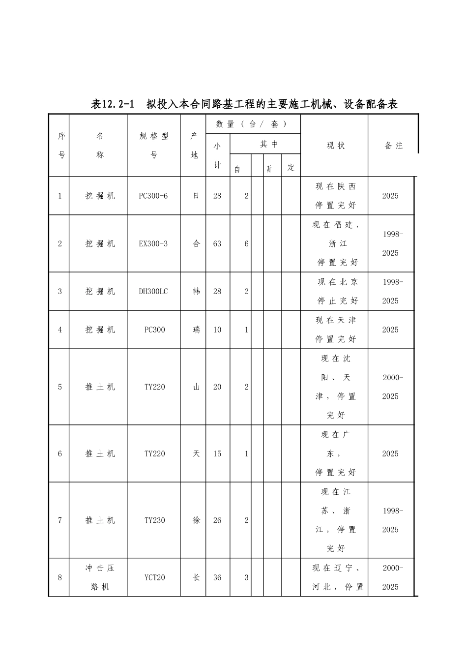
第 十 二 章 主 要 施 工 机 械 设 备 、 试 验 、 质 量 检 测 设 备 配 备12.1配备原则本设备配备根据本合同工程施工组织设计的工程进度安排根据经济适用、合理配置的原则,所配备设备达到技术先进、性能可靠的要求,以满足施工的需要。12.2各专业施工机械配置说明(1) 因路基工程长度较短,其部分主要施工设备( 砼搅拌站、砼输送车、砼输送泵、砼泵车) 考虑与桥梁工程共用,混凝土搅拌站均采纳自动计量装置,见“表12.2-1拟投入本合同路基工程的主要施工机械、设备配备表”。(2) 桥梁工程部分主要施工设备( 砼搅拌站、砼输送车、砼输送泵、砼泵车)考虑与路基工程共用。混凝土搅拌站采纳自动计量设备,见“表12.2-2拟投入本合同桥梁工程的主要施工机械、设备配备表”、“表12.2-3 拟投入本合同制梁工程的主要施工机械、设备配备表”。(3) 无碴轨道类施工设备是以国产设备为主,进口几台关键设备。此表中所列此类设备为一个板厂及一个铺轨基地的设备配置,见“表12.2-4 拟投入本合同无碴轨道工程的主要施工机械、设备配备表”。(4) 无缝线路与长钢轨焊接铺设施工设备是以国产设备为主,进口几台关键设备。此表中所列此类设备为一个板厂及一个铺轨基地的设备配置,见“表12.2-5拟投入本合同无缝线路与长钢轨焊接铺设工程的主要施工机械、设备配备表”。(5) 测量试验设备见“表12.2-6拟投入本合同测量试验的主要设备配备表”。表12.2-1 拟投入本合同路基工程的主要施工机械、设备配备表序号名 称规 格 型号产地数 量 ( 台 /套 )现 状备 注小计其 中自 租新定制1挖 掘 机PC300-6日282现 在 陕 西停 置 完 好20252挖 掘 机EX300-3合636现 在 福 建 ,浙 江停 置 完 好1998-20253挖 掘 机DH300LC韩282现 在 北 京停 止 完 好1998-20254挖 掘 机PC300瑞101现 在 天 津停 置 完 好20255推 土 机TY220山202现 在 沈阳 、 天津 , 停 置完 好2000-20256推 土 机TY220天151现 在 广东 ,停 置 完 好20257推 土 机TY230徐262现 在 江苏 、 浙江 , 停 置完 好1998-20258冲 击 压路 机YCT20长363现 在 辽 宁 、河 北 , 停 置2000-2025序号名 称规 格 型号产地数 量 ( 台 /套 )现 状备 注小计其 中自 租新定制9振 动 压路 机BW217D德国3030现 在 湖北 、 安徽 , 停 置完 好2000-202510振 动 压路 机...

1、当您付费下载文档后,您只拥有了使用权限,并不意味着购买了版权,文档只能用于自身使用,不得用于其他商业用途(如 [转卖]进行直接盈利或[编辑后售卖]进行间接盈利)。
2、本站所有内容均由合作方或网友上传,本站不对文档的完整性、权威性及其观点立场正确性做任何保证或承诺!文档内容仅供研究参考,付费前请自行鉴别。
3、如文档内容存在违规,或者侵犯商业秘密、侵犯著作权等,请点击“违规举报”。

碎片内容

第十二章--主要施工机械设备、试验、

您可能关注的文档

确认删除?
VIP
微信客服
  • 扫码咨询
会员Q群
  • 会员专属群点击这里加入QQ群
客服邮箱
回到顶部