电脑桌面
添加小米粒文库到电脑桌面
安装后可以在桌面快捷访问

箱式变电站招标文件

箱式变电站招标文件_第1页
1/25
箱式变电站招标文件_第2页
2/25
箱式变电站招标文件_第3页
3/25
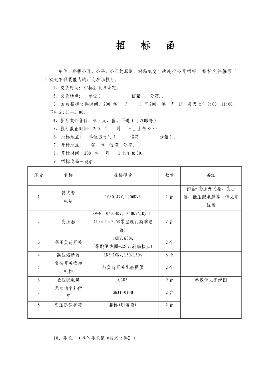
招 标 函单位,根据公开、公平、公正的原则,对箱式变电站进行公开招标,招标文件编号( )欢迎有供货能力的厂商参加投标。 1、交货时间:中标后双方协定。 2、交货地点: 单位( 信箱 分箱)。 3、发售招标文件时间:200 年 月 日至 200 年 月 日,每天上午 9:00—11:00、下午2:30—5:00。 4、招标文件售价: 400 元,售后不退(可以邮寄)。 5、投标截止时间:200 年 月 日上上午 8:30 。6、投标地点: 单位器材处( 信箱 分箱)。7、开标地点: 省 市 信箱 分箱。8、开标时间:200 年 月 日上午 8:30。9、招标商品一览表:序号名称规格型号数量备注1箱式变电站10/0.4KV,1000KVA1 台内含:高压开关柜、变压器、低压配电屏等,详见系统图2变压器S9-M,10/0.4KV,1250KVA,Dyn11(10±2×2.5%带温度瓦斯继电器)2 台3高压负荷开关10KV,630A(带跳闸线圈-220V,辅助接点)2 个4高压熔断器RN3-10KV,150/150A 6 个5负荷开关操动机构与负荷开关配套提供2 个6低压配电屏GGD39 台参数详见系统图7无功功率补偿屏GGJ1-01-B2 台8变压器保护箱非标(明装箱)2 台10、要求:(具体要求见《技术文件》)10.1 所提供的商品符合国家质量检测标准,具有该产品的出厂合格证或国家鉴定证书。10.2 验收合格率 100%,不合格品免费更换。10.3 按国家、行业等规定对提供的商品实行“三包”。 10.4 需要保修的,在保修期限内,接到用户电话通知后,应在 72 小时内上门服务,如不能及时赶到,用户委托其它单位维修,其费用从质量保证金中扣除。10.5 在保修期限内,同一商品、同一质量问题连续两次维修仍无法正常使用,投标方必须予以更换同品牌、同型号新机器(或者零部件)。帐 号: 开 户 行: 行 办 邮编: 技术联系: 商务联系: 单 位 器 材 处 200 年 月 日 投 标 方 须 知一、投标人资格1. 合格的投标人应具有圆满履行合同的能力,具体应符合下列条件:1.1 具有法人资格,有生产或供货能力的企事业单位,承认和履行招标文件中的各项规定者,均可参加投标。1.2 在专业技术、设备设施、人员组织、业绩经验等方面具有设计、制造、质量控制、经营管理的相应的资格和能力。1.3 具有完善的质量保证体系。1.4 具有设计、制造与招标设备相同或相近设备 1 到 2 台套 2 年以上良好的运行经验,在安装调试运行中未发现重大的设备质量问题或已有有效的改进措施。1.5 具有良好的银行资信和商业信誉...

1、当您付费下载文档后,您只拥有了使用权限,并不意味着购买了版权,文档只能用于自身使用,不得用于其他商业用途(如 [转卖]进行直接盈利或[编辑后售卖]进行间接盈利)。
2、本站所有内容均由合作方或网友上传,本站不对文档的完整性、权威性及其观点立场正确性做任何保证或承诺!文档内容仅供研究参考,付费前请自行鉴别。
3、如文档内容存在违规,或者侵犯商业秘密、侵犯著作权等,请点击“违规举报”。

碎片内容

箱式变电站招标文件

您可能关注的文档

文森传品+ 关注
实名认证
内容提供者

一家传播文化教育的小店,资料丰富,随意挑选。

确认删除?
VIP
微信客服
  • 扫码咨询
会员Q群
  • 会员专属群点击这里加入QQ群
客服邮箱
回到顶部