电脑桌面
添加小米粒文库到电脑桌面
安装后可以在桌面快捷访问

综合楼工程混凝土成本分析实例

综合楼工程混凝土成本分析实例_第1页
1/4
综合楼工程混凝土成本分析实例_第2页
2/4
综合楼工程混凝土成本分析实例_第3页
3/4
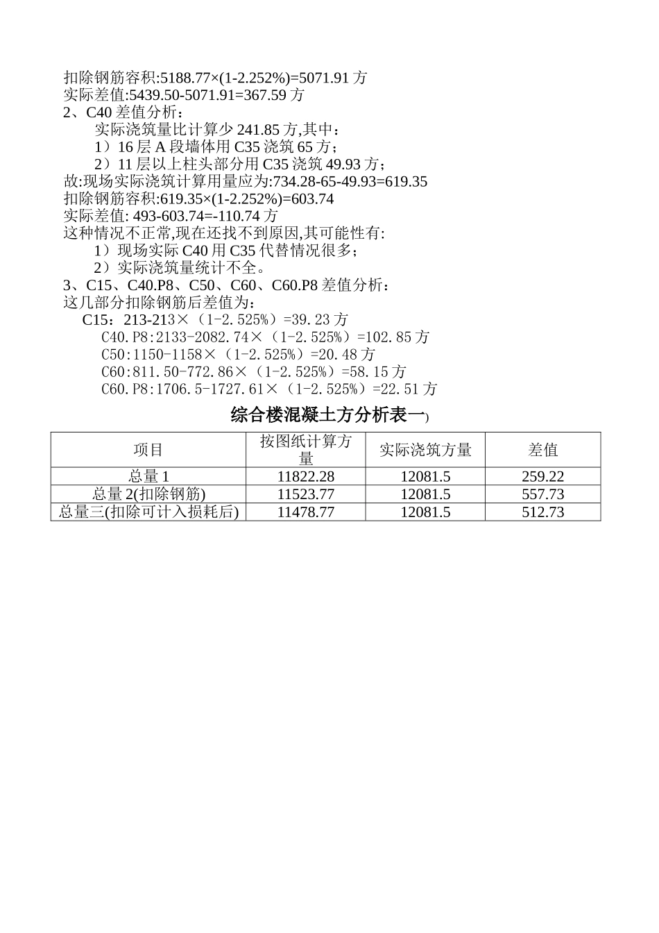
总参军训和兵种部一管处综合楼工程混凝土工程成本分析一、不准确因素:1、浇筑完成后剩余混凝土的处理:路面硬化、退回等的混凝土损耗;2、来灰方量有不准确情况发生:如 5 月 6 日来灰量严重不足;3、实际浇筑过程中混凝土的溅落、沾污等的浪费;4、因技术性操作失误而造成的混凝土浪费,主要有:1)顶板混凝土浇筑高度不准确;2)因柱头、墙体浇筑高度不准确而进行的剔凿;3)技术指导性错误:如 16 层 A 段墙体因报灰错误而导致用 C35 混凝土进行浇筑;4)模板胀模、跑模等造成的混凝土浪费;5、为施工便利而没有严格根据图纸要求进行浇筑,如: 1)11 层以上柱头用 C35 浇筑(应该用 C40); 2)浇筑地下室墙体时,C60 与 C60.P8 未严格按图纸进行混凝土的浇筑。如C60.P8 浇筑剩余灰浇筑在独立柱上,内剪力墙有时也有用 C60 混凝土进行浇筑(按洽商应用 C60.P8)。6、计算混凝土方量过程中的误差: 1)可避开的人为计算性失误; 2)不可避开的近似计算性误差;7、水电预埋管所占容积没有扣除,0.3㎡以下洞口体积按要求没有扣除。8、其他的可计入性损耗(共计 45 方详见总量分析)。二、数据分析:(一)总量分析1、钢筋容积: v= m/ρ=2400/7.8=307 方钢筋容积率:307/12156.5=2.525%扣除钢筋容积后混凝土量:2、混凝土试验损耗混凝土共计 7 方(试验数据提供);3、混凝土质量修补用量:1 方4、硬化路面:27 方,其中 C20 共 20 方,C15 共 7 方5、室外电梯基础:C35 共计 10 方(二)、单项分析:1、C35 差值分析:实际浇筑比计算值多 375.66 方,但其中有几项为图纸中没有而现场实际发生事件:1)室外电梯基础用灰 10 方;2)16 层 A 段墙体用 C35 浇筑用量:65 方;3)11 层以上柱头用 C35 浇筑:3×( 0.65×0.8×0.8×27)=33.69 方3×( 0.65×0.8×0.8×13)=16.24 方共计:33.69+16.24=49.93 方故浇筑用量应为:5063.84+10+65+49.93=5188.77 方扣除钢筋容积:5188.77×(1-2.252%)=5071.91 方实际差值:5439.50-5071.91=367.59 方2、C40 差值分析:实际浇筑量比计算少 241.85 方,其中:1)16 层 A 段墙体用 C35 浇筑 65 方;2)11 层以上柱头部分用 C35 浇筑 49.93 方;故:现场实际浇筑计算用量应为:734.28-65-49.93=619.35扣除钢筋容积:619.35×(1-2.252%)=603.74实际差值: 493-603.74=-110.74 方这种情况不正常,现在还找不到原因,其可能性有:1)现场实际 C4...

1、当您付费下载文档后,您只拥有了使用权限,并不意味着购买了版权,文档只能用于自身使用,不得用于其他商业用途(如 [转卖]进行直接盈利或[编辑后售卖]进行间接盈利)。
2、本站所有内容均由合作方或网友上传,本站不对文档的完整性、权威性及其观点立场正确性做任何保证或承诺!文档内容仅供研究参考,付费前请自行鉴别。
3、如文档内容存在违规,或者侵犯商业秘密、侵犯著作权等,请点击“违规举报”。

碎片内容

综合楼工程混凝土成本分析实例

办公文档专营+ 关注
实名认证
内容提供者

大量办公文档,欢迎选择

确认删除?
VIP
微信客服
  • 扫码咨询
会员Q群
  • 会员专属群点击这里加入QQ群
客服邮箱
回到顶部