电脑桌面
添加小米粒文库到电脑桌面
安装后可以在桌面快捷访问

考核情况评分表

考核情况评分表_第1页
1/7
考核情况评分表_第2页
2/7
考核情况评分表_第3页
3/7
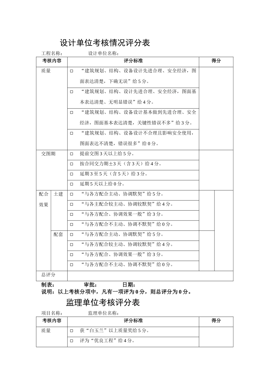
设计单位考核情况评分表工程名称: 设计单位名称:考核内容评分标准得分 质量“建筑规划、结构、设备设计先进合理、安全经济,图面表达清楚,下确无误”给 5 分。“建筑规划、结构、设计先进合理、安全经济,图面基本表达清楚、无明显错误”给 4 分。“建筑规划、结构、设备设计基本做到先进合理、安全经济,图面基本表达清楚,关键性错误不多”给 3 分。“建筑规划、结构、设备设计不合理且影响安全使用,图面表达不清楚,错误很多”给 0 分。 交图期提前交图 3 天以上给 5 分。按合同交力期±3 天(含 3 天)给 4 分。延期 3 至 5 天(含 5 天)给 3 分。延期 5 天以上给 0 分。配合效果土建“与各方配合主动、协调默契”给 5 分。“与各主配合较主动、协调较默契”给 4 分。“与各方配合、协调效果一般”给 3 分。“与各方配合不主动、协调不默契”给 0 分。配套“与各方配合主动、协调默契”给 5 分。“与各方配合较主动、协调较默契”给 4 分。“与各方配合、协调效果一般”给 3 分。“与各方配合不主动、协调不默契”给 0 分。 总评分制表: 审批: 日期:说明:以上考核分项中,凡有一项评为 0 分,则总评分为 0 分。 监理单位考核评分表项目名称: 监理单位名称:考核内容评分标准得分 质量获“白玉兰”以上质量奖给 5 分。评为“优良工程”给 4 分。评为“合格工程”给 3 分。评为“不合格工程”给 0 分。 竣工期提前竣工 5 天以上给 5 分。按合同工期±5 天(含 5 天)给 4 分。延期 5 至 10 天(含 10 天)给 3 分。延期 10 天以上给 0 分。监督配合协调效果土建“监督措施得力,配合协调到位”给 5 分。“监督措施较得力,配合协调较到位”给 4 分。“监督措施效果一般,配合协调作用一般”给 3 分。“监督措施不得力,配合协调不到位”给 0 分。配套“监督措施得力,配合协调到位”给 5 分。“监督措施较得力,配合协调较到位”给 4 分。“监督措施效果一般,配合协调作用一般”给 3 分。“监督措施不得力,配合协调不到位”给 0 分。 总评分制表: 审批: 日期:说明:以上考核分项中,凡有一项评为 0 分,则总评分为 0 分。 施工单位考核评分表项目名称: 施工单位名称:考核内容评分标准得分 质量获“白玉兰”以上质量奖给 5 分。评...

1、当您付费下载文档后,您只拥有了使用权限,并不意味着购买了版权,文档只能用于自身使用,不得用于其他商业用途(如 [转卖]进行直接盈利或[编辑后售卖]进行间接盈利)。
2、本站所有内容均由合作方或网友上传,本站不对文档的完整性、权威性及其观点立场正确性做任何保证或承诺!文档内容仅供研究参考,付费前请自行鉴别。
3、如文档内容存在违规,或者侵犯商业秘密、侵犯著作权等,请点击“违规举报”。

碎片内容

考核情况评分表

确认删除?
VIP
微信客服
  • 扫码咨询
会员Q群
  • 会员专属群点击这里加入QQ群
客服邮箱
回到顶部