电脑桌面
添加小米粒文库到电脑桌面
安装后可以在桌面快捷访问

船闸工程施工方案..

船闸工程施工方案.._第1页
1/32
船闸工程施工方案.._第2页
2/32
船闸工程施工方案.._第3页
3/32
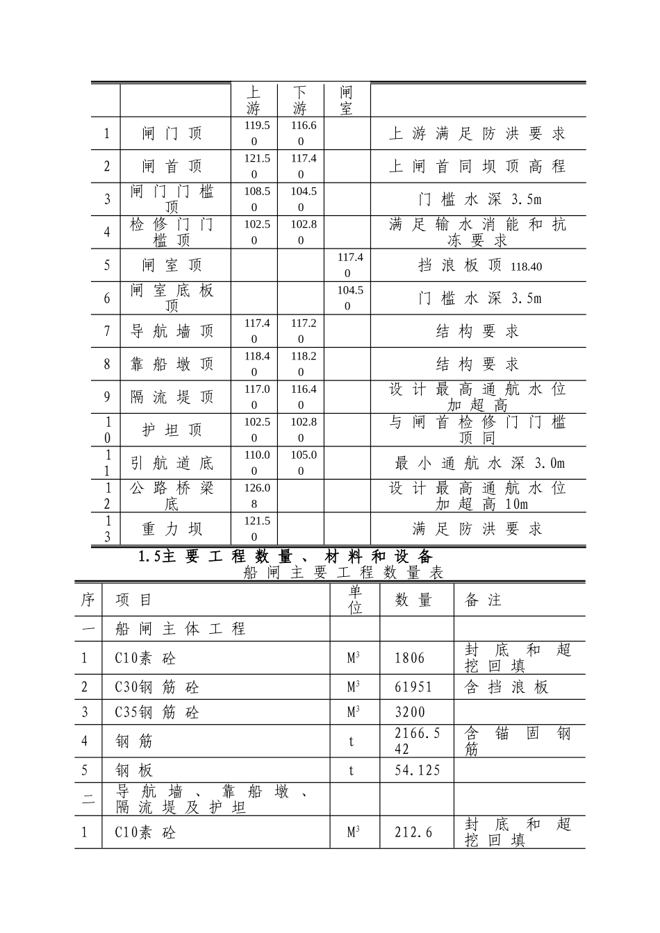
船 闸 工 程 施 工 组 织 设 计第 一 章 综 述1.1项 目 概 况松 花 江 干 流 大 顶 子 山 航 电 枢 纽 工 程 位 于 哈尔 滨 市 下 游 46km 处 , 是 松 花 江 干 流 规 划 7 个 梯级 航 运 枢 纽 工 程 中 的 第 一 个 梯 级 , 该 工 程 的建 设 对 改 善 哈 市 水 环 境 、 发 挥 航 运 、 发 电 、水 产 养 殖 及 旅 游 业 的 综 合 效 益 有 着 十 分 重 要的 意 义 。航 电 枢 纽 主 要 由 船 闸 、 泄 洪 闸 、 电 站 、 土坝 、 坝 顶 公 路 桥 、 连 接 段 及 生 产 生 活 辅 助 设施 等 建 筑 物 组 成 , 船 闸 作 为 航 电 枢 纽 工 程 的一 部 分 , 左 侧 紧 邻 泄 洪 闸 、 右 侧 与 岸 相 接 。1.2闸 位 布 置大 顶 子 山 船 闸 闸 位 位 于 松 花 江 右 岸 侧 , 船闸 纵 轴 线 和 枢 纽 大 坝 中 轴 线 夹 角 89.5°。1.3工 程 组 成 内 容 和 建 设 规 模 、 标 准1.3.1 工 程 组 成 内 容船 闸 工 程 由 上 下 闸 首 、 闸 室 、 上 下 游 导 航墙 、 上 下 游 靠 船 墩 、 上 下 游 隔 流 堤 、 跨 闸 室公 路 桥 等 部 分 组 成 。 见 《 cz-01 船 闸 结 构 图 》 。1.3.2 建 设 规 模 、 标 准本 船 闸 为 Ⅲ 级 通 航 建 筑 物 。主 体 结 构 水 工 建 筑 物 级 别 为 : 上 闸 首 : 一级 水 工 建 筑 物 ; 下 闸 首 、 闸 室 : 二 级 水 工 建 设物 ; 导 航 墙 、 靠 船 墩 、 隔 流 堤 : 三 级 水 工 建 筑物 , 临 时 工 程 : 四 级 水 工 建 筑 物 。船 闸 基 本 尺 寸 为 28×180×3.5m( 口 门 窗 × 闸 室长 × 最 小 槛 上 水 深 ) , 上 、 下 游 主 导 航 墙 及 调顺 段 各 长 390m , 上 、 下 游 靠 船 段 各 长 160m( 上 、下 游 靠 船 墩 各 8 个 ) , 上 游 分 隔 堤 长 645m( 包 括导 航 墙 及 靠 船 墩 ) , 下 游 分 隔 直 线 长 550m( 包 括导 航 墙 及 靠 船 墩 ) , 之 后 接 700m 长 的 圆 ...

1、当您付费下载文档后,您只拥有了使用权限,并不意味着购买了版权,文档只能用于自身使用,不得用于其他商业用途(如 [转卖]进行直接盈利或[编辑后售卖]进行间接盈利)。
2、本站所有内容均由合作方或网友上传,本站不对文档的完整性、权威性及其观点立场正确性做任何保证或承诺!文档内容仅供研究参考,付费前请自行鉴别。
3、如文档内容存在违规,或者侵犯商业秘密、侵犯著作权等,请点击“违规举报”。

碎片内容

船闸工程施工方案..

一帆文传+ 关注
实名认证
内容提供者

欢迎光临店铺,各类公文供您挑选。

确认删除?
VIP
微信客服
  • 扫码咨询
会员Q群
  • 会员专属群点击这里加入QQ群
客服邮箱
回到顶部