电脑桌面
添加小米粒文库到电脑桌面
安装后可以在桌面快捷访问

营房工程施工组织设计

营房工程施工组织设计_第1页
1/80
营房工程施工组织设计_第2页
2/80
营房工程施工组织设计_第3页
3/80
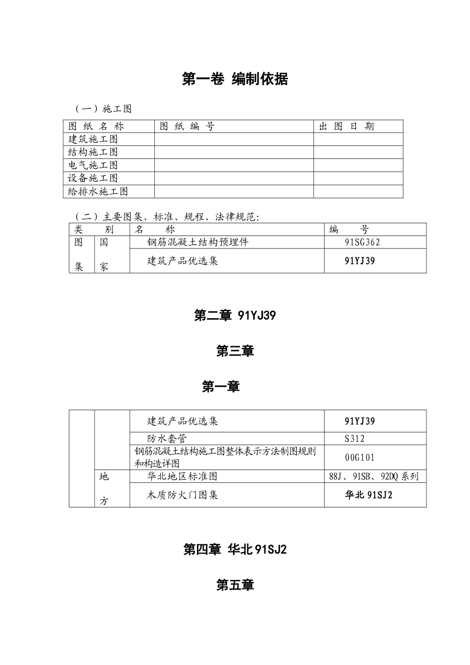
XX 营房工程施工组织设计 第一卷 编制依据(一)施工图图 纸 名 称图 纸 编 号出 图 日 期建筑施工图结构施工图电气施工图设备施工图给排水施工图(二)主要图集、标准、规程、法律规范:类 别名 称编 号图集国家钢筋混凝土结构预埋件91SG362建筑产品优选集91YJ39第二章 91YJ39第三章 第一章 建筑产品优选集91YJ39防水套管S312钢筋混凝土结构施工图整体表示方法制图规则和构造详图00G101地方华北地区标准图88J、91SB、92DQ 系列木质防火门图集华北 91SJ2第四章 华北 91SJ2第五章 第二章 木质防火门图集华北 91SJ2钢筋混凝土过梁京 92G21外墙内保温构造图集(一)京 93SJ8外墙内保温构造图集(二)京 95SJ9框架结构填充墙空心砌块构造图集京 94SJ19 规范规程国家采暖与卫生工程施工及验收法律规范GBJ242-82土方与爆破工程施工及验收法律规范GBJ201-83地基与基础工程施工及验收法律规范GBJ202-83混凝土结构工程施工及验收法律规范GB50204-92建筑地面工程施工及验收法律规范GB50209-95电气装置安装工程施工及验收法律规范GB50254-59-96砌体工程施工及验收法律规范GB50203-98行业建筑机械使用安全技术规程JGJ33-86施工现场临时用电安全技术法律规范JGJ46-88建筑施工高处作业安全技术规程JGJ80-91第二节 JGJ80-91第三节 第一节 建筑施工高处作业安全技术规程JGJ80-91建筑装饰工程施工及验收法律规范JBJ73-91钢筋焊接及验收规程JGJ18-96玻璃幕墙工程技术法律规范JGJ102-96建筑工程冬期施工规程JGJ104-97外墙饰面砖工程施工及验收法律规范JGJ126-2000建筑给水铝塑复合管道工程技术规程CECS 105:2000地方建筑工程施工测量规程DBJ01-21-95建筑安装分项工程施工工艺规程DBJ01-26-96DBJ01-26-96 一、 建筑安装分项工程施工工艺规程DBJ01-26-96建筑安装工程资料管理规程DBJ01-51-2000标准国家建筑安装工程质量检验评定统一标准GBJ300-88建筑工程质量检验评定标准GBJ301-88建筑采暖卫生与煤气工程质量检验评定标准GBJ302-88建筑电气安装工程质量检验评定标准GBJ303-88地方工程建设监理规程DBJ01-41-98企业ISO9002 质量手册及程序文件(三)主要法规:序号 名 称 编 号1《建筑工程质量管理监督法规文件汇编》北京市建设工程质量监督总站2《中华人民共和国计量法》85 年主席令第 28 号3建设工程质量管理条例2000 年 1 月 10 日国务院颁发4《中华人民共和国建筑法》97 年主席令第 91 号5《北京市建设工程施工...

1、当您付费下载文档后,您只拥有了使用权限,并不意味着购买了版权,文档只能用于自身使用,不得用于其他商业用途(如 [转卖]进行直接盈利或[编辑后售卖]进行间接盈利)。
2、本站所有内容均由合作方或网友上传,本站不对文档的完整性、权威性及其观点立场正确性做任何保证或承诺!文档内容仅供研究参考,付费前请自行鉴别。
3、如文档内容存在违规,或者侵犯商业秘密、侵犯著作权等,请点击“违规举报”。

碎片内容

营房工程施工组织设计

确认删除?
VIP
微信客服
  • 扫码咨询
会员Q群
  • 会员专属群点击这里加入QQ群
客服邮箱
回到顶部