电脑桌面
添加小米粒文库到电脑桌面
安装后可以在桌面快捷访问

设备空调供回水管

设备空调供回水管_第1页
1/9
设备空调供回水管_第2页
2/9
设备空调供回水管_第3页
3/9
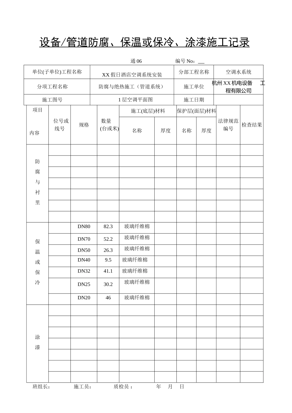
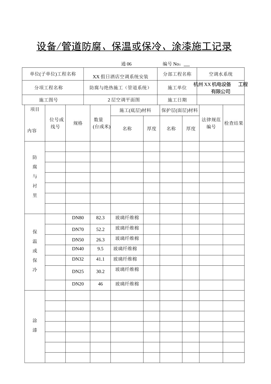
设备 / 管道防腐、保温或保冷、涂漆施工记录 通 06 编号 No: 单位(子单位)工程名称XX 假日酒店空调系统安装分部工程名称空调水系统分项工程名称防腐与绝热施工(管道系统)施工单位杭州 XX 机电设备 工程有限公司施工图号1 层空调平面图施工日期项目内容位号或线号规格数量(台或米)施工(底层)材料保护层(面层)材料法律规范编号检查结果名称厚度名称厚度防腐与衬里保温或保冷DN8082.3玻璃纤维棉DN7052.2玻璃纤维棉DN5026.3玻璃纤维棉DN409.5玻璃纤维棉DN3241.1玻璃纤维棉DN2530.2玻璃纤维棉DN2046玻璃纤维棉涂漆班组长: 施工员: 质检员 : 年 月 日设备 / 管道防腐、保温或保冷、涂漆施工记录 通 06 编号 No: 单位(子单位)工程名称XX 假日酒店空调系统安装分部工程名称空调水系统分项工程名称防腐与绝热施工(管道系统)施工单位杭州 XX 机电设备 工程有限公司施工图号2 层空调平面图施工日期项目内容位号或线号规格数量(台或米)施工(底层)材料保护层(面层)材料法律规范编号检查结果名称厚度名称厚度防腐与衬里保温或保冷DN8082.3玻璃纤维棉DN7052.2玻璃纤维棉DN5026.3玻璃纤维棉DN409.5玻璃纤维棉DN3241.1玻璃纤维棉DN2530.2玻璃纤维棉DN2046玻璃纤维棉涂漆班组长: 施工员: 质检员 : 年 月 日设备 / 管道防腐、保温或保冷、涂漆施工记录 通 06 编号 No: 单位(子单位)工程名称XX 假日酒店空调系统安装分部工程名称空调水系统分项工程名称防腐与绝热施工(管道系统)施工单位杭州 XX 机电设备 工程有限公司施工图号3 层空调平面图施工日期项目内容位号或线号规格数量(台或米)施工(底层)材料保护层(面层)材料法律规范编号检查结果名称厚度名称厚度防腐与衬里保温或保冷DN5070.4玻璃纤维棉DN401.8玻璃纤维棉DN3237.6玻璃纤维棉DN2563.2玻璃纤维棉DN2021.2玻璃纤维棉涂漆班组长: 施工员: 质检员 : 年 月 日设备 / 管道防腐、保温或保冷、涂漆施工记录 通 06 编号 No: 单位(子单位)工程名称XX 假日酒店空调系统安装分部工程名称空调水系统分项工程名称防腐与绝热施工(管道系统)施工单位杭州 XX 机电设备 工程有限公司施工图号4 层空调平面图施工日期项目内容位号或线号规格数量(台或米)施工(底层)材料保护层(面层)材料法律规范编号检查结果名称厚度名称厚度防腐与衬里保温或保冷DN8083.1玻璃纤维棉DN7026.7玻璃纤维棉DN5019.1玻璃纤维棉DN4025.9玻璃纤维棉DN3249.6玻璃...

1、当您付费下载文档后,您只拥有了使用权限,并不意味着购买了版权,文档只能用于自身使用,不得用于其他商业用途(如 [转卖]进行直接盈利或[编辑后售卖]进行间接盈利)。
2、本站所有内容均由合作方或网友上传,本站不对文档的完整性、权威性及其观点立场正确性做任何保证或承诺!文档内容仅供研究参考,付费前请自行鉴别。
3、如文档内容存在违规,或者侵犯商业秘密、侵犯著作权等,请点击“违规举报”。

碎片内容

设备空调供回水管

您可能关注的文档

确认删除?
VIP
微信客服
  • 扫码咨询
会员Q群
  • 会员专属群点击这里加入QQ群
客服邮箱
回到顶部