电脑桌面
添加小米粒文库到电脑桌面
安装后可以在桌面快捷访问

超高层商务楼室外升降机施工技术交底

超高层商务楼室外升降机施工技术交底_第1页
1/8
超高层商务楼室外升降机施工技术交底_第2页
2/8
超高层商务楼室外升降机施工技术交底_第3页
3/8
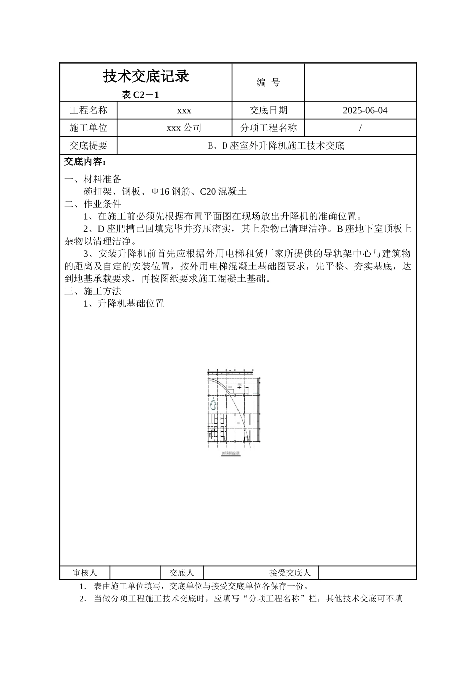
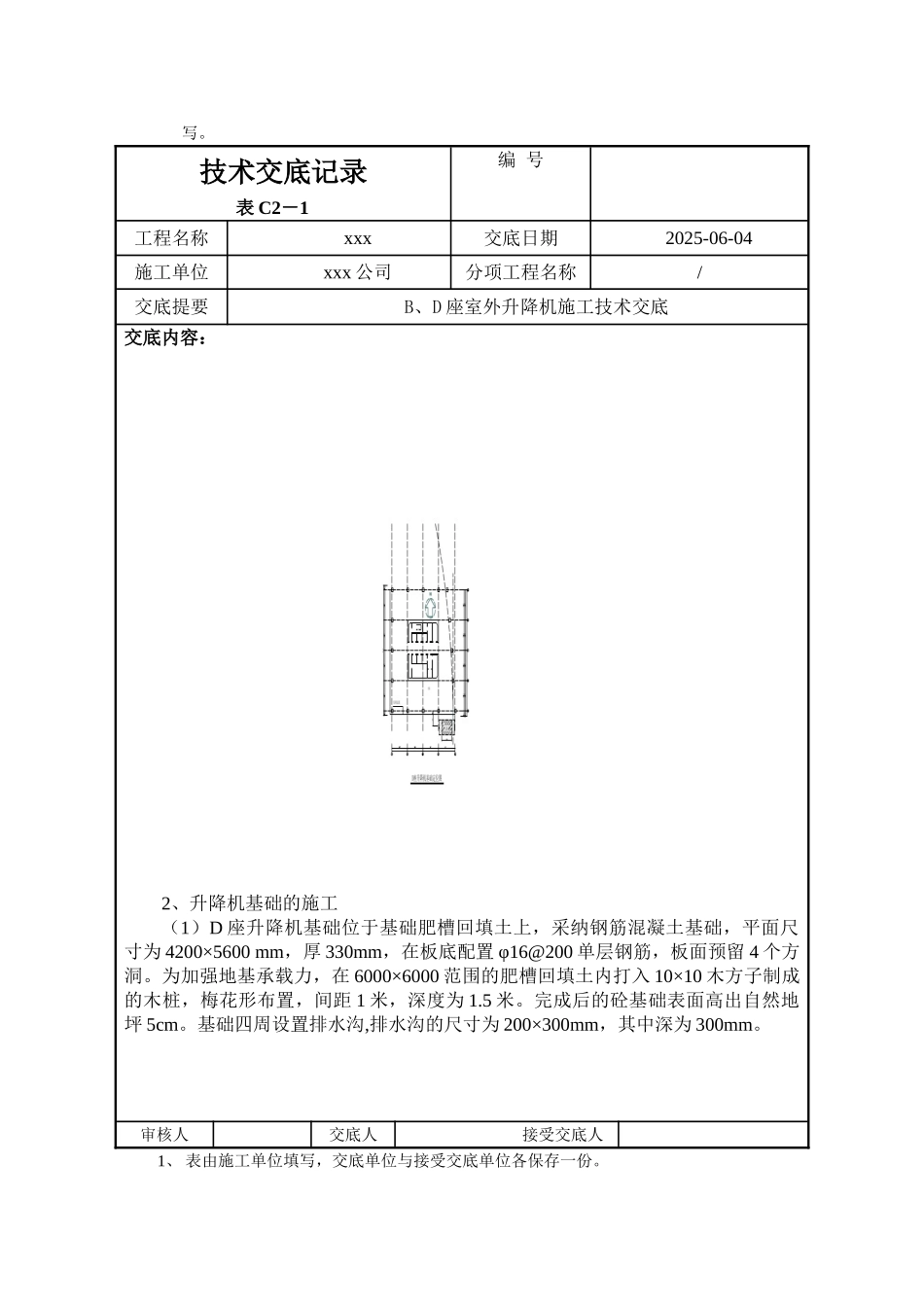
技术交底记录表 C2-1编 号工程名称xxx交底日期2025-06-04施工单位xxx 公司分项工程名称/交底提要B、D 座室外升降机施工技术交底交底内容:一、材料准备碗扣架、钢板、Φ16 钢筋、C20 混凝土二、作业条件1、在施工前必须先根据布置平面图在现场放出升降机的准确位置。2、D 座肥槽已回填完毕并夯压密实,其上杂物已清理洁净。B 座地下室顶板上杂物以清理洁净。3、安装升降机前首先应根据外用电梯租赁厂家所提供的导轨架中心与建筑物的距离及自定的安装位置,按外用电梯混凝土基础图要求,先平整、夯实基底,达到地基承载要求,再按图纸要求施工混凝土基础。三、施工方法1、升降机基础位置审核人交底人接受交底人1. 表由施工单位填写,交底单位与接受交底单位各保存一份。2. 当做分项工程施工技术交底时,应填写“分项工程名称”栏,其他技术交底可不填写。技术交底记录表 C2-1编 号工程名称xxx交底日期2025-06-04施工单位xxx 公司分项工程名称/交底提要B、D 座室外升降机施工技术交底交底内容:2、升降机基础的施工(1)D 座升降机基础位于基础肥槽回填土上,采纳钢筋混凝土基础,平面尺寸为 4200×5600 mm,厚 330mm,在板底配置 φ16@200 单层钢筋,板面预留 4 个方洞。为加强地基承载力,在 6000×6000 范围的肥槽回填土内打入 10×10 木方子制成的木桩,梅花形布置,间距 1 米,深度为 1.5 米。完成后的砼基础表面高出自然地坪 5cm。基础四周设置排水沟,排水沟的尺寸为 200×300mm,其中深为 300mm。审核人交底人接受交底人1、 表由施工单位填写,交底单位与接受交底单位各保存一份。2、 当做分项工程施工技术交底时,应填写“分项工程名称”栏,其他技术交底可不填写。技术交底记录表 C2-1编 号工程名称xxx交底日期2025-06-04施工单位xxx 公司分项工程名称/交底提要B、D 座室外升降机施工技术交底交底内容:混凝土基础见下图:(2)B 座升降机设置在北侧地下室顶板上。 由于 B 座地下室顶板厚度仅为250mm,且设计允许使用荷载为 20MPa,故需在升降机所在的顶板区格内设置支撑。采纳 900mm×900mm 碗扣式钢管做为支撑体系,横杆间距 1200mm。从地下五层至地下一层每层皆设支撑,具体支撑范围见下图:支撑时钢管两端均应垫以木方子然后用可调支撑顶紧,上下层支撑应对准以防对顶板产生不利影响。为防止升降机将地下室顶板产生不得影响,在井架正下方垫以 1 米见方的 10 厚钢板,此处的支...

1、当您付费下载文档后,您只拥有了使用权限,并不意味着购买了版权,文档只能用于自身使用,不得用于其他商业用途(如 [转卖]进行直接盈利或[编辑后售卖]进行间接盈利)。
2、本站所有内容均由合作方或网友上传,本站不对文档的完整性、权威性及其观点立场正确性做任何保证或承诺!文档内容仅供研究参考,付费前请自行鉴别。
3、如文档内容存在违规,或者侵犯商业秘密、侵犯著作权等,请点击“违规举报”。

碎片内容

超高层商务楼室外升降机施工技术交底

确认删除?
VIP
微信客服
  • 扫码咨询
会员Q群
  • 会员专属群点击这里加入QQ群
客服邮箱
回到顶部