电脑桌面
添加小米粒文库到电脑桌面
安装后可以在桌面快捷访问

轻型井点降水验算

轻型井点降水验算_第1页
1/3
轻型井点降水验算_第2页
2/3
轻型井点降水验算_第3页
3/3
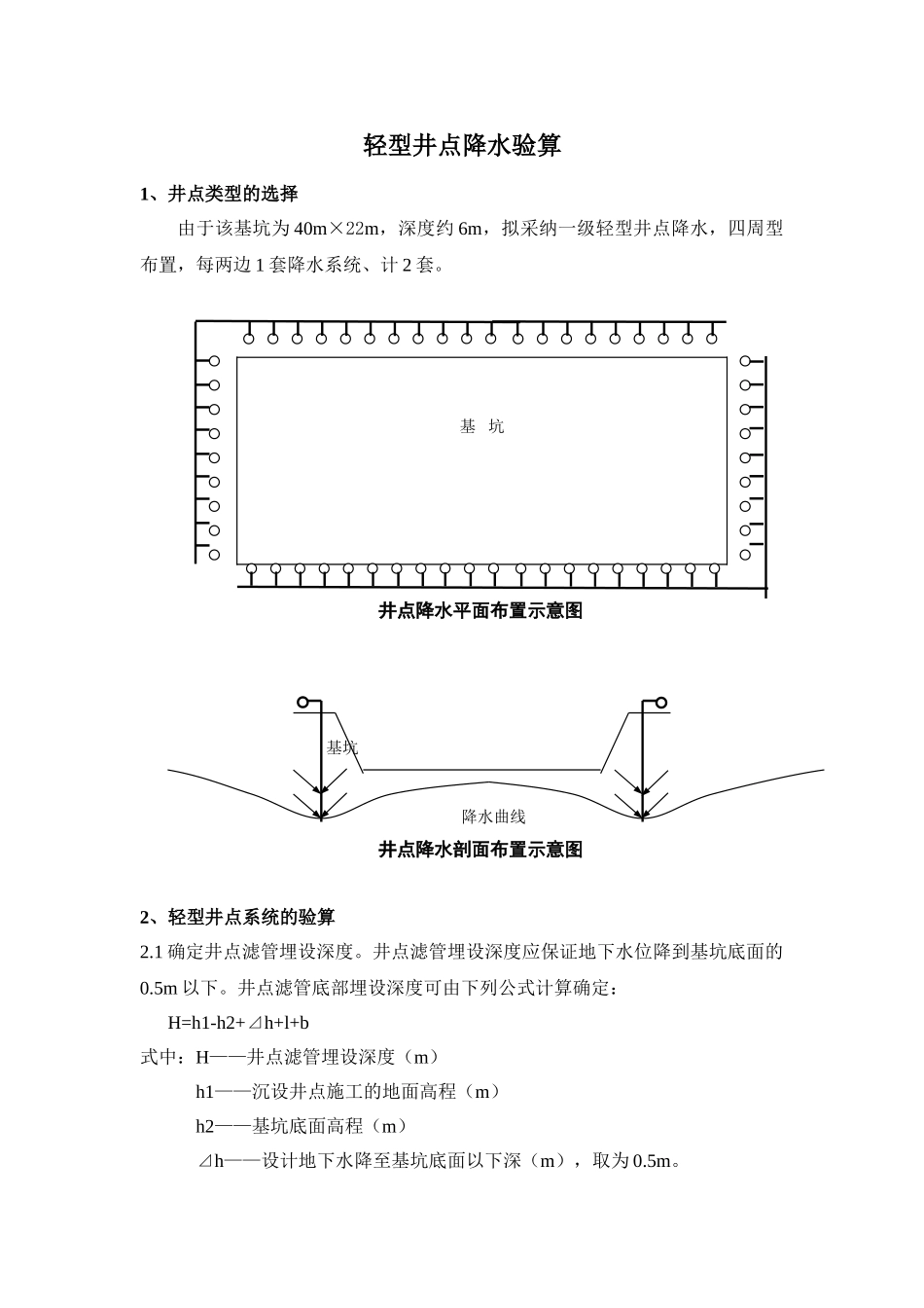
轻型井点降水验算1、井点类型的选择由于该基坑为 40m×22m,深度约 6m,拟采纳一级轻型井点降水,四周型布置,每两边 1 套降水系统、计 2 套。井点降水平面布置示意图 基坑 降水曲线井点降水剖面布置示意图2、轻型井点系统的验算2.1 确定井点滤管埋设深度。井点滤管埋设深度应保证地下水位降到基坑底面的0.5m 以下。井点滤管底部埋设深度可由下列公式计算确定: H=h1-h2+⊿h+l+b式中:H——井点滤管埋设深度(m)h1——沉设井点施工的地面高程(m)h2——基坑底面高程(m)⊿h——设计地下水降至基坑底面以下深(m),取为 0.5m。基 坑l——滤管长度(m)b——井点到基坑的水坡降(m),取为水平距离的 1/10将 h1-h2=6.1m,⊿h=0.5m,滤管 l=1m,b=(22/2+1)/10=1.2m 代入:计算得 H=8.8m。2.1 井点抽水影响半径抽水影响半径 R 见下公式: R=2S(HK)1/2式中 R——抽水影响半径(m)K——渗透系数(m/d)S——井点中心降水深度(m)H——含水层厚度(m)取 K=2m/d,H=8.8-1=7.8m,S=8.8-1-1.2-1=5.6m 代入:计算得 R=44.2m。2.2 井点涌水量Q=1.366K(2H-S)S/(㏒R-㏒r)式中: Q——井涌水量 m3/d K——渗透系数(m/d) H——含水层有效带深度(m) L——井点滤管长度(m) S——降水深度(m) R——井点抽水影响半径(m) r——井点系统的假想半径(m)将 K=2m/d,H=7.8m,S=5.6m, R=44.2m,r=√42×24/3.14=17.9m 代入:计算得:Q=390m3/d。真空泵的出水量为2.3 井点出水量的计算单根立管的极限出水量 q=65лdl k1/3式中:d——井点滤管直径(m)l——井点滤管长度(m)k——渗流系数(2m/d)计算得:q=10.26m3/d2.4 井点立管的数量n=Q/q=390/10.26=38 根。2.5 井点立管的间距(d)d=l/n式中:d——井点立管的间距(m)l——井点集水总管有效长度(m)n——井点立管的数量(根)计算 d=(40+22+2)/38=1.6m。说明:1、单级轻型井点的适用范围:渗透系数 0.1~50m/d,降水深度 3~6m。由于整个基坑的涌水量不大,选用一般的真空泵即可。2、由于基坑较深,为了确保降水成功,可将表层土挖去 1m(地下水位以上),减少降水深度。

1、当您付费下载文档后,您只拥有了使用权限,并不意味着购买了版权,文档只能用于自身使用,不得用于其他商业用途(如 [转卖]进行直接盈利或[编辑后售卖]进行间接盈利)。
2、本站所有内容均由合作方或网友上传,本站不对文档的完整性、权威性及其观点立场正确性做任何保证或承诺!文档内容仅供研究参考,付费前请自行鉴别。
3、如文档内容存在违规,或者侵犯商业秘密、侵犯著作权等,请点击“违规举报”。

碎片内容

轻型井点降水验算

阳光书坊+ 关注
实名认证
内容提供者

阳光书坊,传播未来

确认删除?
VIP
微信客服
  • 扫码咨询
会员Q群
  • 会员专属群点击这里加入QQ群
客服邮箱
回到顶部