电脑桌面
添加小米粒文库到电脑桌面
安装后可以在桌面快捷访问

达川师范高等专科学校投标方案

达川师范高等专科学校投标方案_第1页
1/213
达川师范高等专科学校投标方案_第2页
2/213
达川师范高等专科学校投标方案_第3页
3/213
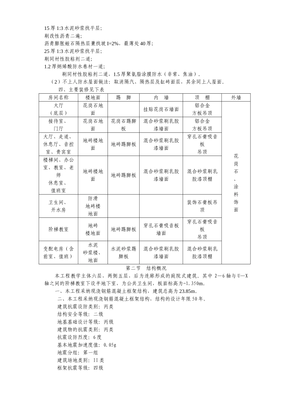
第一章 编制说明 一、本投标施工组织设计严格根据工程招标范围、招标文件和招标答疑会议纪要对施工组织设计的要求进行编制。在人员、机械、材料调配、质量要求、进度安排等方面统一部署的原则下,由土建、装修及安装几大专业有机组成。二、根据本工程设计特点、功能要求,本着对业主资金合理利用,对工程质量的高度责任感,我们的编制原则是“经济、合理、优质、高效”。三、本投标施工组织设计的编制,受到了我公司领导的高度重视和各职能部门的大力支持,公司将参加类似工程施工的有关负责人聚集在一起,形成方案编制专题小组,采纳“对比优化、博采众长”的编制思路,力求本方案重点突出,针对性、可操作性强。 四、本投标施工组织设计总结了我公司在类似院校工程施工中的成功经验,克服不足之处,同时借鉴其他单位特点和特长,力争使本施工组织设计对今后的施工有更强更优的指导作用,为业主交出满意和优良的建筑产品。 五、本投标施工组织设计未注明的长度单位均为“mm”。第一节 编制依据 一、达川师范高等专科学校《达县师专 A 幢教学楼工程施工招标文件》。二、2025 年 4 月四川省建筑设计院设计的达县师范高等专科学校 A 栋教学楼(以下简称本工程)建筑及结构设计图。三、8 月 16 日达县师专 A 幢教学楼工程施工招投标答疑会议纪要及现场踏勘情况。四、国家和行业现行的施工及验收法律规范、标准以及四川省对于建筑施工管理条例有关规定。五、我公司管理水平技术实力和机械设备装备情况。第二节 本施工组织设计编制内容根据招标文件及答疑会议精神,本施工组织设计编制主要内容包括土建、装饰装修及安装工程,网架和玻璃幕墙依照设计要求由专业厂家施工,并编制专题施工方案。第二章 工程概况及特点第一节 建筑概况本工程位于达州市西外镇达师专新校区范围内,南邻学生生活区,东北与拟建的信息中心大楼毗邻,西北面为实验教学区。本工程主体高六层,总高 23.85m,两侧五层,后为连廊形成约 30×36 m 的内院。总建筑面积为 21000m2(根据招标文件)。本工程是新校区的代表性建筑物,其建筑概况如下:一、本工程平面呈庭院式布置,既符合教学楼要求相对集中的特点,同时由于中庭的设置又使各单体建筑具有良好的采光和通风性能,为师生们提供一个宽敞明亮的教学环境,体现了二十一世纪大学的现代感和开放性。二、本工程的立面设计:本工程单体建筑层数有一层、四层、五层、六层,使教学楼立面具有层次感。通过凸窗...

1、当您付费下载文档后,您只拥有了使用权限,并不意味着购买了版权,文档只能用于自身使用,不得用于其他商业用途(如 [转卖]进行直接盈利或[编辑后售卖]进行间接盈利)。
2、本站所有内容均由合作方或网友上传,本站不对文档的完整性、权威性及其观点立场正确性做任何保证或承诺!文档内容仅供研究参考,付费前请自行鉴别。
3、如文档内容存在违规,或者侵犯商业秘密、侵犯著作权等,请点击“违规举报”。

碎片内容

达川师范高等专科学校投标方案

一帆文传+ 关注
实名认证
内容提供者

欢迎光临店铺,各类公文供您挑选。

确认删除?
VIP
微信客服
  • 扫码咨询
会员Q群
  • 会员专属群点击这里加入QQ群
客服邮箱
回到顶部